Перейти к содержимому
Войти

Расчёт и выбор конструкции подвесного грузоведущего конвейера

0
1
197
5
0
30

Санкт-Петербургский Политехнический университет Петра Великого
Высшая школа транспорта
Курсовая работа  по дисциплине "Непрерывный транспорт"
На тему: "Расчёт и выбор конструкции конвейера"
Санкт-Петербург 2019

Тип конвейера: подвесной грузоведущий
Производительность: 60 шт/час
Масса транспортируемого груза: 120 кг
Габариты транспортируемого груза: 200х100х250

Содержание:

1. Описание конструкции конвейера и выбор конструкции аналога
2. Определение основных параметров конвейера
2.1 Исходные данные
2.2 Определение скорости конвейера
2.3 Выбор шага подвесок
3. Определение нагрузок (на основе аналога)
3.1 Определение масс
4. Предварительный тяговый расчёт с выбором коэффициентов сопротивления
5. Определение размеров направляющих и отклоняющих устройств
6. Расчёт коэффициентов сопротивления
7. Полный тяговый расчёт
8. Расчёт привода и выбор его основных элементов
9. Выбор типа натяжного устройства и точки его установки на трассе. Расчёт усилия натяжения.
10. Расчёт специальных нагрузок
Вывод
Список литературы


Сообщить о проблеме
Автор
user-avatar Dimakoro11
Дата
30.03.2020
Язык
Русский
Состав
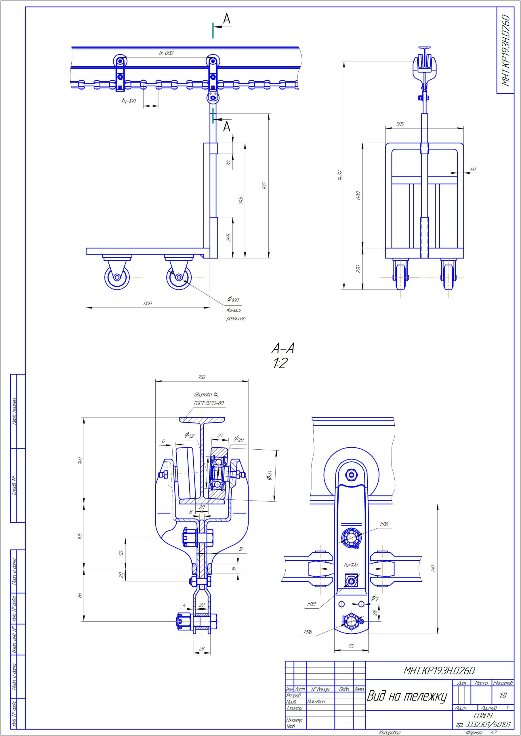
Деталировка (тележка, подвесное устройство), ПЗ
Софт
КОМПАС-3D 12 Как открыть?
Отзывов пока нет
Задать вопрос
Содержимое архива
  • icon-cdw
    Вид на тележку конвейера.cdw
  • icon-doc
    ПЗ.docx
Чтобы скачать чертеж, 3D модель или проект, Вы должны зарегистрироваться и принять участие в жизни сайта. Посмотрите, как тут скачивать файлы
Отзывов пока нет
Чтобы оставить отзыв, необходимо войти
Войти с помощью:

Используя функцию входа через сторонние сервисы, Вы соглашаетесь на обработку персональных данных в соответствии с Политикой конфиденциальности