Перейти к содержимому
Войти

Расчёт пластинчатого конвейера Q = 110 т/ч

0
0
96
2
0
40

По дисциплине: «Горно-транспортные машины и подъёмные механизмы»
Тема "РАСЧЁТ ПЛАСТИНЧАТОГО КОНВЕЙЕРА"

Исходные данные для проектирования:
1 - Тип проектируемого конвейера: пластинчатый;
2 - Геометрическая форма: горизонтально-наклонная;
3 - Угол наклона конвейера: 3°;
4 - Длина горизонтальной части: L₁ = 15 м;
5 - Длина наклонной части: L₂ = 10 м;
6 - Высота подъема: H = L₂ * tan(β) = 10 * tan(3°) = 0,5 м;
7 - Производительность: Q = 110 т/ч;
8 - Дальность транспортирования: 25 м;
9 - Условие работы конвейера: тяжелые;
10 - Транспортируемый материал: сильвинит;
11 - Натяжное устройство: пружинно-винтовое;
12 - Привод: параллельный.

Содержание
Введение 5
1 Информационный обзор 7
2 Состояние вопроса 20
3 Разработка конструкции изделия 21
3.1 Описание конструкции изделия 21
3.2. Режимы и условия работы конвейера 23
3.3. Схема работы конвейера в производственных условиях 25
4 Расчёт пластинчатого конвейра. 26
4.1 Исходные данные 26
4.2 Выбор типа настила и определение его ширины 27
4.3 Предварительный тяговый расчёт 28
4.4 Тяговый расчет 29
4.5 Тяговое усилие приводной звездочке 31
4.6 Мощность электродвигателя 31
4.7 Число зубьев приводной звездочки 32
4.8 Выбор редуктора 33
4.9 Расчет вала приводного барабана 35
4.10 Расчет вала натяжного устройства 35
4.11 Выбор подшипников 35
4.12 Расчет натяжного пружинно-винтового устройства 36
4.13 Выбор муфты 42
4.14 Расчёт шпоночных соединений 42
4.15 Назначение посадок в сопряжении 43
Заключение 45
Список использованной литературы 46


Сообщить о проблеме
Дата
06.12.2025
Язык
Русский
Состав
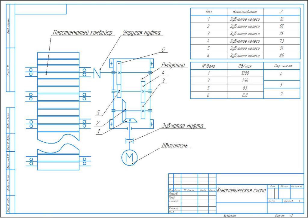
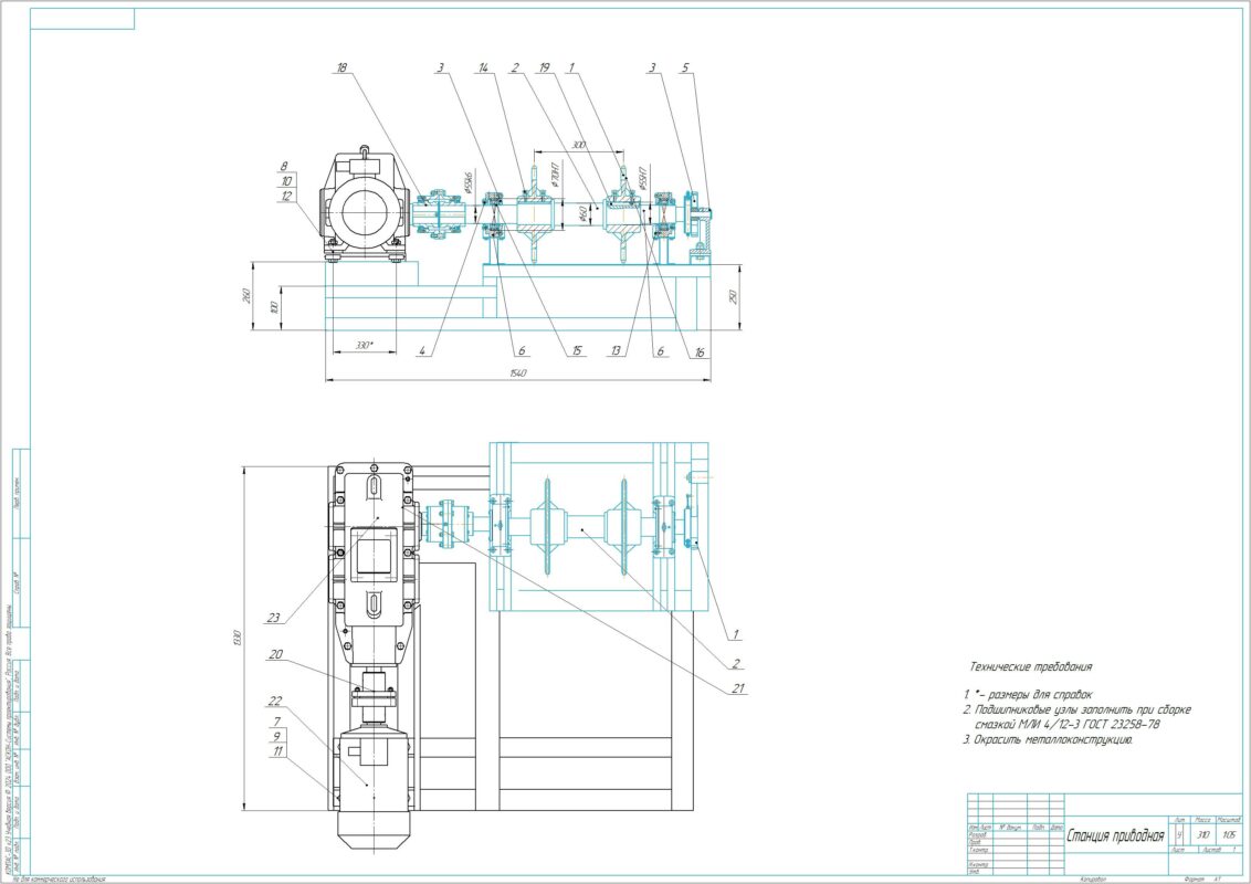
Кинематическая схема, общий вид приводная станция, спецификация к общему виду,спецификация приводная станция, пз
Софт
КОМПАС-3D 21 Как открыть?
Отзывов пока нет
Задать вопрос
Содержимое архива
  • icon-cdw Кинематическая схема.cdw
  • icon-doc Содержание.docx
  • icon-cdw общий вид.cdw
  • icon-cdw приводная станция.cdw
  • icon-doc спецификация к общему виду.doc
  • icon-doc спецификация приводная станция.doc
  • icon-doc траснпортирующий конвейер.docx
Чтобы скачать чертеж, 3D модель или проект, Вы должны зарегистрироваться и принять участие в жизни сайта. Посмотрите, как тут скачивать файлы
Отзывов пока нет
Чтобы оставить отзыв, необходимо войти
Войти с помощью:

Используя функцию входа через сторонние сервисы, Вы соглашаетесь на обработку персональных данных в соответствии с Политикой конфиденциальности