Перейти к содержимому
Войти

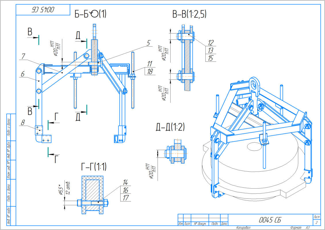
Захват для диска Ø680 мм

2
3
55
0
0
60

Захват для диска Ø680 мм для грузоподъемного механизма.
Грузоподъемность: 300 кг.
Проект выполнен в программе «Компас-3D v23». В комплекте: 3D-модели, чертежи и спецификации. Имеется универсальный формат STEP.


Сообщить о проблеме
Дата
13.03.2026
Язык
Русский
Состав
Захват (СБ), Каркас (СБ), Кронштейн (СБ), Корпус (СБ), Деталировка (Фиксатор, Захват, Тяга, Защита, Труба, Уголок, Ребро, Лист, Кронштейн, Корпус, Проушина), Спецификация, 3D Сборка.
Софт
КОМПАС-3D 23 Как открыть?
Отзывов пока нет
Задать вопрос
Содержимое архива
    • icon-cdw 0019.003 Фиксатор.cdw
    • icon-m3d 0019.003 Фиксатор.m3d
    • icon-cdw 0019.105 Труба.cdw
    • icon-m3d 0019.105 Труба.m3d
    • icon-a3d 0045 Захват.a3d
    • icon-spw 0045 Захват.spw
    • icon-step 0045 Захват.stp
    • icon-cdw 0045 СБ Захват.cdw
    • icon-cdw 0045.001 Захват.cdw
    • icon-m3d 0045.001 Захват.m3d
    • icon-cdw 0045.002 Тяга.cdw
    • icon-m3d 0045.002 Тяга.m3d
    • icon-m3d 0045.003 Защита.m3d
    • icon-cdw 0045.004 Ось.cdw
    • icon-m3d 0045.004 Ось.m3d
    • icon-a3d 0045.100 Каркас.a3d
    • icon-spw 0045.100 Каркас.spw
    • icon-cdw 0045.100 СБ Каркас.cdw
    • icon-cdw 0045.101 Уголок.cdw
    • icon-m3d 0045.101 Уголок.m3d
    • icon-cdw 0045.102 Ребро.cdw
    • icon-m3d 0045.102 Ребро.m3d
    • icon-cdw 0045.103 Ребро.cdw
    • icon-m3d 0045.103 Ребро.m3d
    • icon-cdw 0045.104 Уголок.cdw
    • icon-m3d 0045.104 Уголок.m3d
    • icon-a3d 0045.110 Кронштейн.a3d
    • icon-cdw 0045.110 Кронштейн.cdw
    • icon-cdw 0045.111 Лист.cdw
    • icon-m3d 0045.111 Лист.m3d
    • icon-cdw 0045.112 Кронштейн.cdw
    • icon-m3d 0045.112 Кронштейн.m3d
    • icon-a3d 0045.200 Корпус.a3d
    • icon-spw 0045.200 Корпус.spw
    • icon-cdw 0045.200 СБ Корпус.cdw
    • icon-cdw 0045.201 Корпус.cdw
    • icon-m3d 0045.201 Корпус.m3d
    • icon-cdw 0045.202 Кронштейн.cdw
    • icon-m3d 0045.202 Кронштейн.m3d
    • icon-cdw 0045.203 Проушина.cdw
    • icon-m3d 0045.203 Проушина.m3d
    • icon-m3d Диск.m3d
    • icon-m3d Шпилька М16.m3d
Чтобы скачать чертеж, 3D модель или проект, Вы должны зарегистрироваться и принять участие в жизни сайта. Посмотрите, как тут скачивать файлы
Отзывов пока нет
Чтобы оставить отзыв, необходимо войти
Войти с помощью:

Используя функцию входа через сторонние сервисы, Вы соглашаетесь на обработку персональных данных в соответствии с Политикой конфиденциальности