Перейти к содержимому
Войти

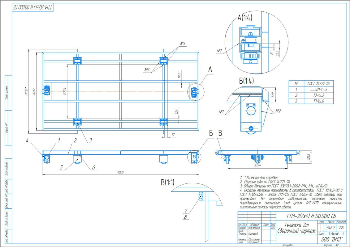
ТТМ-2(2х4) Н 00.000 - Тележка 2,0т

0
2
66
0
0
450

Тележка 2,0т пониженной высоты Н (325мм). первоначальная высота аналога подобной тележки 605 мм (разница в повышении производительности работы оператора установки, нет необходимости высоко поднимать реактивное сопло или пользоваться дополнительными подставками) предназначена для закатывания крупногабаритных изделий 2х4м в камеру песко/дробеструйной или иной очистки.


Сообщить о проблеме
Дата
26.01.2026
Язык
Русский
Состав
Модели деталей, сборок, рабочие и сборочные чертежи ОВ, рама, колесный блок, оригинальный натяжник
Софт
КОМПАС-3D 20 Как открыть?
Отзывов пока нет
Задать вопрос
Содержимое архива
        • icon-m3d ГОСТ 23360-78 - Шпонка 14х9х45 .m3d
        • icon-m3d ПМН1013.06.00.001 - Ролик.m3d
        • icon-m3d ПМН1013.06.00.002 - Планка.m3d
        • icon-m3d ПМН1013.06.00.003 - Кольцо.m3d
        • icon-m3d ПМН1013.06.00.004 - Храповик.m3d
        • icon-m3d ПМН1013.06.00.005 - Палец.m3d
        • icon-m3d ПМН1013.06.00.006 - Ось.m3d
        • icon-m3d ПМН1013.06.00.007 - Втулка.m3d
        • icon-m3d ПМН1013.06.00.008 - Собачка.m3d
        • icon-m3d ПМН1013.06.00.009 - Болт специальный.m3d
        • icon-a3d ПМН1013.07.00.000 СБ - Натяжник.a3d
        • icon-a3d ПМН1013.07.00.000-01 СБ - Натяжник.a3d
        • icon-a3d ПМН1013.07.00.000-02 СБ - Натяжник.a3d
        • icon-a3d ПМН1013.07.00.000-03 СБ - Натяжник.a3d
        • icon-m3d ПМН1013.07.00.001 - Ролик.m3d
        • icon-m3d ПМН1013.07.00.002 - Ригель.m3d
        • icon-m3d ПМН1013.07.00.006 - Ось.m3d
        • icon-m3d ПМН1013.07.00.009 - Болт специальный.m3d
        • icon-a3d ТПТ-07.03.01.000 СБ - Кронштейн.a3d
        • icon-a3d ТПТ-07.03.01.000-01 СБ - Кронштейн.a3d
        • icon-a3d ТПТ-07.03.01.000-02 СБ - Кронштейн.a3d
        • icon-a3d ТПТ-07.03.01.000-03 СБ - Кронштейн.a3d
        • icon-jpg ПМН1013.07.00.000-01-Н - Натяжник(1).jpg
        • icon-jpg ПМН1013.07.00.000-01-Н - Натяжник(2).jpg
        • icon-spw ПМН1013.07.00.000-01-Н - Натяжник.spw
        • icon-jpg ПМН1013.07.00.000-01-Н СБ - Натяжник Сборочный чертеж(1).jpg
        • icon-jpg ПМН1013.07.00.000-01-Н СБ - Натяжник Сборочный чертеж(2).jpg
        • icon-cdw ПМН1013.07.00.000-01-Н СБ - Натяжник Сборочный чертеж.cdw
        • icon-cdw ПМН1013.07.00.000-02-Н СБ - Натяжник Сборочный чертеж.cdw
        • icon-jpg ПМН1013.07.00.000-02-Н СБ - Натяжник Сборочный чертеж.jpg
        • icon-jpg ПМН1013.07.00.000-03-Н - Натяжник(1).jpg
        • icon-jpg ПМН1013.07.00.000-03-Н - Натяжник(2).jpg
        • icon-spw ПМН1013.07.00.000-03-Н - Натяжник.spw
        • icon-cdw ПМН1013.07.00.000-03-Н СБ - Натяжник Сборочный чертеж.cdw
        • icon-jpg ПМН1013.07.00.000-03-Н СБ - Натяжник Сборочный чертеж.jpg
        • icon-jpg ПМН1013.07.00.000-Н - Натяжник гр(1).jpg
        • icon-jpg ПМН1013.07.00.000-Н - Натяжник гр(2).jpg
        • icon-spw ПМН1013.07.00.000-Н - Натяжник гр.spw
        • icon-jpg ТПТ-07.03.01.000-01-Н -. Кронштейн.jpg
        • icon-spw ТПТ-07.03.01.000-01-Н -. Кронштейн.spw
        • icon-cdw ТПТ-07.03.01.000.-Н СБ - Кронштейн Сборочный чертеж.cdw
        • icon-jpg ТПТ-07.03.01.003-01-Н - Стойка(1).jpg
        • icon-jpg ТПТ-07.03.01.003-01-Н - Стойка(2).jpg
        • icon-cdw ТПТ-07.03.01.003-01-Н - Стойка.cdw
        • icon-cdw ТПТ-07.03.01.003-Н - Стойка.cdw
        • icon-jpg ТПТ-07.03.01.003-Н - Стойка.jpg
          • icon-a3d ТПТ-07.03.01.00 СБ - Кронштейн.a3d
          • icon-a3d ТПТ-6.03.01.00 СБ - Кронштейн.a3d
          • icon-m3d ТПТ-6.03.01.01 - Пластина.m3d
          • icon-m3d ТПТ-6.03.01.02 - Пластина.m3d
          • icon-m3d ТПТ-6.03.01.02-01 - Пластина.m3d
          • icon-m3d ТПТ-6.03.01.02-02 - Пластина.m3d
          • icon-m3d ТПТ-6.03.01.03 - Стойка.m3d
          • icon-m3d ТПТ-6.03.01.03-01 - Стойка.m3d
          • icon-m3d ТПТ-6.03.01.03-02 - Стойка.m3d
          • icon-m3d ТПТ-6.03.01.03-03 - Стойка.m3d
          • icon-a3d ТПТ-7.03.01.00 СБ - Кронштейн.a3d
        • icon-spw ТПТ-6.03.01.00 - Кронштейн.spw
        • icon-cdw ТПТ-6.03.01.00 СБ - Кронштейн.cdw
        • icon-cdw ТПТ-6.03.01.03 - Стойка.cdw
        • icon-spw ПМН1013.06.00.000 - Натяжник.spw
        • icon-cdw ПМН1013.06.00.000 СБ - Натяжник.cdw
        • icon-cdw ПМН1013.06.00.001 - Ролик.cdw
        • icon-cdw ПМН1013.06.00.002 - Планка.cdw
        • icon-cdw ПМН1013.06.00.006 - Ось.cdw
        • icon-m3d ПМН1013.06.00.008 - Собачка.m3d
        • icon-cdw ПМН1013.06.00.009 - Болт специальный.cdw
        • icon-spw ПМН1013.07.00.000-Н - Натяжник.spw
        • icon-cdw ТПТ-07.03.01.000-01-Н СБ - Кронштейн. Сборочный чертеж.cdw
        • icon-cdw ТПТ-07.03.01.000-01-Н СБ - Кронштейн Сборочный чертеж.cdw
        • icon-cdw ТПТ-07.03.01.000-02-Н - Кронштейн.cdw
        • icon-cdw ТПТ-07.03.01.000-03-Н СБ - Кронштейн Сборочный чертеж.cdw
      • icon-cdw ПМН1013-06.00.007 - Втулка.cdw
      • icon-jpg ПМН1013-06.00.007 - Втулка.jpg
      • icon-cdw ПМН1013.06.00.002 - Ригель.cdw
      • icon-jpg ПМН1013.06.00.002 - Ригель.jpg
      • icon-cdw ПМН1013.06.00.003 - Кольцо.cdw
      • icon-jpg ПМН1013.06.00.003 - Кольцо.jpg
      • icon-cdw ПМН1013.06.00.004 - Храповик.cdw
      • icon-jpg ПМН1013.06.00.004 - Храповик.jpg
      • icon-cdw ПМН1013.06.00.005 - Болт ступенчатый.cdw
      • icon-jpg ПМН1013.06.00.005 - Болт ступенчатый.jpg
      • icon-cdw ПМН1013.06.00.008 - Собачка.cdw
      • icon-jpg ПМН1013.06.00.008 - Собачка.jpg
      • icon-jpg ПМН1013.07.00.000-03-Н - Натяжник(1).jpg
      • icon-jpg ПМН1013.07.00.000-03-Н - Натяжник(2).jpg
      • icon-jpg ПМН1013.07.00.000-Н-01 - Натяжник.(1).jpg
      • icon-jpg ПМН1013.07.00.000-Н-01 - Натяжник.(2).jpg
      • icon-spw ПМН1013.07.00.000-Н-01 - Натяжник..spw
      • icon-jpg ПМН1013.07.00.000-Н - Натяжник.(1).jpg
      • icon-jpg ПМН1013.07.00.000-Н - Натяжник.(2).jpg
      • icon-spw ПМН1013.07.00.000-Н - Натяжник..spw
      • icon-cdw ПМН1013.07.00.000-Н СБ - Натяжник Сборочный чертеж.cdw
      • icon-cdw ПМН1013.07.00.001 - Ролик.cdw
      • icon-jpg ПМН1013.07.00.001 - Ролик.jpg
      • icon-cdw ПМН1013.07.00.006 - Ось.cdw
      • icon-jpg ПМН1013.07.00.006 - Ось.jpg
      • icon-cdw ПМН1013.07.00.009 - Болт специальный.cdw
      • icon-jpg ПМН1013.07.00.009 - Болт специальный.jpg
      • icon-jpg ТПТ-07.03.01.00-Н -. Кронштейн.jpg
      • icon-spw ТПТ-07.03.01.00-Н -. Кронштейн.spw
      • icon-jpg ТПТ-07.03.01.000-Н -. Кронштейн.jpg
      • icon-spw ТПТ-07.03.01.000-Н -. Кронштейн.spw
      • icon-cdw ТПТ-07.03.01.000-Н СБ - Кронштейн Сборочный чертеж.cdw
      • icon-jpg ТПТ-07.03.01.000-Н СБ - Кронштейн Сборочный чертеж.jpg
      • icon-cdw ТПТ-07.03.01.003-02-Н - Стойка.cdw
      • icon-jpg ТПТ-07.03.01.003-02-Н - Стойка.jpg
      • icon-cdw ТПТ-6.03.01.03 - Стойка.cdw
      • icon-jpg ТПТ-6.03.01.03 - Стойка.jpg
      • icon-cdw ТПТ-7.03.01.001 - Пластина.cdw
      • icon-jpg ТПТ-7.03.01.001 - Пластина.jpg
      • icon-cdw ТПТ-7.03.01.001-Н - Пластина.cdw
    • icon-a3d SS-FI 150R - Колесо на платформе.a3d
    • icon-cdw SS-FI 150R - Колесо на платформе.cdw
    • icon-m3d SS-FI 150R - Обойма.m3d
    • icon-m3d SS-FI 150R.2 - Колесо.m3d
    • icon-a3d SS-FS 150R - Колесо на платформе.a3d
    • icon-m3d SS-FS 150R - Обойма.m3d
    • icon-m3d ТПТ-6.03.01.001. - Пластина.m3d
    • icon-m3d ТПТ-6.03.01.02 - Пластина.m3d
    • icon-cdw ТПТ-6.03.01.03 - Стойка.cdw
    • icon-m3d ТПТ-6.03.01.03 - Стойка.m3d
    • icon-jpg ТТМ-2(2х4) Н 00.000 - Тележка 2,0т..jpg
    • icon-a3d ТТМ-2(2х4) Н 00.000 - Тележка 2,0т.a3d
    • icon-step ТТМ-2(2х4) Н 00.000 - Тележка 2,0т.stp
    • icon-jpg ТТМ-2(2х4) Н 00.000 - Тележка 2т.jpg
    • icon-spw ТТМ-2(2х4) Н 00.000 - Тележка 2т.spw
    • icon-cdw ТТМ-2(2х4) Н 00.000 СБ - Тележка 2,0т Сборочный чертеж.cdw
    • icon-jpg ТТМ-2(2х4) Н 00.000 СБ - Тележка 2,0т Сборочный чертеж.jpg
    • icon-cdw ТТМ-2(2х4) Н 00.001 - Косынка.cdw
    • icon-jpg ТТМ-2(2х4) Н 00.001 - Косынка.jpg
    • icon-m3d ТТМ-2(2х4) Н 00.001 - Косынка.m3d
    • icon-cdw ТТМ-2(2х4) Н 00.002 - Пластина защитная.cdw
    • icon-jpg ТТМ-2(2х4) Н 00.002 - Пластина защитная.jpg
    • icon-m3d ТТМ-2(2х4) Н 00.002 - Пластина защитная.m3d
    • icon-cdw ТТМ-2(2х4) Н 00.003 - Планка.cdw
    • icon-jpg ТТМ-2(2х4) Н 00.003 - Планка.jpg
    • icon-m3d ТТМ-2(2х4) Н 00.003 - Планка.m3d
    • icon-a3d ТТМ-2(2х4) Н 00.100 - Обвязка.a3d
    • icon-jpg ТТМ-2(2х4) Н 00.100 - Рама(1).jpg
    • icon-jpg ТТМ-2(2х4) Н 00.100 - Рама(2).jpg
    • icon-a3d ТТМ-2(2х4) Н 00.100 - Рама.a3d
    • icon-spw ТТМ-2(2х4) Н 00.100 - Рама.spw
    • icon-jpg ТТМ-2(2х4) Н 00.100 СБ - Рама Сборочный чертеж(1).jpg
    • icon-jpg ТТМ-2(2х4) Н 00.100 СБ - Рама Сборочный чертеж(2).jpg
    • icon-cdw ТТМ-2(2х4) Н 00.100 СБ - Рама Сборочный чертеж.cdw
    • icon-m3d ТТМ-2(2х4) Н 00.101 - Балка продольная.m3d
    • icon-m3d ТТМ-2(2х4) Н 00.101 - Брус.m3d
    • icon-m3d ТТМ-2(2х4) Н 00.101-01 - Брус.m3d
    • icon-cdw ТТМ-2(2х4) Н 00.102 - Балка поперечная.cdw
    • icon-jpg ТТМ-2(2х4) Н 00.102 - Балка поперечная.jpg
    • icon-m3d ТТМ-2(2х4) Н 00.102 - Балка поперечная.m3d
    • icon-m3d ТТМ-2(2х4) Н 00.102-01 - Балка поперечная.m3d
    • icon-m3d ТТМ-2(2х4) Н 00.104-01-Настил.m3d
    • icon-m3d ТТМ-2(2х4) Н 00.104-Настил 2490х1500.m3d
    • icon-cdw ТТМ-2(2х4) Н 00.105 - Проушина.cdw
    • icon-jpg ТТМ-2(2х4) Н 00.105 - Проушина.jpg
    • icon-m3d ТТМ-2(2х4) Н 00.105-Проушина..m3d
    • icon-m3d ТТМ-2(2х4) Н 00.105-Проушина.m3d
    • icon-cdw ТТМ-2(2х4) Н 00.106 - Ребро.cdw
    • icon-jpg ТТМ-2(2х4) Н 00.106 - Ребро.jpg
    • icon-m3d ТТМ-2(2х4) Н 00.106-Ребро.m3d
    • icon-m3d ТТМ-2(2х4) Н 00.107 - Пластина.m3d
    • icon-m3d ТТМ-2(2х4) Н 00.107 - Полоса.m3d
    • icon-m3d ТТМ-2(2х4) Н 00.107-01 - Полоса.m3d
    • icon-m3d ТТМ-2(2х4) Н 00.107-02 - Полоса.m3d
    • icon-jpg ТТМ-2(2х4) Н 00.200 - Обвязка.jpg
    • icon-spw ТТМ-2(2х4) Н 00.200 - Обвязка.spw
    • icon-cdw ТТМ-2(2х4) Н 00.200 СБ - Обвязка Сборочный чертеж.cdw
    • icon-jpg ТТМ-2(2х4) Н 00.200 СБ - Обвязка Сборочный чертеж.jpg
    • icon-cdw ТТМ-2(2х4) Н 00.201 - Брус.cdw
    • icon-jpg ТТМ-2(2х4) Н 00.201 - Брус.jpg
    • icon-jpg ТТМ-2(2х4) Н 00.300 - Блок колёсный..jpg
    • icon-spw ТТМ-2(2х4) Н 00.300 - Блок колёсный..spw
    • icon-a3d ТТМ-2(2х4) Н 00.300 - Блок колёсный.a3d
    • icon-spw ТТМ-2(2х4) Н 00.300 - Блок колёсный.spw
    • icon-cdw ТТМ-2(2х4) Н 00.300 СБ - Блок колёсный Сборочный чертеж.cdw
    • icon-jpg ТТМ-2(2х4) Н 00.300 СБ - Блок колёсный Сборочный чертеж.jpg
    • icon-cdw ТТМ-2(2х4) Н 00.301 - Пластина.cdw
    • icon-jpg ТТМ-2(2х4) Н 00.301 - Пластина.jpg
    • icon-m3d ТТМ-2(2х4) Н 00.301 - Пластина.m3d
    • icon-cdw ТТМ-5+5(2х4).01.01.09-Проушина.cdw
    • icon-jpg ТТМ-5+5(2х4).01.01.09-Проушина.jpg
    • icon-cdw Чертеж.cdw
Чтобы скачать чертеж, 3D модель или проект, Вы должны зарегистрироваться и принять участие в жизни сайта. Посмотрите, как тут скачивать файлы
Отзывов пока нет
Чтобы оставить отзыв, необходимо войти
Войти с помощью:

Используя функцию входа через сторонние сервисы, Вы соглашаетесь на обработку персональных данных в соответствии с Политикой конфиденциальности