Перейти к содержимому
Войти

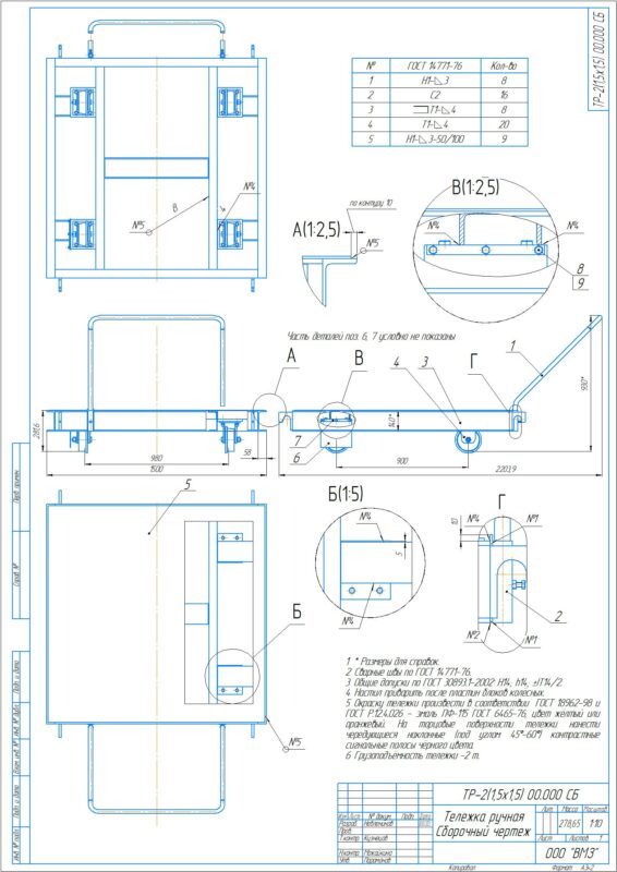
Тележка ручная ТР-2(1,5х1,5) 00.000 СБ

0
0
42
0
0
350

Тележка 2,0т пониженной высоты (250мм) предназначена для закатывания крупногабаритных изделий 1,5х1,5м в камеру песко/дробеструйной или иной очистки.


Сообщить о проблеме
Дата
13.01.2026
Язык
Русский
Состав
Модели деталей, сборок, рабочие и сборочные чертежи ОВ, рама, колесный блок
Софт
КОМПАС-3D 20 Как открыть?
Отзывов пока нет
Задать вопрос
Содержимое архива
    • icon-m3d SS-FI 150R.2 - Колесо.m3d
    • icon-a3d SS-FS 150R - Колесо на платформе.a3d
    • icon-m3d SS-FS 150R - Обойма.m3d
    • icon-cdw Перекладина_ТЗ-В.04.00.002.cdw
    • icon-m3d Перекладина_ТЗ-В.04.00.002.m3d
    • icon-a3d Ручка _ КДО-3,1х3,1х2,6.05.01.400 СБ.a3d
    • icon-cdw Ручка _ КДО-3,1х3,1х2,6.05.01.400 СБ.cdw
    • icon-spw Ручка _ КДО-3,1х3,1х2,6.05.01.400.spw
    • icon-cdw Стойка _ КДО-3,1х3,1х2,6.05.01.401.cdw
    • icon-m3d Стойка _ КДО-3,1х3,1х2,6.05.01.401.m3d
    • icon-cdw ТР-0,5.01.00.07 - Проушина грузовая.cdw
    • icon-m3d ТР-0,5.01.01 - Швеллер.m3d
    • icon-m3d ТР-0,5.01.07 - Проушина грузовая.m3d
    • icon-a3d ТР-0,5.03 - Втулка крепления.a3d
    • icon-m3d ТР-0,5.03.01 - Пластина.m3d
    • icon-m3d ТР-0,5.03.02 - Втулка.m3d
    • icon-a3d ТР-2 (1,5х1,5) 00.000 - Тележка ручная.a3d
    • icon-step ТР-2 (1,5х1,5) 00.000 - Тележка ручная.stp
    • icon-spw ТР-2(1,5х1,5) 00.000 - Рама..spw
    • icon-spw ТР-2(1,5х1,5) 00.000 - Тележка ручная.spw
    • icon-cdw ТР-2(1,5х1,5) 00.000 СБ - Тележка ручная Сборочный чертеж.cdw
    • icon-spw ТР-2(1,5х1,5) 00.100 - Рама..spw
    • icon-a3d ТР-2(1,5х1,5) 00.100 - Рама.a3d
    • icon-cdw ТР-2(1,5х1,5) 00.100 СБ - Рама Сборочный чертеж.cdw
    • icon-m3d ТР-2(1,5х1,5) 00.101 - Швеллер.m3d
    • icon-m3d ТР-2(1,5х1,5) 00.103 - Швеллер.m3d
    • icon-cdw ТР-2(1,5х1,5) 00.104 - Швеллер.cdw
    • icon-m3d ТР-2(1,5х1,5) 00.104 - Швеллер.m3d
    • icon-m3d ТР-2(1,5х1,5) 00.105 - Настил.m3d
    • icon-m3d ТТМ-2(2х4) Н 00.002 - Пластина защитная.m3d
    • icon-m3d ТТМ-2(2х4) Н 00.003 - Планка.m3d
    • icon-a3d ТТМ-2(2х4) Н 00.300 - Блок колёсный.a3d
    • icon-m3d ТТМ-2(2х4) Н 00.301 - Пластина.m3d
Чтобы скачать чертеж, 3D модель или проект, Вы должны зарегистрироваться и принять участие в жизни сайта. Посмотрите, как тут скачивать файлы
Отзывов пока нет
Чтобы оставить отзыв, необходимо войти
Войти с помощью:

Используя функцию входа через сторонние сервисы, Вы соглашаетесь на обработку персональных данных в соответствии с Политикой конфиденциальности