Перейти к содержимому
Войти

Курсовая работа Консоль-фрезерный станок 8Н62

0
257
2082
6
0
100

ИЖГТУ город Ижевск

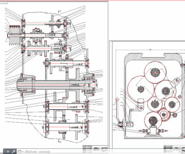
Курсовая работа консольно-фрезерный станок 8Н62.девять чертежей 3 листа формата А1, 6 чертижей формата А4, пояснительная записка содержит 29 листов,спецификация


Сообщить о проблеме
Автор
user-avatar voo
Дата
05.06.2014
Язык
Русский
Состав
Общий вид,СБ,развертка,свертка,шпиндель,вал,кинематическая схема,деталь узла 1и 2,колесо,спецификация,ПЗ.
Софт
КОМПАС-3D 12 Как открыть?
Отзывов пока нет
Задать вопрос
Содержимое архива
    • icon-cdw Вал.cdw
    • icon-cdw Детали узла 1.cdw
    • icon-cdw Детали узла 2.cdw
    • icon-cdw Кинем. схема.cdw
    • icon-cdw Колесо.cdw
    • icon-cdw Общий вид.cdw
    • icon-doc РПЗ.doc
    • icon-cdw Развертка.cdw
    • icon-cdw Свертка.cdw
    • icon-spw Спецификация.spw
    • icon-cdw Шпиндель.cdw
Чтобы скачать чертеж, 3D модель или проект, Вы должны зарегистрироваться и принять участие в жизни сайта. Посмотрите, как тут скачивать файлы
Отзывов пока нет
Чтобы оставить отзыв, необходимо войти
Войти с помощью:

Используя функцию входа через сторонние сервисы, Вы соглашаетесь на обработку персональных данных в соответствии с Политикой конфиденциальности