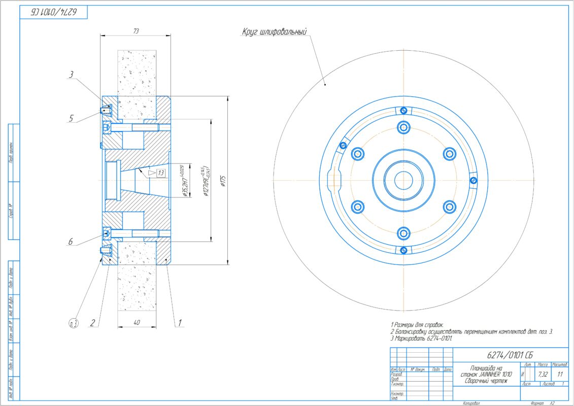
Вспомогательное приспособление, удерживающее детали на оси шпинделя, упрощает взаимодействие с заготовками, которые нельзя зажать в патрон. С её помощью обрабатываются поковки, плоские элементы и компоненты нестандартной формы.
- Главная -
- Чертежи -
- Машиностроение и механика -
- Станки и инструменты -
- Планшайба на станок JAINNHER 1010
Планшайба на станок JAINNHER 1010
0
0
25
0
0
200



Сообщить о проблеме
Автор

Дата
11.10.2025
Язык
Русский
Состав
3D модели сборка и деталировка. Сборочный чертеж планшайбы (СБ), спецификация (СП) и деталировка
Софт
КОМПАС-3D 21
Как открыть?
Отзывов пока нет
Содержимое архива
Чтобы скачать чертеж, 3D модель или проект, Вы должны зарегистрироваться
и принять участие в жизни сайта. Посмотрите, как тут скачивать
файлы
Отзывов пока нет
Чтобы задать вопрос, необходимо войти
Войти с помощью:
Ссылка на логин через google
Ссылка на логин через vk
Ссылка на логин через yandex