Перейти к содержимому
Войти

Уважаемые пользователи, временно отключили платежи через ЮКассу. Работает запасной канал. Если у кого-то потерялся платеж за 21.04 напишите в форму контактов.

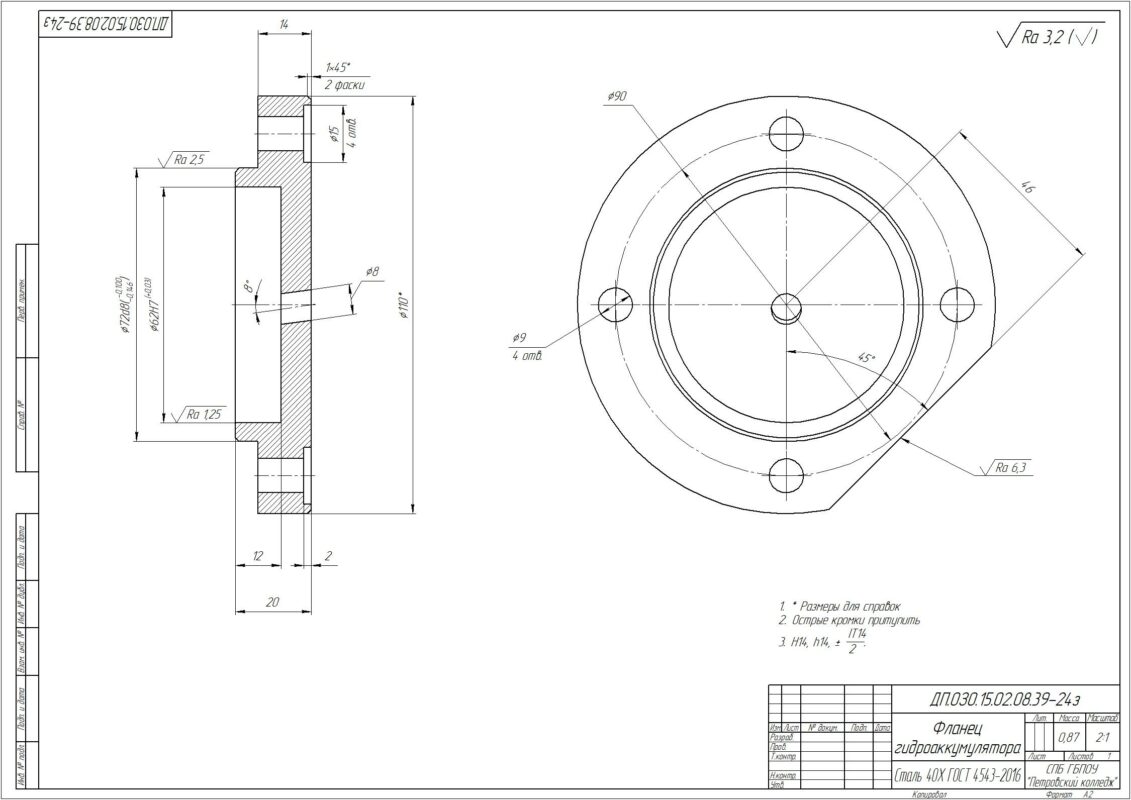
Проектирование технологического процесса изготовления детали «Фланец гидроаккумулятора» с разработкой управляющей программы для станка с ЧПУ

0
2
48
0
0
100

СПБ ГБПОУ "Петровский колледж", заочное отделение, технология машиностроения, Проектирование технологического процесса изготовления детали «Фланец гидроаккумулятора» с разработкой управляющей программы для станка с ЧПУ, 2023г.

Базовый технологический процесс изготовления детали «Фланец гидроаккумулятора»;
Рабочий чертеж детали «Фланец гидроаккумулятора»;
Режим работы цеха - двусменный;
Материал детали – Сталь 40Х ГОСТ 4543-2016.
Программа выпуска -15000 шт/год

СОДЕРЖАНИЕ
ВВЕДЕНИЕ 2
1. ИСХОДНАЯ ИНФОРМАЦИЯ ДЛЯ ПРОЕКТИРОВАНИЯ 4
1.1 Базовая информация 4
1.2. Руководящая информация 4
1.3. Справочная информация 4
2. ТЕХНОЛОГИЧЕСКИЙ РАЗДЕЛ 5
2.1. Анализ технических требований на объект производства 5
2.2. Анализ технологичности конструкции детали 6
2.3. Определение типа производства 9
2.4. Технико-экономическое обоснования выбора заготовки 10
2.5. Разработка технологического процесса 18
2.6. Расчет режимов резания 28
2.7. Нормирование технологического процесса 31
2.8. Разработка управляющей программы 34
3. КОНСТРУКТОРСКИЙ РАЗДЕЛ 37
3.1 Разработка конструкции станочного приспособления 37
3.1.1 Определение погрешности установки 37
3.1.2 Расчёт сил действующих при закреплении 38
3.1.3 Расчёт усилия закрепления 39
4. РАЗДЕЛ БЕЗОПАСНОСТИ ЖИЗНЕДЕЯТЕЛЬНОСТИ 41
4.1 Анализ возможных опасных, вредных факторов ЧС при работе на участке 41
4.2 Разработка мероприятий по снижению опасных и вредных факторов при работе на участке 43
4.3 Разработка мероприятий по снижениювредного воздействия техпроцесса на участке на природу 44
5. ЭКОНОМИЧЕСКИЙ РАЗДЕЛ 46
5.1 Расчет себестоимости изготовления продукции и технико-экономических показателей работы участка 46
5.2. Производственные расчёты 49
5.3. Экономические расчёты 57
5.4. Формирование плановой калькуляции затрат на изготовление единицы продукции 73
5.5. Технико-экономические показатели эффективности работы участка при изготовлении и реализации продукции 75
5.6. Формирование комплекса исходных и технико-экономических показателей работы участка по изготовлению изделия 78
ЗАКЛЮЧЕНИЕ 80
СПИСОК ЛИТЕРАТУРЫ 81


Сообщить о проблеме
Дата
15.02.2026
Язык
Русский
Состав
Сборочный чертеж приспособления (СБ),Спецификация (СП), Чертеж детали, Чертеж заготовки, Карты наладки, Технологический маршрут, Экономический плакат,Пояснительная записка (ПЗ), комплект технологических карт.
Софт
КОМПАС-3D 21 Как открыть?
Отзывов пока нет
Задать вопрос
Содержимое архива
  • icon-cdw Карты наладки А1.cdw
  • icon-doc Комплект карт.docx
  • icon-doc Пояснительная записка1.docx
  • icon-cdw Приспособление А1.cdw
  • icon-cdw Технологический маршрут А1.cdw
  • icon-cdw Чертеж детали А2.cdw
  • icon-cdw Чертеж заготовки А2.cdw
  • icon-cdw Экономический плакат (А1).cdw
  • icon-cdw спецификация к приспособлению (А4).cdw
Чтобы скачать чертеж, 3D модель или проект, Вы должны зарегистрироваться и принять участие в жизни сайта. Посмотрите, как тут скачивать файлы
Отзывов пока нет
Чтобы оставить отзыв, необходимо войти
Войти с помощью:

Используя функцию входа через сторонние сервисы, Вы соглашаетесь на обработку персональных данных в соответствии с Политикой конфиденциальности