Перейти к содержимому
Войти

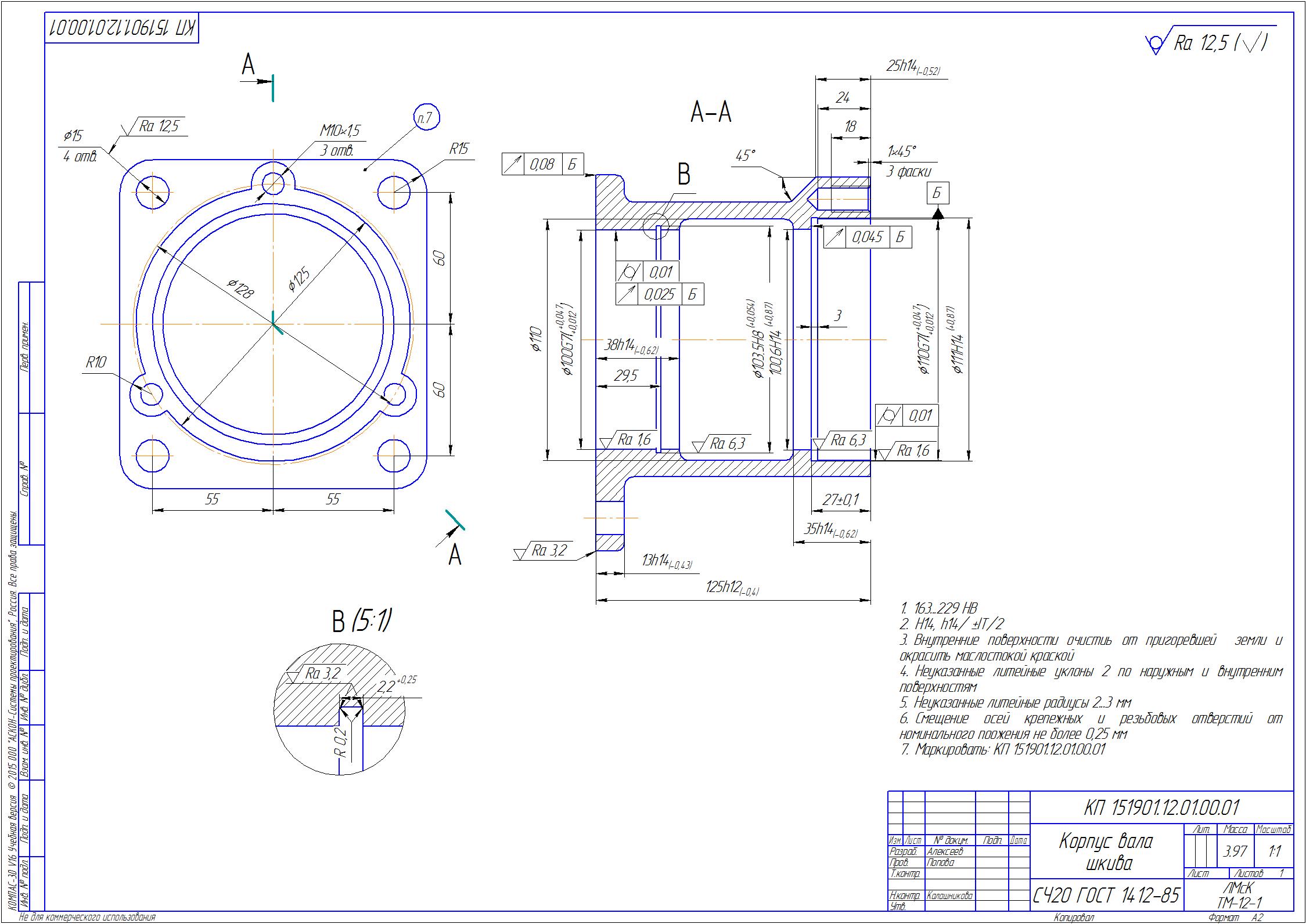
Проектирование технологического процесса изготовления детали «Корпус вала шкива» Т25-4212025В

1
168
4743
54
0
100

Липецкий машиностроительный колледж
Специальность 151901 "Технология машиностроения" базового уровня образования
Курсовой проект по дисциплине "Технология машиностроения"
На тему: "Проектирование технологического процесса изготовления детали «Корпус вала шкива» Т25-4212025В"

Исходнные данные "Корпус вала шкива" Т25-4212025В с годовой программой выпуска 4300 шт
Задачей курсового проекта является проектирование технологического процесса механической обработки детали «Корпус вала шкива» Т25-4212025В с годовой программой 4300 штук.
В проекте определён тип производства и составлен технологический процесс с учётом серийности. В технологическом процессе применены современное оборудование, оснастка, рассчитаны нормы времени.
Графическая часть содержит: чертеж детали, чертеж заготовки, расчетно-технологичекую карту на операцию, коплект технологической документации на 3 основные операции механической обработки и одну контрольную.
Содержание
Введение
1. Общий раздел
2. Технологический раздел
Заключение
Список используемой литературы


Сообщить о проблеме
Автор
user-avatar neal_caffrey
Дата
19.06.2016
Язык
Русский
Состав
Чертеж детали, чертеж заготовки , расчетно-технологическая карта на одну из операций, комплект технологической документации на 3 основные операции механической обработки и одну контрольную, ПЗ
Софт
КОМПАС-3D 16 Как открыть?
Отзывов пока нет
Задать вопрос
Содержимое архива
    • icon-xls 005 1OK.xlsx
    • icon-xls 005 2ОК.xls
    • icon-xls 010 1OK.xlsx
    • icon-xls 010 2ОК.xls
    • icon-xls 025 1OK.xlsx
    • icon-spw Ведомость КП.spw
    • icon-cdw Деталь14.cdw
    • icon-jpg Деталь14.jpg
    • icon-cdw Заготовка14.cdw
    • icon-cdw КЭ.cdw
    • icon-cdw КЭ2.cdw
    • icon-cdw КЭ 3.cdw
    • icon-frw Карты наладок.frw
    • icon-xls Контрольная карта.xls
    • icon-doc Курсач2.doc
    • icon-pdf Курсач2.pdf
    • icon-doc Лист 3 Ф-7 005.DOC
    • icon-xls Маршрутная карта лист1.xls
    • icon-xls Маршрутная карта лист 2.xls
    • icon-doc Отчет по практике.doc
    • icon-cdw РТК14.cdw
Чтобы скачать чертеж, 3D модель или проект, Вы должны зарегистрироваться и принять участие в жизни сайта. Посмотрите, как тут скачивать файлы
Отзывов пока нет
Чтобы оставить отзыв, необходимо войти
Войти с помощью:

Используя функцию входа через сторонние сервисы, Вы соглашаетесь на обработку персональных данных в соответствии с Политикой конфиденциальности