Межрегиональный центр компетенций - Чебоксарский электромеханический колледж
Курсовой проект по дисциплине "Технология машиностроения"
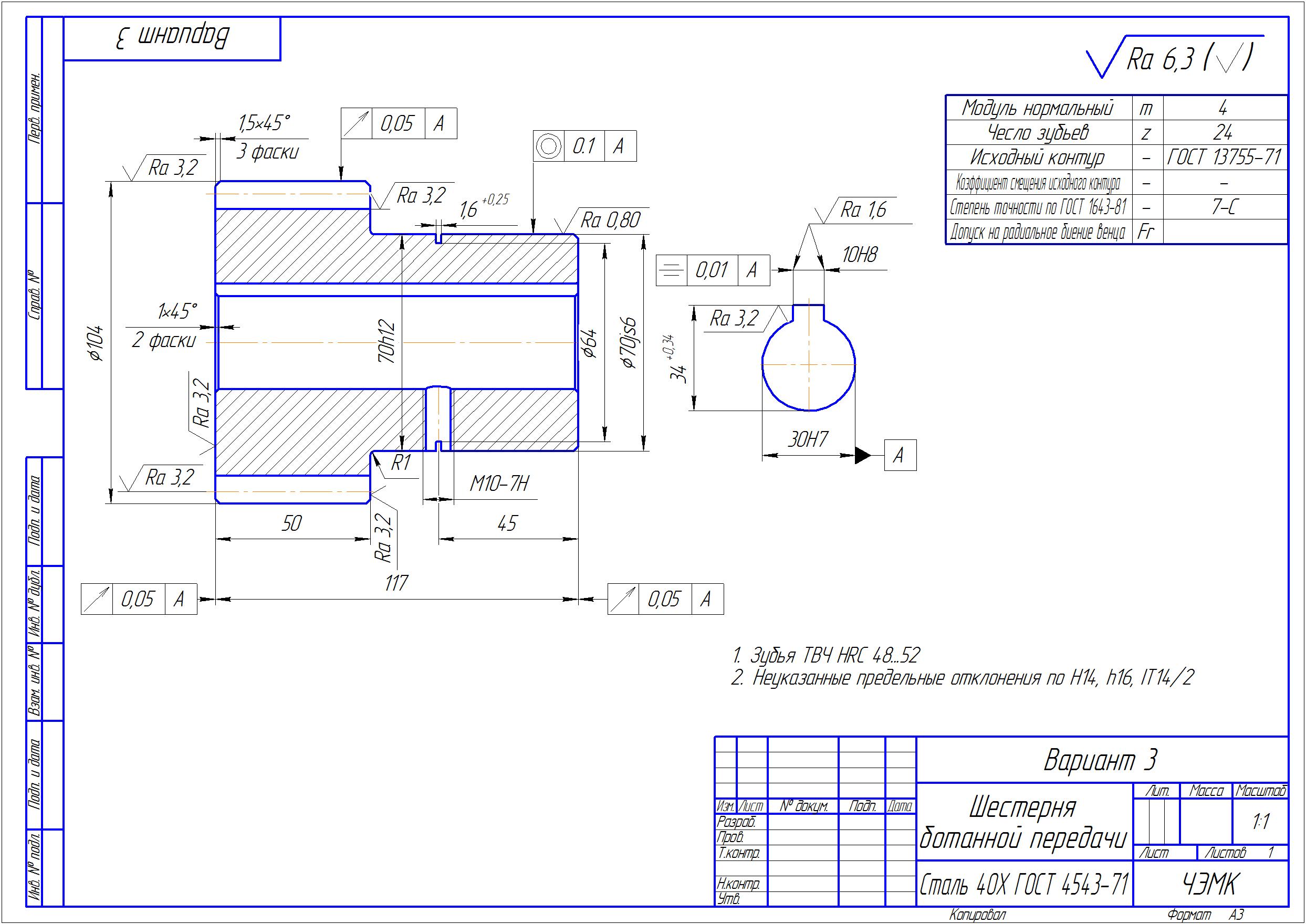
На тему: Проектирование технологического процесса изготовления детали «Шестерня ботанной коробки»
Чебоксары 2016
В данной работе будет рассмотрено проектирование технологического процесса изготовления детали «Шестерня ботанной коробки».
Главной целью которого является разработка маршрута обработки, подбора заготовки, для изготовления детали, необходимого оборудования, оснастки, режущего инструмента и оптимальных параметров резания.
Здравствуйте, либо это не совсем то либо есть несколько вариантов оформления технологического маршрута. Если конкретнее то я говорю про 4 столбик где должны быть технологические требования но их там нет. Можно как-то вернуть средства
Черте в архиве полностью соответствует картинке.
Я говорю и не про чертёж а про то что написано в документе word, там после 17 страницы технологический маршрут в 4 столбце нет технологических требований(только оборудование и ещё что-то). Также там расписаны только свободные и исполнительные поверхности, но нет ОКБ и ВКБ или это не относится к этому?
В различных учебных заведениях свои требования. Мы проверяем только соответствие заявленному в описании, да кстати работа для спо , поэтому возможны упрощения
Спасибо за ответы. Хоть я учусь тоже в колледже но я понял что преподаватель требует от нас больше
Используя функцию входа через сторонние сервисы, Вы соглашаетесь на обработку персональных данных в соответствии с Политикой конфиденциальности