Перейти к содержимому
Войти

Уважаемые пользователи, временно отключили платежи через ЮКассу. Работает запасной канал. Если у кого-то потерялся платеж за 21.04 напишите в форму контактов.

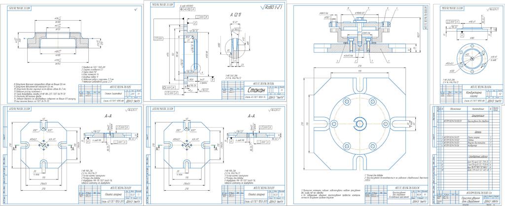
Разработка приспособления для сверления" (стакан гидроцилиндра)

0
0
35
0
0
50

МIНIСТЕРСТВО ОСВIТИ І НАУКИ УКРАЇНИ
ДЕРЖАВНИЙ ВИЩИЙ НАВЧАЛЬНИЙ ЗАКЛАД
«Ужгородський національний університет»
Інженерно-технічний факультет
Кафедра технології машинобудування
КУРСОВИЙ ПРОЄКТ
з дисципліни Технічне спорядження
на тему:«Розробка кондукторного пристрою для свердління отворів»
2025

Розробка пристосування для свердління шести отворів Ø105H12.
Завдання: Розробити пристосування для свердління отворів в деталі. В ТЗ надано робоче креслення деталі та серійність виробництва.
У даному курсовому проєкті розглядається деталь типу «стакан», для якої необхідно розробити оптимальний технологічний процес та спроєктувати пристосування для обробки. У ході роботи виконано аналіз конструкції деталі та її службового призначення, визначено технологічні можливості обробки, порівняно кілька методів отримання заготовки та обґрунтовано використання штампування для великосерійного виробництва

Річна програма випуску: 3600 шт/р.

ЗМІСТ

ТЕХНІЧНЕ ЗАВДАННЯ 3
ВСТУП 4
1 АНАЛІЗ СЛУЖБОВОГО ПРИЗНАЧЕННЯ, КОНСТРУКТИВНИХ ОСОБЛИВОСТЕЙ ДЕТАЛІ ТА УМОВ ЇЇ ЕКСПЛУАТАЦІЇ 5
2 АНАЛІЗ ТЕХНІЧНИХ ВИМОГ ДО ДЕТАЛІ 8
3 ВИЗНАЧЕННЯ ТИПУ ВИРОБНИЦТВА, ТАКТУ ВИПУСКУ ТА ПАРТІЇ ЗАПУСКУ 10
4 АНАЛІЗ ТЕХНОЛОГІЧНОСТІ КОНСТРУКЦІЇ ДЕТАЛІ 13
5 ВИБІР СПОСОБУ ОТРИМАННЯ ЗАГОТОВКИ ТА РОЗРОБКА
ТЕХНІЧНИХ ВИМОГ ДО НЕЇ 15
6 РОЗРОБКА ТЕХНОЛОГІЧНОГО ПРОЦЕСУ 18
7 ВИБІР ПРИСТОСУВАННЯ ДЛЯ МЕХАНІЧНОЇ ОБРОБКИ 21
8 РОЗРАХУНКОВА ЧАСТИНА 25
9 ОХОРОНА ПРАЦІ 31
ВИСНОВКИ 33
ВИКОРИСТАНА ЛІТЕРАТУРА 34


Сообщить о проблеме
Автор
user-avatar user-0185002
Дата
11.03.2026
Язык
Украинский
Состав
ПЗ, 3D сборка, чертеж детали, заготовки и основных элементов приспособления, сборочный чертеж, Спецификация
Софт
КОМПАС-3D 22 Как открыть?
Отзывов пока нет
Задать вопрос
Содержимое архива
    • icon-m3d Втулка.m3d
    • icon-frw Заготовка.frw
    • icon-frw Кондуктор.frw
    • icon-m3d Кондуктор.m3d
    • icon-doc ПЗ.docx
    • icon-m3d Палець.m3d
    • icon-m3d Плита опорна.m3d
    • icon-a3d Пристосування для свердління.a3d
    • icon-step Пристосування для свердління.stp
    • icon-cdw Складальне креслення.cdw
    • icon-frw Специфікація.frw
    • icon-spw Специфікація.spw
    • icon-frw Спец фрагм.frw
    • icon-frw Стакан.frw
    • icon-m3d Стакан.m3d
    • icon-cdw плита.cdw
Чтобы скачать чертеж, 3D модель или проект, Вы должны зарегистрироваться и принять участие в жизни сайта. Посмотрите, как тут скачивать файлы
Отзывов пока нет
Чтобы оставить отзыв, необходимо войти
Войти с помощью:

Используя функцию входа через сторонние сервисы, Вы соглашаетесь на обработку персональных данных в соответствии с Политикой конфиденциальности