Перейти к содержимому
Войти

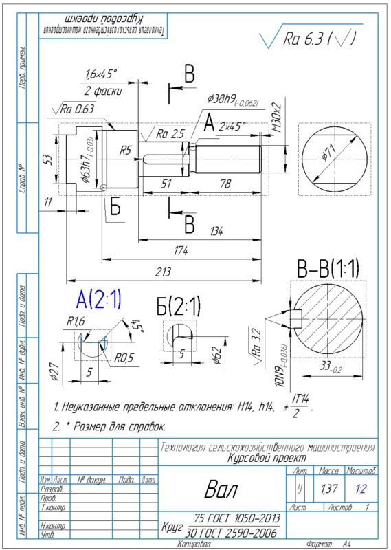
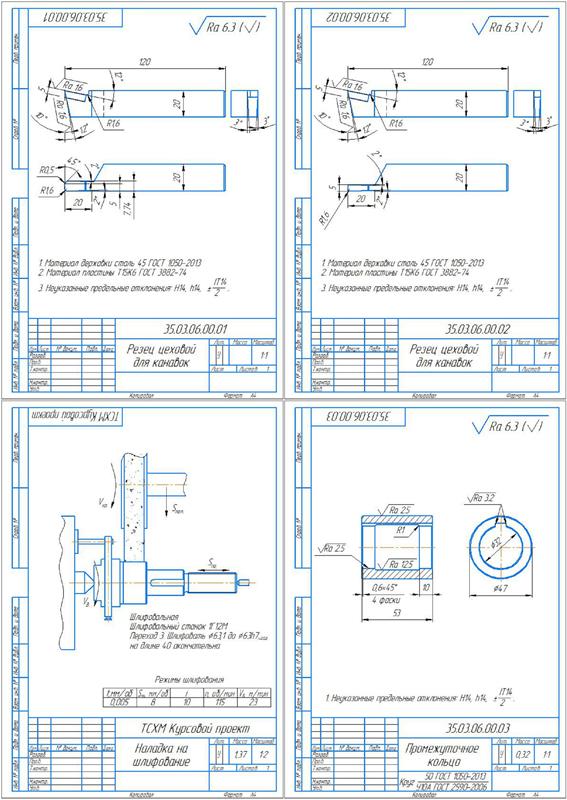
Технологический процесс механической обработки детали (вал) - вариант № 18

0
1
103
0
0
100

Министерство сельского хозяйства Российской Федерации
Федеральное государственное бюджетное образовательное учреждение высшего образования
«АЛТАЙСКИЙ ГОСУДАРСТВЕННЫЙ АГРАРНЫЙ УНИВЕРСИТЕТ»
Инженерный факультет Кафедра «ТКМ и РМ»
Дисциплина «Технологии сельскохозяйственного машиностроения»
Курсовой проект
Тема: «Разработка технологического процесса механической обработки вала»
Вариант № 18
год 2023

сталь с σВ = 490 МПа
Dзаг = 74.5 мм
Lзаг=216 мм
В курсовом проекте необходимо разработать технологический процесс механической обработки детали – Вал. Для этого необходимо проанализировать требования к точности и шероховатости обрабатываемых поверхностей, оформить маршрутную карту, карты эскизов, операционную карту на выбранную операцию. Заполнить технологическую карту и описать схему наладки.

Содержание
1. Рабочий чертеж 1
2. Выбор заготовки 2
3. Маршрут обработки 3
4. Выбор технологических баз и приспособлений 4
5. Выбор режущего инструмента 5
6. Разработка операционной технологии 6
7. Расчет норм времени на изготовление детали 6
Список используемой литературы 27


Сообщить о проблеме
Дата
18.11.2024
Язык
Русский
Состав
чертежи, пз, тп
Софт
КОМПАС-3D 21 Как открыть?
Отзывов пока нет
Задать вопрос
Содержимое архива
  • icon-doc
    BlankiTSKhM1.docx
  • icon-doc
    Kursovaya_TSKhM.docx
  • icon-cdw
    Naladka_na_shlifovanie.cdw
  • icon-cdw
    Promezhutochnoe_koltso__35_03_06_00_03.cdw
  • icon-cdw
    Rezets_tsekhovoy_dlya_kanavok_35_03_06_00_01.cdw
  • icon-cdw
    Rezets_tsekhovoy_dlya_kanavok_35_03_06_00_02.cdw
  • icon-cdw
    Val__Tekhnologia_mashinostroenia_kursovaya_rabota.cdw
Чтобы скачать чертеж, 3D модель или проект, Вы должны зарегистрироваться и принять участие в жизни сайта. Посмотрите, как тут скачивать файлы
Отзывов пока нет
Чтобы оставить отзыв, необходимо войти
Войти с помощью:

Используя функцию входа через сторонние сервисы, Вы соглашаетесь на обработку персональных данных в соответствии с Политикой конфиденциальности