Перейти к содержимому
Войти

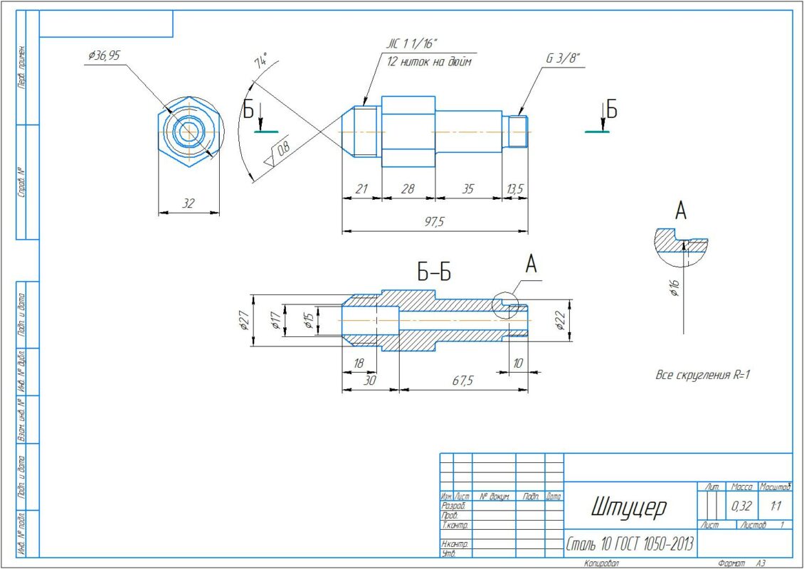
Штуцер парового контура для формы линии репликации виниловых пластинок Allegro Line II

0
0
107
13
0
Бесплатно

Чертеж штуцера для подводки гибкого РВД к форме линии репликации Allegro Line II.
Линия репликации Allegro Line II предназначена для репликации виниловых пластинок в автоматическом режиме. Цикл репликации 30-40 сек. За это время пресс-формы с матрицами нагреваются паром до 125-135 градусов С и затем охлаждаются до 70-60 градусов С. Пар и вода для охлаждения поступают по РВД, которые соединяются с формами через штуцер. Штуцер вкручивается в форму - резьба G 3/8. РВД накручивается на штуцер - конус JIC 1 1/16".

В процессе эксплуатации лопнула шейка штуцера у резьбы G 3/8. Изначально отверстие со стороны формы было ф12 мм. Конструкция формы позволила уменьшить ф до 10 мм., тем самым стенки детали стали толще и, как следствие, увеличился срок эксплуатации.


Сообщить о проблеме
Дата
17.12.2025
Язык
Русский
Состав
Модель одной деталью, чертеж.
Софт
КОМПАС-3D 22 Как открыть?
Отзывов пока нет
Задать вопрос
Содержимое архива
  • icon-cdw Штуцер.cdw
  • icon-m3d Штуцер ПК.m3d
Чтобы скачать чертеж, 3D модель или проект, Вы должны зарегистрироваться и принять участие в жизни сайта. Посмотрите, как тут скачивать файлы
Отзывов пока нет
Чтобы оставить отзыв, необходимо войти
Войти с помощью:

Используя функцию входа через сторонние сервисы, Вы соглашаетесь на обработку персональных данных в соответствии с Политикой конфиденциальности