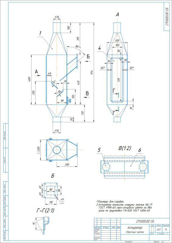
Аспиратор предназначен для очистки сыпучих материалов в потоке от примесей. Очищаемый материал подается через боковой фланец и ссыпается по лоткам в нижний патрубок. При этом поток воздуха снизу (через нижние боковые окна с заслонками) движется вверх и отводится в верхний патрубок. При этом с потоком воздуха из материала отводятся легкий мусор и примеси.
- Главная -
- Чертежи -
- Промышленность -
- Оборудование для технологических процессов -
- Очистка и сепарирование -
- Аспиратор для очистки сыпучих материалов.
Аспиратор для очистки сыпучих материалов.
0
1
18
0
0
100
Сообщить о проблеме
Автор
Дата
10.04.2026
Язык
Русский
Состав
Сборочные чертежи, спецификации, чертежи деталей
Софт
КОМПАС-3D 23
Как открыть?
Отзывов пока нет
Содержимое архива
-
-
211.00.000.cdw
-
211.00.000.spw
-
211.00.002.cdw
-
211.00.003.cdw
-
211.00.100.cdw
-
211.01.000.spw
-
211.01.001.cdw
-
211.01.002.cdw
-
211.01.003.cdw
-
211.01.004.cdw
-
211.01.006.cdw
-
211.01.007.cdw
-
211.01.008.cdw
-
211.01.011.cdw
-
211.01.012.cdw
-
211.01.018.cdw
-
Чтобы скачать чертеж, 3D модель или проект, Вы должны зарегистрироваться
и принять участие в жизни сайта. Посмотрите, как тут скачивать
файлы
Отзывов пока нет
Чтобы оставить отзыв, необходимо войти
Войти с помощью:
Используя функцию входа через сторонние сервисы, Вы соглашаетесь на обработку персональных данных в соответствии с Политикой конфиденциальности
Используя функцию входа через сторонние сервисы, Вы соглашаетесь на обработку персональных данных в соответствии с Политикой конфиденциальности