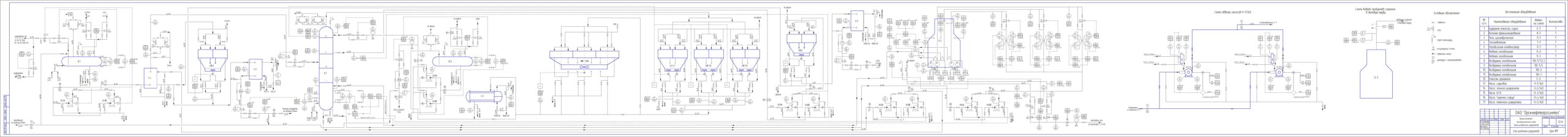
Принципиальная технологическая схема установки БРР на Орском НПЗ. Представляет собой подробную технологическую схему, включает элементы КИПа.
- Главная -
- Чертежи -
- Промышленность -
- Добывающая, горная промышленность -
- Нефть и Газ -
- Технологическая схема установки БРР (Блок разделения риформатов)
Технологическая схема установки БРР (Блок разделения риформатов)
0
15
944
6
0
20
блок разделения риформатов
БРР
каталитический риформинг
НПЗ
ОНОС
орскнефтеоргсинтез
принципиальная технологическая схема
Технологическая схема
Сообщить о проблеме
Автор
Дата
08.12.2017
Язык
Русский
Состав
Технологическая схема
Софт
КОМПАС-3D 16
Как открыть?
Отзывов пока нет
Содержимое архива
-
Skhema_Brr.cdw
Чтобы скачать чертеж, 3D модель или проект, Вы должны зарегистрироваться
и принять участие в жизни сайта. Посмотрите, как тут скачивать
файлы
Отзывов пока нет
Чтобы оставить отзыв, необходимо войти
Войти с помощью:
Используя функцию входа через сторонние сервисы, Вы соглашаетесь на обработку персональных данных в соответствии с Политикой конфиденциальности
Используя функцию входа через сторонние сервисы, Вы соглашаетесь на обработку персональных данных в соответствии с Политикой конфиденциальности