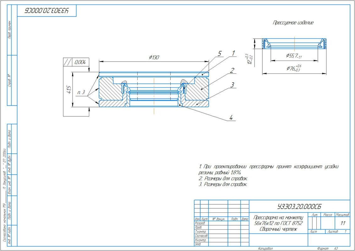
Инструмент для придания сырой резины заданной формы, ее уплотнения и вулканизации под действием высокого давления и температуры.
- Главная -
- Чертежи -
- Промышленность -
- Металлургия -
- Литейное производство и пресс-формы -
- Прессформа на манжету 56х76х12 по ГОСТ 8752
Прессформа на манжету 56х76х12 по ГОСТ 8752
0
0
23
0
0
80
Сообщить о проблеме
Автор
Дата
29.01.2026
Язык
Русский
Состав
Прессформа на манжету 56х76х12 по ГОСТ 8752. Пуансон УЗЭ03.20.001. Обойма УЗЭ03.20.002. Знак УЗЭ03.20.003. Вставка УЗЭ03.20.004. Каркас УЗЭ03.20.005.
Софт
КОМПАС-3D 23 и выше
Как открыть?
Отзывов пока нет
Содержимое архива
-
УЗЭ03.20.000СБ.cdw
-
УЗЭ03.20.000СБ.spw
-
УЗЭ03.20.001.cdw
-
УЗЭ03.20.002.cdw
-
УЗЭ03.20.003.cdw
-
УЗЭ03.20.004.cdw
-
УЗЭ03.20.005.cdw
Чтобы скачать чертеж, 3D модель или проект, Вы должны зарегистрироваться
и принять участие в жизни сайта. Посмотрите, как тут скачивать
файлы
Задания с фриланса
3д и кд на мини погрузчик типа Taian DY620, DY840, Multione 5 series, Multione 7 series, Avant
договорная
18.02.2026
4 недели назад
Отзывов пока нет
Чтобы оставить отзыв, необходимо войти
Войти с помощью:
Используя функцию входа через сторонние сервисы, Вы соглашаетесь на обработку персональных данных в соответствии с Политикой конфиденциальности
Используя функцию входа через сторонние сервисы, Вы соглашаетесь на обработку персональных данных в соответствии с Политикой конфиденциальности