Перейти к содержимому
Войти

Разработка технологического процесса изготовления отливки из стали

0
51
736
2
0
50

НИТУ МИСиС
Кафедра ЛТиХОМ
Курсовая работа по дисциплине "Производство отливок из стали и чугуна"
На тему: Разработка технологического процесса изготовления отливки из стали
Москва 2015

Содержание

1.1. Анализ задания и принятие общей концепции его выполнения
1.2. Пространственное представление детали
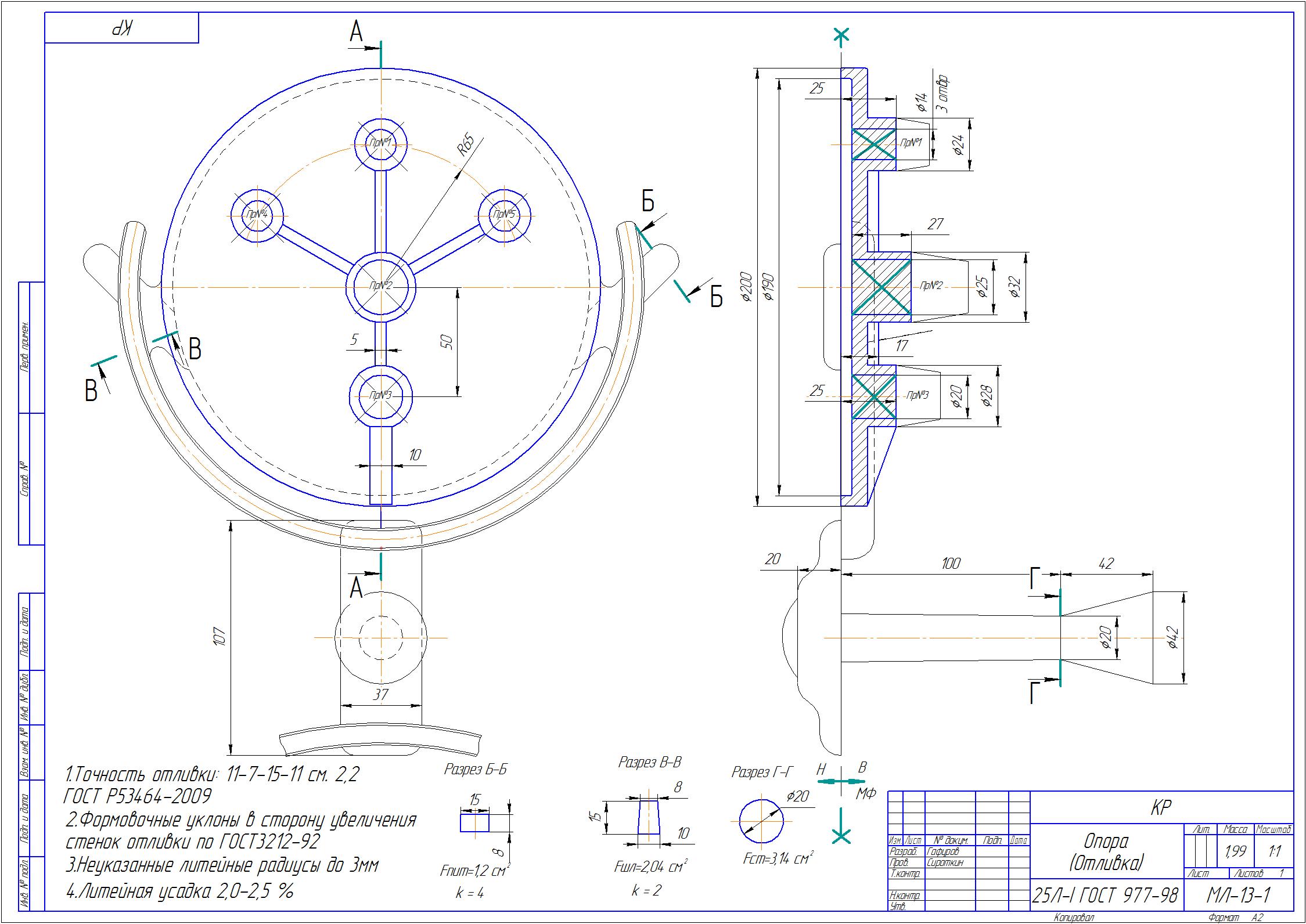
Объемное изображение детали «Опора» . Габаритные размеры: 200х30 2
1.3. Определение технологичности
1.4. Выбор способа изготовления
1.5. Определение поверхности разъема формы и модели
1.6. Назначение припусков на механическую обработку отливок, определение точности размеров и массы отливки (ГОСТ Р 53464-2009)
1.6.1. Класс размерной точности отливки (прилож.1)
1.6.2. Допуски размеров отливки (табл. 1.1)
1.6.3. Степень точности поверхности отливки (прилож. 3)
1.6.4. Ряд припусков (прилож. 6)
1.6.5. Степень коробления элементов отливок (прилож. 2)
1.6.6. Допуск формы (табл. 1.2)
1.6.7. Механическая обработка
1.6.11. Класс точности массы отливки (прилож. 5).
1.6.12. Допуск массы отливки (табл. 1.4).
1.7. Назначение усадки отливки
1.8. Назначение формовочных уклонов и галтелей (ГОСТ 3212-92)
1.9. Установка границ стержней и знаков
1.10. Определить классы точности и допусков размеров модельных комплектов
1.11. Расчет элементов литниковой системы
2. Разработка технологии изготовления литейной формы
3. Разработка технологии выплавки сплава.
3.1 Выбор плавильного агрегата
4. Разработка технологии сборки форм и заливки их сплавом
4.1 Определение температурных параметров литья
4.2 Выбивка отливок из форм
4.3. Выбор методов обрубки, очистки и зачистки отливок
4.4 Методы контроля качества отливки
Список использованной литературы


Сообщить о проблеме
Дата
14.04.2017
Язык
Русский
Состав
Пояснительная записка, Чертеж отливки с литниковой системой
Софт
КОМПАС-3D V16.1 Как открыть?
Отзывов пока нет
Задать вопрос
Содержимое архива
    • icon-doc
      Пояснительная записка (25Л-I).docx
    • icon-cdw
      Чертеж ОпорА 25Л-I.cdw
    • icon-jpg
      Чертеж ОпорА 25Л-I.jpg
Чтобы скачать чертеж, 3D модель или проект, Вы должны зарегистрироваться и принять участие в жизни сайта. Посмотрите, как тут скачивать файлы
Отзывов пока нет
Чтобы оставить отзыв, необходимо войти
Войти с помощью:

Используя функцию входа через сторонние сервисы, Вы соглашаетесь на обработку персональных данных в соответствии с Политикой конфиденциальности