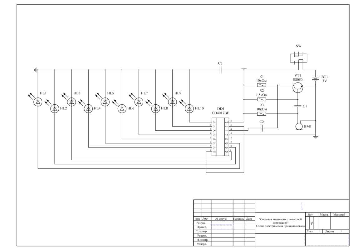
Световая индикация с голосовой активацией.
Принцип работы устройства заключается в изменении «светового эффекта» под внешним «акустическим» воздействием.
Взаимодействие с данным устройством осуществляется за счёт изменения параметров звука, десять светодиодов меняются в зависимости от громкости звука, чем громче звук, тем интенсивнее индикаторы подсветки мигают.
Световая индикация с голосовой активацией
0
0
175
0
0
20
Сообщить о проблеме
Автор
Дата
03.06.2024
Язык
Русский
Состав
Схема электрическая принципиальная + Печатная плата (картинкой) + Перечень элементов
Софт
SPlan7 8
Отзывов пока нет
Содержимое архива
-
Световая индикация с голосовой.spl8
Чтобы скачать чертеж, 3D модель или проект, Вы должны зарегистрироваться
и принять участие в жизни сайта. Посмотрите, как тут скачивать
файлы
Задания с фриланса
Построить схему абсорбера, согласно требованиям, предъявляемым к данному виду очистных аппаратов
договорная
2 недели назад
Отзывов пока нет
Чтобы оставить отзыв, необходимо войти
Войти с помощью:
Используя функцию входа через сторонние сервисы, Вы соглашаетесь на обработку персональных данных в соответствии с Политикой конфиденциальности
Используя функцию входа через сторонние сервисы, Вы соглашаетесь на обработку персональных данных в соответствии с Политикой конфиденциальности