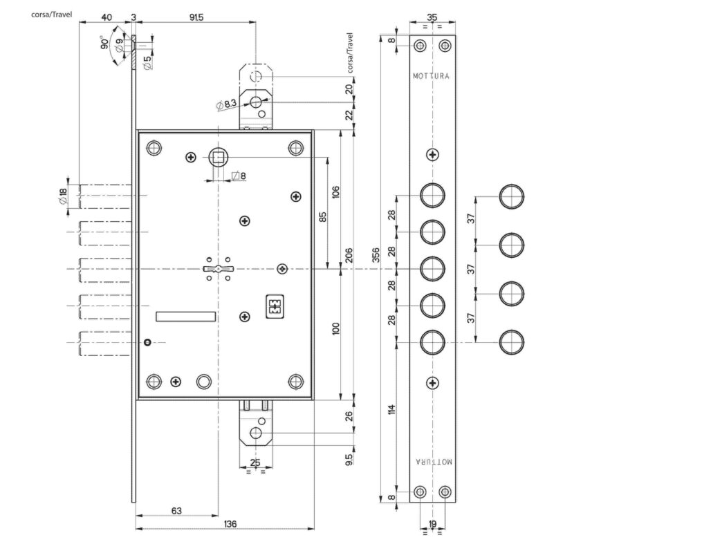
Замок Мottura 52.783, сам искал модель для использования в проектировании двери, пришлось искать документацию на замок и прорисовывать самостоятельно
- Главная -
- Чертежи -
- Строительство -
- Интерьер и мебель -
- Замок Мottura 52.783
Замок Мottura 52.783
0
0
44
6
0
Бесплатно
Сообщить о проблеме
Автор
Дата
09.12.2025
Язык
Русский
Состав
Модель одной деталью
Софт
SolidWorks 23
Как открыть?
Отзывов пока нет
Содержимое архива
-
mottura 52.783.SLDPRT
-
mottura 52.783.STEP
Чтобы скачать чертеж, 3D модель или проект, Вы должны зарегистрироваться
и принять участие в жизни сайта. Посмотрите, как тут скачивать
файлы
Задания с фриланса
3д и кд на мини погрузчик типа Taian DY620, DY840, Multione 5 series, Multione 7 series, Avant
договорная
3 недели назад
Отзывов пока нет
Чтобы оставить отзыв, необходимо войти
Войти с помощью:
Используя функцию входа через сторонние сервисы, Вы соглашаетесь на обработку персональных данных в соответствии с Политикой конфиденциальности
Используя функцию входа через сторонние сервисы, Вы соглашаетесь на обработку персональных данных в соответствии с Политикой конфиденциальности