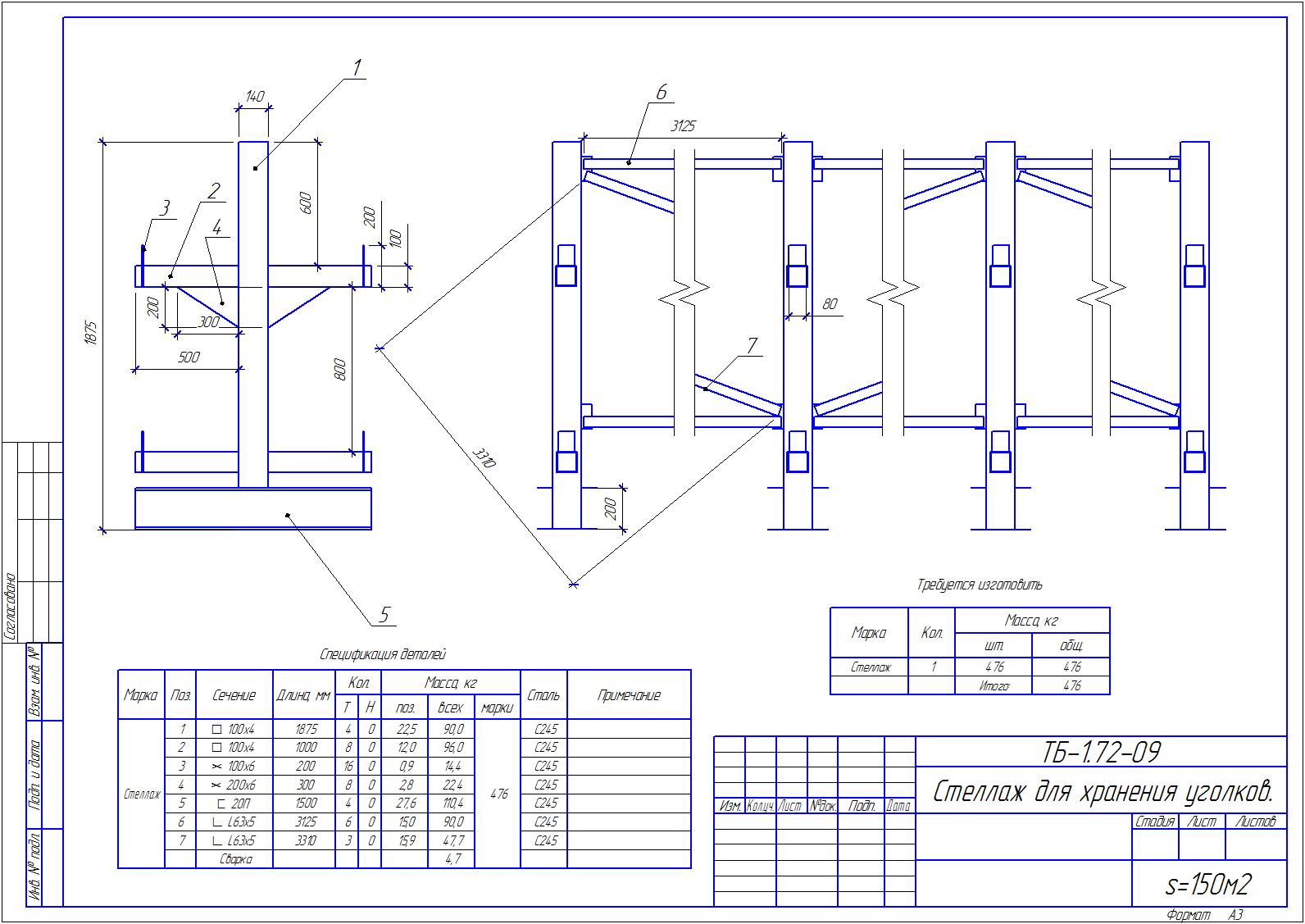
Стеллаж для хранения уголков (металлопрокат), применяется на заводе по изготовлению металлоконструкций.
- Главная -
- Чертежи -
- Строительство -
- Металлоконструкции -
- Cтеллаж для хранения уголков
Cтеллаж для хранения уголков
0
6
751
57
0
Бесплатно

Сообщить о проблеме
Автор

Дата
05.07.2021
Язык
Русский
Состав
чертеж
Софт
КОМПАС-3D 16
Как открыть?
Отзывов пока нет
Содержимое архива
Чтобы скачать чертеж, 3D модель или проект, Вы должны зарегистрироваться
и принять участие в жизни сайта. Посмотрите, как тут скачивать
файлы
Отзывов пока нет
Чтобы задать вопрос, необходимо войти
Войти с помощью:
Ссылка на логин через google
Ссылка на логин через vk
Ссылка на логин через yandex