Перейти к содержимому
Войти

Уважаемые пользователи! В настоящий момент платежи через ЮKassa временно недоступны в связи с техническими неполадками на стороне сервиса. Функционирует резервный канал оплаты. Если у кого-то из вас не прошёл платёж за 27.04 напишите пожалуйста в контакты.

Площадка обслуживания h=3.3м

0
3
209
32
0
Бесплатно

Площадка обслуживания. Конструкции металлические деталировочные (КМД)
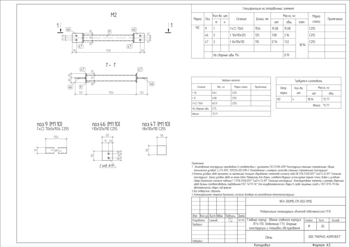
Модернизация генерирующих объектов Новочеркасской ГРЭС. Главный корпус. Здание главного корпуса . ПГУ-170. Отделение ГТУ. Опорные конструкции и площадки обслуживания


Сообщить о проблеме
Дата
24.02.2026
Язык
Русский
Состав
Сборочный чертеж (СБ), Деталировка
Софт
Отзывов пока нет
Задать вопрос
Содержимое архива
      • icon-ads revision_М1 л.04_-1.upd
      • icon-ads revision_М2 л.05_-1.upd
      • icon-ads revision_М3 л.06_-1.upd
      • icon-ads revision_М4 л.07_-1.upd
      • icon-ads revision_М5 л.08_-1.upd
      • icon-ads revision_М6 л.09_-1.upd
      • icon-ads revision_М7 л.10_-1.upd
      • icon-ads revision_М8 л.11_-1.upd
      • icon-ads revision_М9 л.12_-1.upd
      • icon-ads revision_М10 л.13_-1.upd
      • icon-ads revision_М11 л.14_-1.upd
      • icon-ads revision_М12 л.15_-1.upd
      • icon-ads revision_М13 л.16_-1.upd
      • icon-ads revision_М14 л.17_-1.upd
      • icon-ads revision_М15 л.18_-1.upd
      • icon-ads revision_М16 л.19_-1.upd
      • icon-ads revision_М17 л.20_-1.upd
      • icon-ads revision_М18 л.21_-1.upd
      • icon-ads revision_М19 л.22_-1.upd
      • icon-ads revision_М20 л.23_-1.upd
      • icon-ads revision_М21 л.24_-1.upd
      • icon-ads revision_М22 л.25_-1.upd
      • icon-ads revision_М23 л.26_-1.upd
      • icon-ads revision_М24 л.27_-1.upd
      • icon-ads revision_М25 л.28_-1.upd
      • icon-ads revision_М26 л.29_-1.upd
      • icon-ads revision_М27 л.30_-1.upd
      • icon-ads revision_М28 л.31_-1.upd
      • icon-ads revision_М29 л.32_-1.upd
      • icon-ads revision_М30 л.33_-1.upd
      • icon-ads revision_М31 л.34_-1.upd
      • icon-ads revision_М32 л.35_-1.upd
      • icon-ads revision_М33 л.36_-1.upd
      • icon-ads revision_М34 л.37_-1.upd
      • icon-ads revision_М35 л.38_-1.upd
      • icon-ads revision_М36 л.39_-1.upd
      • icon-ads revision_М37 л.40_-1.upd
      • icon-ads revision_М38 л.41_-1.upd
      • icon-ads revision_М39 л.42_-1.upd
      • icon-ads revision_М40 л.43_-1.upd
      • icon-ads revision_М41 л.44_-1.upd
      • icon-ads revision_М42 л.45_-1.upd
      • icon-ads revision_М43 л.46_-1.upd
      • icon-ads revision_М44 л.47_-1.upd
      • icon-ads revision_М45 л.48_-1.upd
      • icon-ads revision_М46 л.49_-1.upd
      • icon-ads revision_М47 л.50_-1.upd
      • icon-ads revision_М48 л.51_-1.upd
      • icon-ads revision_М49 л.52_-1.upd
      • icon-ads revision_М50 л.53_-1.upd
      • icon-ads revision_М51 л.54_-1.upd
      • icon-ads revision_М52 л.55_-1.upd
      • icon-ads revision_М53 л.56_-1.upd
      • icon-ads revision_М54 л.57_-1.upd
      • icon-ads revision_М55 л.58_-1.upd
      • icon-ads revision_М56 л.59_-1.upd
      • icon-ads revision_М57 л.60_-1.upd
      • icon-ads revision_М58 л.61_-1.upd
      • icon-ads revision_л.01_-1.upd
      • icon-ads revision_л.02_-1.upd
      • icon-ads revision_л.03_-1.upd
      • icon-ads revision_л.тл2_-1.upd
      • icon-ads revision_л.тл_-1.upd
      • icon-dwg М1 л.04.dwg
      • icon-ads М1 л.04.upd
      • icon-dwg М2 л.05.dwg
      • icon-ads М2 л.05.upd
      • icon-dwg М3 л.06.dwg
      • icon-ads М3 л.06.upd
      • icon-dwg М4 л.07.dwg
      • icon-ads М4 л.07.upd
      • icon-dwg М5 л.08.dwg
      • icon-ads М5 л.08.upd
      • icon-dwg М6 л.09.dwg
      • icon-ads М6 л.09.upd
      • icon-dwg М7 л.10.dwg
      • icon-ads М7 л.10.upd
      • icon-dwg М8 л.11.dwg
      • icon-ads М8 л.11.upd
      • icon-dwg М9 л.12.dwg
      • icon-ads М9 л.12.upd
      • icon-dwg М10 л.13.dwg
      • icon-ads М10 л.13.upd
      • icon-dwg М11 л.14.dwg
      • icon-ads М11 л.14.upd
      • icon-dwg М12 л.15.dwg
      • icon-ads М12 л.15.upd
      • icon-dwg М13 л.16.dwg
      • icon-ads М13 л.16.upd
      • icon-dwg М14 л.17.dwg
      • icon-ads М14 л.17.upd
      • icon-dwg М15 л.18.dwg
      • icon-ads М15 л.18.upd
      • icon-dwg М16 л.19.dwg
      • icon-ads М16 л.19.upd
      • icon-dwg М17 л.20.dwg
      • icon-ads М17 л.20.upd
      • icon-dwg М18 л.21.dwg
      • icon-ads М18 л.21.upd
      • icon-dwg М19 л.22.dwg
      • icon-ads М19 л.22.upd
      • icon-dwg М20 л.23.dwg
      • icon-ads М20 л.23.upd
      • icon-dwg М21 л.24.dwg
      • icon-ads М21 л.24.upd
      • icon-dwg М22 л.25.dwg
      • icon-ads М22 л.25.upd
      • icon-dwg М23 л.26.dwg
      • icon-ads М23 л.26.upd
      • icon-dwg М24 л.27.dwg
      • icon-ads М24 л.27.upd
      • icon-dwg М25 л.28.dwg
      • icon-ads М25 л.28.upd
      • icon-dwg М26 л.29.dwg
      • icon-ads М26 л.29.upd
      • icon-dwg М27 л.30.dwg
      • icon-ads М27 л.30.upd
      • icon-dwg М28 л.31.dwg
      • icon-ads М28 л.31.upd
      • icon-dwg М29 л.32.dwg
      • icon-ads М29 л.32.upd
      • icon-dwg М30 л.33.dwg
      • icon-ads М30 л.33.upd
      • icon-dwg М31 л.34.dwg
      • icon-ads М31 л.34.upd
      • icon-dwg М32 л.35.dwg
      • icon-ads М32 л.35.upd
      • icon-dwg М33 л.36.dwg
      • icon-ads М33 л.36.upd
      • icon-dwg М34 л.37.dwg
      • icon-ads М34 л.37.upd
      • icon-dwg М35 л.38.dwg
      • icon-ads М35 л.38.upd
      • icon-dwg М36 л.39.dwg
      • icon-ads М36 л.39.upd
      • icon-dwg М37 л.40.dwg
      • icon-ads М37 л.40.upd
      • icon-dwg М38 л.41.dwg
      • icon-ads М38 л.41.upd
      • icon-dwg М39 л.42.dwg
      • icon-ads М39 л.42.upd
      • icon-dwg М40 л.43.dwg
      • icon-ads М40 л.43.upd
      • icon-dwg М41 л.44.dwg
      • icon-ads М41 л.44.upd
      • icon-dwg М42 л.45.dwg
      • icon-ads М42 л.45.upd
      • icon-dwg М43 л.46.dwg
      • icon-ads М43 л.46.upd
      • icon-dwg М44 л.47.dwg
      • icon-ads М44 л.47.upd
      • icon-dwg М45 л.48.dwg
      • icon-ads М45 л.48.upd
      • icon-dwg М46 л.49.dwg
      • icon-ads М46 л.49.upd
      • icon-dwg М47 л.50.dwg
      • icon-ads М47 л.50.upd
      • icon-dwg М48 л.51.dwg
      • icon-ads М48 л.51.upd
      • icon-dwg М49 л.52.dwg
      • icon-ads М49 л.52.upd
      • icon-dwg М50 л.53.dwg
      • icon-ads М50 л.53.upd
      • icon-dwg М51 л.54.dwg
      • icon-ads М51 л.54.upd
      • icon-dwg М52 л.55.dwg
      • icon-ads М52 л.55.upd
      • icon-dwg М53 л.56.dwg
      • icon-ads М53 л.56.upd
      • icon-dwg М54 л.57.dwg
      • icon-ads М54 л.57.upd
      • icon-dwg М55 л.58.dwg
      • icon-ads М55 л.58.upd
      • icon-dwg М56 л.59.dwg
      • icon-ads М56 л.59.upd
      • icon-dwg М57 л.60.dwg
      • icon-ads М57 л.60.upd
      • icon-dwg М58 л.61.dwg
      • icon-ads М58 л.61.upd
      • icon-dwg л.01.dwg
      • icon-ads л.01.upd
      • icon-dwg л.02.dwg
      • icon-ads л.02.upd
      • icon-dwg л.03.dwg
      • icon-ads л.03.upd
      • icon-dwg л.тл.dwg
      • icon-ads л.тл.upd
      • icon-dwg л.тл2.dwg
      • icon-ads л.тл2.upd
      • icon-dwg М1 л.04.dwg
      • icon-dwg М2 л.05.dwg
      • icon-dwg М3 л.06.dwg
      • icon-dwg М4 л.07.dwg
      • icon-dwg М5 л.08.dwg
      • icon-dwg М6 л.09.dwg
      • icon-dwg М7 л.10.dwg
      • icon-dwg М8 л.11.dwg
      • icon-dwg М9 л.12.dwg
      • icon-dwg М10 л.13.dwg
      • icon-dwg М11 л.14.dwg
      • icon-dwg М12 л.15.dwg
      • icon-dwg М13 л.16.dwg
      • icon-dwg М14 л.17.dwg
      • icon-dwg М15 л.18.dwg
      • icon-dwg М16 л.19.dwg
      • icon-dwg М17 л.20.dwg
      • icon-dwg М18 л.21.dwg
      • icon-dwg М19 л.22.dwg
      • icon-dwg М20 л.23.dwg
      • icon-dwg М21 л.24.dwg
      • icon-dwg М22 л.25.dwg
      • icon-dwg М23 л.26.dwg
      • icon-dwg М24 л.27.dwg
      • icon-dwg М25 л.28.dwg
      • icon-dwg М26 л.29.dwg
      • icon-dwg М27 л.30.dwg
      • icon-dwg М28 л.31.dwg
      • icon-dwg М29 л.32.dwg
      • icon-dwg М30 л.33.dwg
      • icon-dwg М31 л.34.dwg
      • icon-dwg М32 л.35.dwg
      • icon-dwg М33 л.36.dwg
      • icon-dwg М34 л.37.dwg
      • icon-dwg М35 л.38.dwg
      • icon-dwg М36 л.39.dwg
      • icon-dwg М37 л.40.dwg
      • icon-dwg М38 л.41.dwg
      • icon-dwg М39 л.42.dwg
      • icon-dwg М40 л.43.dwg
      • icon-dwg М41 л.44.dwg
      • icon-dwg М42 л.45.dwg
      • icon-dwg М43 л.46.dwg
      • icon-dwg М44 л.47.dwg
      • icon-dwg М45 л.48.dwg
      • icon-dwg М46 л.49.dwg
      • icon-dwg М47 л.50.dwg
      • icon-dwg М48 л.51.dwg
      • icon-dwg М49 л.52.dwg
      • icon-dwg М50 л.53.dwg
      • icon-dwg М51 л.54.dwg
      • icon-dwg М52 л.55.dwg
      • icon-dwg М53 л.56.dwg
      • icon-dwg М54 л.57.dwg
      • icon-dwg М55 л.58.dwg
      • icon-dwg М56 л.59.dwg
      • icon-dwg М57 л.60.dwg
      • icon-dwg М58 л.61.dwg
      • icon-dwg л.01.dwg
      • icon-dwg л.02.dwg
      • icon-dwg л.03.dwg
      • icon-dwg л.тл.dwg
      • icon-dwg л.тл2.dwg
        • icon-ads 44.nc.upd
        • icon-ads 45.nc.upd
        • icon-ads 46.nc.upd
        • icon-ads 47.nc.upd
        • icon-ads 48.nc.upd
        • icon-ads 49.nc.upd
        • icon-ads 50.nc.upd
        • icon-ads 51.nc.upd
        • icon-ads 52.nc.upd
        • icon-ads 53.nc.upd
        • icon-ads 54.nc.upd
        • icon-ads 55.nc.upd
        • icon-ads 56.nc.upd
        • icon-ads 57.nc.upd
        • icon-ads 58.nc.upd
        • icon-ads 59.nc.upd
        • icon-ads 60.nc.upd
        • icon-ads 61.nc.upd
        • icon-ads 63.nc.upd
        • icon-ads 64.nc.upd
        • icon-ads 65.nc.upd
        • icon-ads 66.nc.upd
        • icon-ads 67.nc.upd
        • icon-ads 68.nc.upd
        • icon-ads 70.nc.upd
        • icon-ads 71.nc.upd
        • icon-ads 72.nc.upd
        • icon-ads 73.nc.upd
        • icon-ads 74.nc.upd
        • icon-ads 75.nc.upd
        • icon-ads 76.nc.upd
        • icon-ads 77.nc.upd
        • icon-ads 78.nc.upd
        • icon-ads 79.nc.upd
        • icon-ads 80.nc.upd
        • icon-ads 81.nc.upd
        • icon-ads 89.nc.upd
      • icon-xml Ext_2026_01_10_18-18-35.xml
Чтобы скачать чертеж, 3D модель или проект, Вы должны зарегистрироваться и принять участие в жизни сайта. Посмотрите, как тут скачивать файлы
Отзывов пока нет
Чтобы оставить отзыв, необходимо войти
Войти с помощью:

Используя функцию входа через сторонние сервисы, Вы соглашаетесь на обработку персональных данных в соответствии с Политикой конфиденциальности