Перейти к содержимому
Войти

Курсовой проект "Ремонтно – механическая мастерская"

0
0
59
1
0
50

Запорожский строительный колледж, 2023 год
Строительные конструкции

Курсовой проект "Ремонтно – механическая мастерская"
ВИХІДНІ ДАНІ
Об’ємно-планіровочну і конструктивну схему будівлі прийняти згідно з завданням
Матеріал і конструкції основних елементів будівель:
Фундаменти стовпчастого типу збірний з/б
Зовнішні стіни Панелі з легкого бетону
Каркас збірний з/б
Покрівля /покриття 2х шарова рулонна

Географічний пункт будівництва: м. Черкаси

Зміст
Вступ
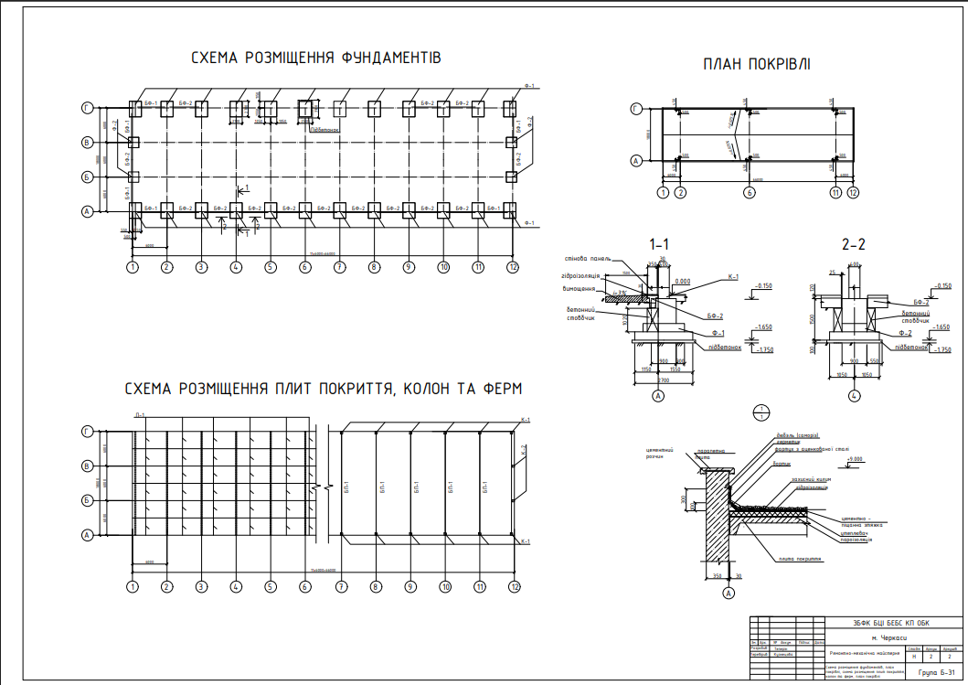
Відомість креслень основного комплекту
1. Архітектурно-будівельна частина
1.1 Район будівництва
1.2 Генплан
1.3 Загальна характеристика будівлі
1.4 Об'ємно-планувальні рішення
1.5 Конструктивна схема будівлі
1.6 Експлікація приміщень
1.7 ТЕП будівлі
1.8 Стислий опис прийнятих конструктивних елементів будівлі
1.8.1 Фундаменти, фундаментні балки.
1.8.2 Вимощення
1.8.3 Колони
1.8.4 Кроквяні конструкції
1.8.5 Плити покриття
1.8.6 Стіни і перегородки
1.8.7 Покрівля
1.8.8 Вікна,двері,ворота
1.8.9 Підлоги
1.8.10 Зовнішнє і внутрішнє оздоблення
1.8.11 Інженерне обладнання
1.8.12 Специфікація збірних з.-б. конструкцій
1.8.13 Специфікація елементів заповнення прорізів
2.Перелік використаних джерел.


Сообщить о проблеме
Автор
user-avatar user-2273488
Дата
01.12.2025
Язык
Украинский
Состав
Чертежи, записка
Софт
Отзывов пока нет
Задать вопрос
Содержимое архива
  • icon-doc
    Ремонтно – механічна майстерня.docx
  • icon-dwg
    Ремонтно – механічна майстерня.dwg
Чтобы скачать чертеж, 3D модель или проект, Вы должны зарегистрироваться и принять участие в жизни сайта. Посмотрите, как тут скачивать файлы
Отзывов пока нет
Чтобы оставить отзыв, необходимо войти
Войти с помощью:

Используя функцию входа через сторонние сервисы, Вы соглашаетесь на обработку персональных данных в соответствии с Политикой конфиденциальности