Омский государственный университет путей сообщения
Кафедра «Технология транспортного машиностроения
и ремонта подвижного состава»
Выпускная квалификационная работа на тему : "Разработка технологического процесса изготовления корпусной детали топливораспределительной аппаратуры авиационного двигателя "
Омск 2015
Выпускная квалификационная работа содержит 153 страницы, 48 рисунков, 12 таблиц, 20 источников, 2 приложения, 6 листов графического материала.
Корпус детали топливораспределительной аппаратуры авиационного двигателя, скальчатый портальный кондуктор с пневматическим зажимом, технологический процесс.
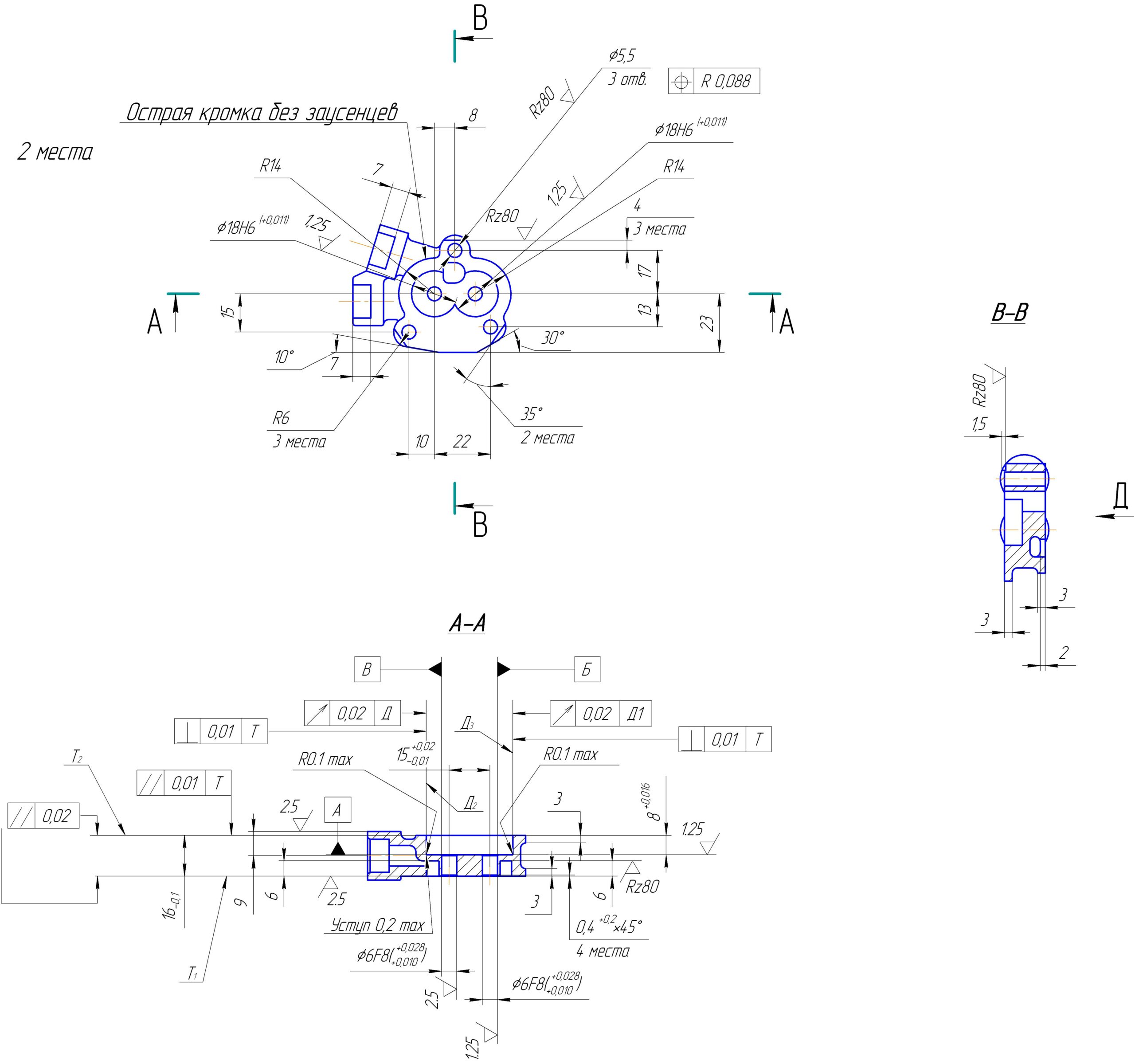
Объектом проектирования является разработка технологического процесса изготовления корпуса детали топливораспределительной аппаратуры авиационного двигателя.
Цель работы – разработка технологического процесса изготовления корпуса детали топливораспределительной аппаратуры авиационного двигателя, предусматривающего применение современного технологического оборудования и средств технологического оснащения производства.
В процессе работы разработан технологический процесс изготовления корпуса детали топливораспределительной аппаратуры авиационного двигателя и спроектировано приспособление ‒ скальчатый портальный кондуктор с пневматическим зажимом для сверления отверстий.
Достигнутые технико-эксплуатационные показатели: увеличение производительности, повышение качества и эффективности обработки поверхностей.
Напишите пожалуйста что входит в пояснительную записку
Введение 7
1 Конструкторско-технологический анализ корпуса детали топливораспределительной аппаратуры авиационного двигателя 9
1.1 Описание конструкции 9
1.2 Анализ технологичности конструкции 10
1.3 Описание материала для изготовления корпуса 14
1.4 Определение типа производства 14
1.5 Выбор исходной заготовки 18
1.6 Расчёты общего и операционных припусков по методу В.М. Кована 21
1.7 Анализ эксплуатационных показателей 24
1.8 Анализ существующего или типового технологического процесса изготовления корпуса 25
1.9 Постановка цели и задач выпускной квалификационной работы 41
2 Технологическая часть 42
2.1 Разработка технологического маршрута последовательности обработки 42
2.2 Разработка технологических операций 44
2.3.1 Расчет режимов резания для растачивания 58
2.3.2 Расчёт режима резания при фрезеровании опорных поверхностей 61
2.3.3 Расчёт режима резания при сверлении 63
2.4 Выбор оборудования 64
2.5 Выбор режущего инструмента 67
2.6 Разработка управляющей программы для станка с ЧПУ 69
3 Конструкторская часть 71
3.1 Выбор схемы базирования заготовки 71
3.2 Выбор нормализованных узлов 73
3.3 Выбор установочных элементов 75
3.4 Описание конструкции и принципа работы приспособления 77
3.5 Расчёт усилия зажима детали в кондукторе. 80
3.6 Расчет пневмопривода приспособления 82
3.7 Расчет точности приспособления 83
4 Разработка планировки участка по изготовлению корпуса буксы в составе механического цеха. 86
4.1 Выбор основного технологического оборудования. 86
4.2 Расчет количества основного технологического оборудования 86
4.3 Расчет численности основных производственных рабочих 90
4.4 Расчет количества вспомогательных рабочих, инженерно-технических работников, младшего обслуживающего персонала и служащих механического цеха 91
4.5 Выбор типа производственного здания. 92
4.6 Расчет производственных и вспомогательных площадей. 93
4.8 Разработка планировки механического участка по производству детали-представителя. 100
5 Определение экономической эффективности внедрения нового оборудования 102
5.1 Определение себестоимости корпуса детали топливораспределительной аппаратуры авиационного двигателя 102
5.2 Расчёт себестоимости изготовления современного технологического процесса 107
Заключение 112
Используя функцию входа через сторонние сервисы, Вы соглашаетесь на обработку персональных данных в соответствии с Политикой конфиденциальности