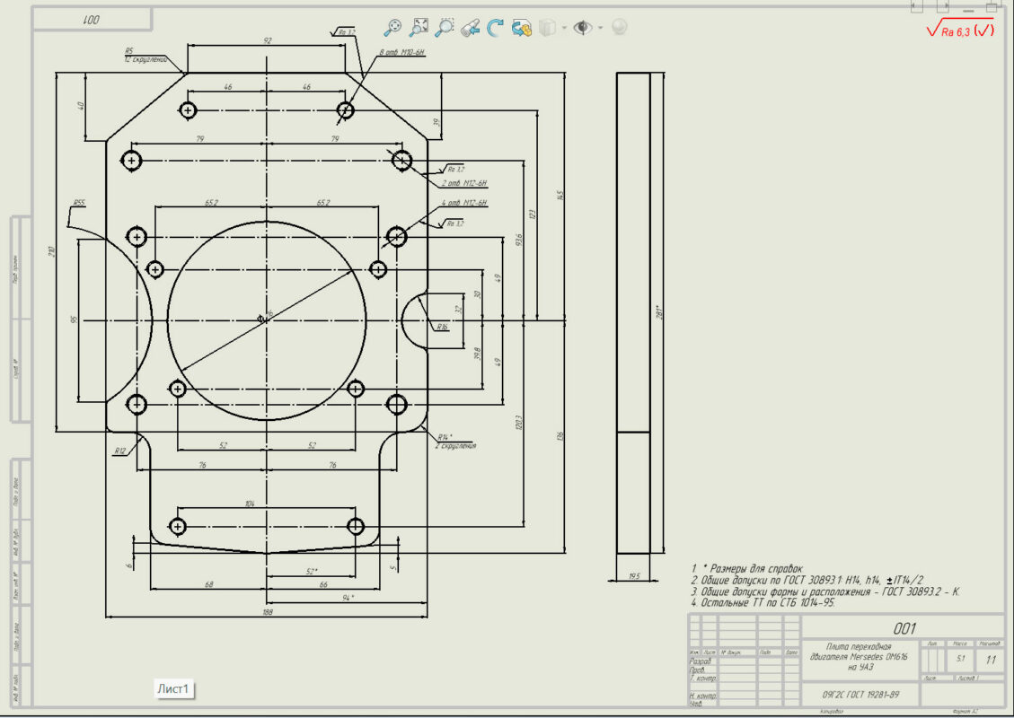
Плита переходная служит проставкой между двигателем Mersedes OM616 и колоколом коробки передач автомобиля УАЗ. В работе присутствует кольцо для центровки коробки передач. Габарит плиты в мм ДхШхВ=281х188х19,5, масса 5,1 кг.
- Главная -
- Чертежи -
- Транспорт -
- Детали и узлы автомобилей -
- Плита переходная двигателя Mersedes OM616 на УАЗ
Плита переходная двигателя Mersedes OM616 на УАЗ
1
7
514
2
0
20

Сообщить о проблеме
Автор

Дата
07.06.2022
Язык
Русский
Состав
3D модель детали с чертежами
Софт
SolidWorks 2019 SP5.0
Как открыть?
Отзывов пока нет
Содержимое архива
Чтобы скачать чертеж, 3D модель или проект, Вы должны зарегистрироваться
и принять участие в жизни сайта. Посмотрите, как тут скачивать
файлы
Отзывов пока нет
Чтобы задать вопрос, необходимо войти
Войти с помощью:
Ссылка на логин через google
Ссылка на логин через vk
Ссылка на логин через yandex