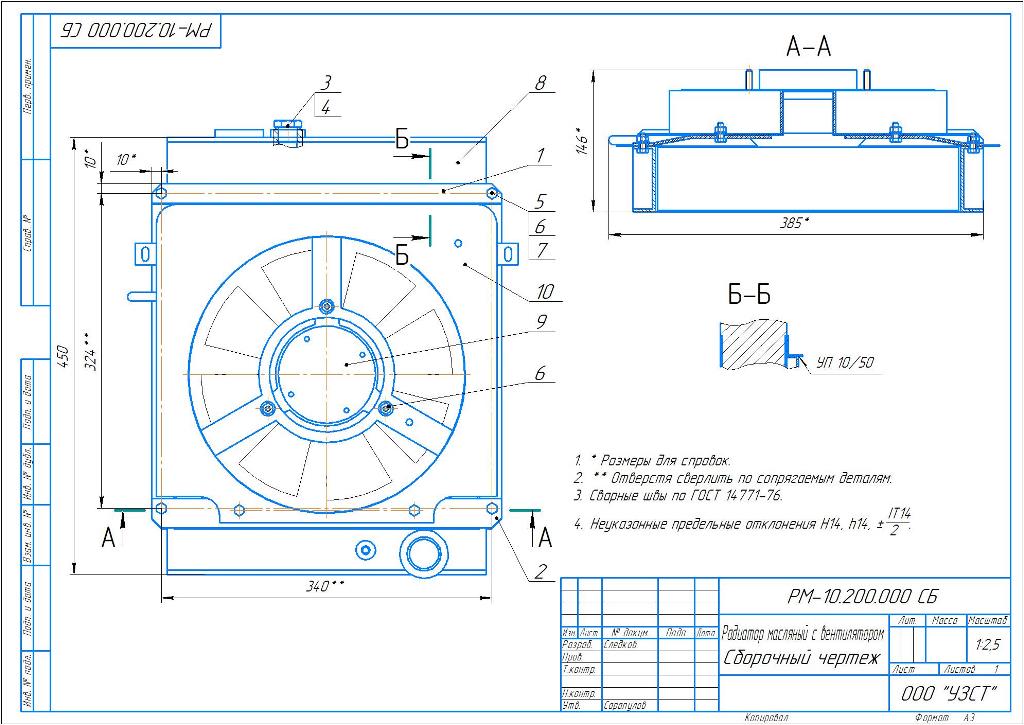
Вентилятор 70.3730 12В 110 ВТ предназначен для охлаждения радиатора двигателя автомобиля. В архиве помимо 3Д модели представлены также рабочие чертежи деталей и сборки.
- Главная -
- Чертежи -
- Транспорт -
- Детали и узлы автомобилей -
- Радиатор масляный с вентилятором
Радиатор масляный с вентилятором
0
1
16
0
0
20


Сообщить о проблеме
Автор

Дата
02.10.2025
Язык
Русский
Состав
3D Сборка, Вид общий (ВО), Спецификация
Софт
STEP / IGES
Отзывов пока нет
Содержимое архива
Чтобы скачать чертеж, 3D модель или проект, Вы должны зарегистрироваться
и принять участие в жизни сайта. Посмотрите, как тут скачивать
файлы
Отзывов пока нет
Чтобы задать вопрос, необходимо войти
Войти с помощью:
Ссылка на логин через google
Ссылка на логин через vk
Ссылка на логин через yandex