Он очень удобен и практичен в работе, небольших размеров. Этот съёмник может ликвидировать все трудности в снятии заднего подшипника ведомого вала коробки передач.
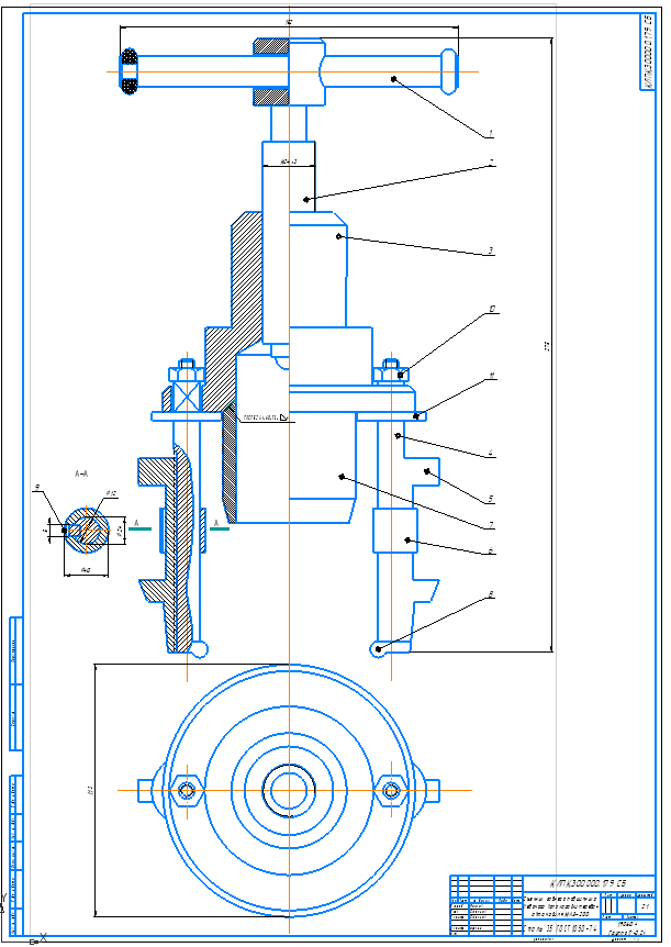
Это специализированное приспособление на базе универсального с ручным-винтовым приводом всегда не заменим в данной работе. Съёмник состоит из следующих основных деталей:
1) воротка;
2) винта;
3) корпуса;
4) захвата;
5) клина;
6) втулки;
7) ступицы;
8) овальных заплечников;
9) пластины.
Спецификации в архиве нет.
- Главная -
- Чертежи -
- Транспорт -
- Автосервис и автомобильное хозяйство -
- Чертеж съемника заднего подшипника ведомого вала коробки передач автомобиля МАЗ-200
Чертеж съемника заднего подшипника ведомого вала коробки передач автомобиля МАЗ-200
0
269
6272
8
2
30
Сообщить о проблеме
Автор
Дата
07.02.2013
Язык
Русский
Состав
Вид общий (ВО)
Софт
КОМПАС-3D 13
Как открыть?
Отзывов пока нет
Содержимое архива
-
-
Винт.cdw
-
Ключ.cdw
-
Коленвал.cdw
-
Спецификация.spw
-
Съемник подшипнтка.cdw
-
Цанга.cdw
-
Чтобы скачать чертеж, 3D модель или проект, Вы должны зарегистрироваться
и принять участие в жизни сайта. Посмотрите, как тут скачивать
файлы
Отзывов пока нет
Чтобы оставить отзыв, необходимо войти
Войти с помощью:
Используя функцию входа через сторонние сервисы, Вы соглашаетесь на обработку персональных данных в соответствии с Политикой конфиденциальности
не могу скачать, файл временно не доступен
Попробуйте сейчас!
Спасибо автор!
Используя функцию входа через сторонние сервисы, Вы соглашаетесь на обработку персональных данных в соответствии с Политикой конфиденциальности