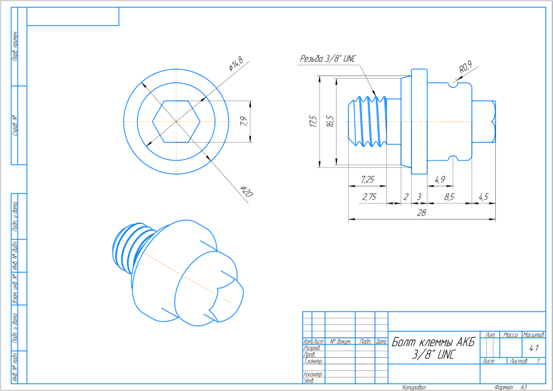
Болт крепления силового провода к боковой клемме аккумуляторной батареи а/м Volga Siber, Chrysler Sebring, Dodge Stratus и других, использующих аналогичные АКБ.
Болты для плюсовой и минусовой клемм идентичны.
Применяемый тип резьбы: 3/8" UNC.
3D-модель.
Модель разработана методом обратного инжиниринга.
- Главная -
- Чертежи -
- Транспорт -
- Автомобили легковые -
- Болт клеммы АКБ а/м Volga Siber, Chrysler Sebring, Dodge Stratus и др.
Болт клеммы АКБ а/м Volga Siber, Chrysler Sebring, Dodge Stratus и др.
0
0
60
5
0
Бесплатно
Сообщить о проблеме
Автор
Дата
26.02.2026
Язык
Русский
Состав
3D-модель одной деталью
Софт
КОМПАС-3D 24
Как открыть?
Отзывов пока нет
Содержимое архива
-
Болт.cdw
-
Болт.m3d
-
Болт.pdf
-
Болт.stp
Чтобы скачать чертеж, 3D модель или проект, Вы должны зарегистрироваться
и принять участие в жизни сайта. Посмотрите, как тут скачивать
файлы
Отзывов пока нет
Чтобы оставить отзыв, необходимо войти
Войти с помощью:
Используя функцию входа через сторонние сервисы, Вы соглашаетесь на обработку персональных данных в соответствии с Политикой конфиденциальности
Используя функцию входа через сторонние сервисы, Вы соглашаетесь на обработку персональных данных в соответствии с Политикой конфиденциальности