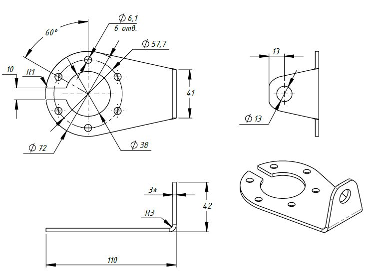
Кронштейн розетки фаркопа, крепление выполнено универсальным для большинства автомобилей. Изготавливать рекомендуется из нержавеющей стаи AISI 304.
- Главная -
- Чертежи -
- Транспорт -
- Кронштейн розетки фаркопа
Кронштейн розетки фаркопа
1
4
123
13
0
Бесплатно
Сообщить о проблеме
Автор
Дата
27.03.2026
Язык
Русский
Состав
Кронштейн розетки фаркопа, модель, развертка в DXF нержавеющая сталь AISI 304
Софт
SolidWorks 2025
Как открыть?
Отзывов пока нет
Содержимое архива
-
SD.023.10.30.01.000 Кронштейн 150.DXF
-
SD.023.10.30.01.000 Кронштейн 150.SLDPRT
-
SD.023.10.30.01.000 Кронштейн 150.STEP
Чтобы скачать чертеж, 3D модель или проект, Вы должны зарегистрироваться
и принять участие в жизни сайта. Посмотрите, как тут скачивать
файлы
Отзывов пока нет
Чтобы оставить отзыв, необходимо войти
Войти с помощью:
Используя функцию входа через сторонние сервисы, Вы соглашаетесь на обработку персональных данных в соответствии с Политикой конфиденциальности
Используя функцию входа через сторонние сервисы, Вы соглашаетесь на обработку персональных данных в соответствии с Политикой конфиденциальности