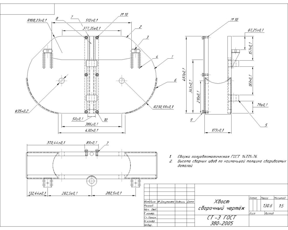
Хвост направляющий, кабеля для электрички.
Используется для того что бы не пережать, и избежать изгибов питающего кабеля.
- Главная -
- Чертежи -
- Транспорт -
- Железнодорожный транспорт -
- Корпус хвоста направляющего
Корпус хвоста направляющего
0
0
21
0
0
100
Сообщить о проблеме
Автор
Дата
30.10.2025
Язык
Русский
Состав
Корпус, деталировка, спецификация
Софт
AutoCAD 21
Как открыть?
Отзывов пока нет
Содержимое архива
-
Хвост сборочный, деталировка, спецификация.dwg
Чтобы скачать чертеж, 3D модель или проект, Вы должны зарегистрироваться
и принять участие в жизни сайта. Посмотрите, как тут скачивать
файлы
Задания с фриланса
Сконструировать мост 5 тонной подвесной кран-балки пролетом 15 метров с вылетом консолей по 1 метру.
договорная
26.01.2026
3 недели назад
3д и кд на мини погрузчик типа Taian DY620, DY840, Multione 5 series, Multione 7 series, Avant
договорная
3 недели назад
Отзывов пока нет
Чтобы оставить отзыв, необходимо войти
Войти с помощью:
Используя функцию входа через сторонние сервисы, Вы соглашаетесь на обработку персональных данных в соответствии с Политикой конфиденциальности
Используя функцию входа через сторонние сервисы, Вы соглашаетесь на обработку персональных данных в соответствии с Политикой конфиденциальности