Перейти к содержимому
Войти

Проектирование технологического процесса ремонта турбокомпрессора дизеля тепловоза 2М62

0
5
865
12
1
100

БелГУТ
Кафедра "Локомотивы"
Курсовой проект по дисциплине " Технология ремонта тепловоза"
На тему: " Проектирование технологического процесса ремонта турбокомпрессора дизеля тепловоза 2М62 "
Гомель 2017

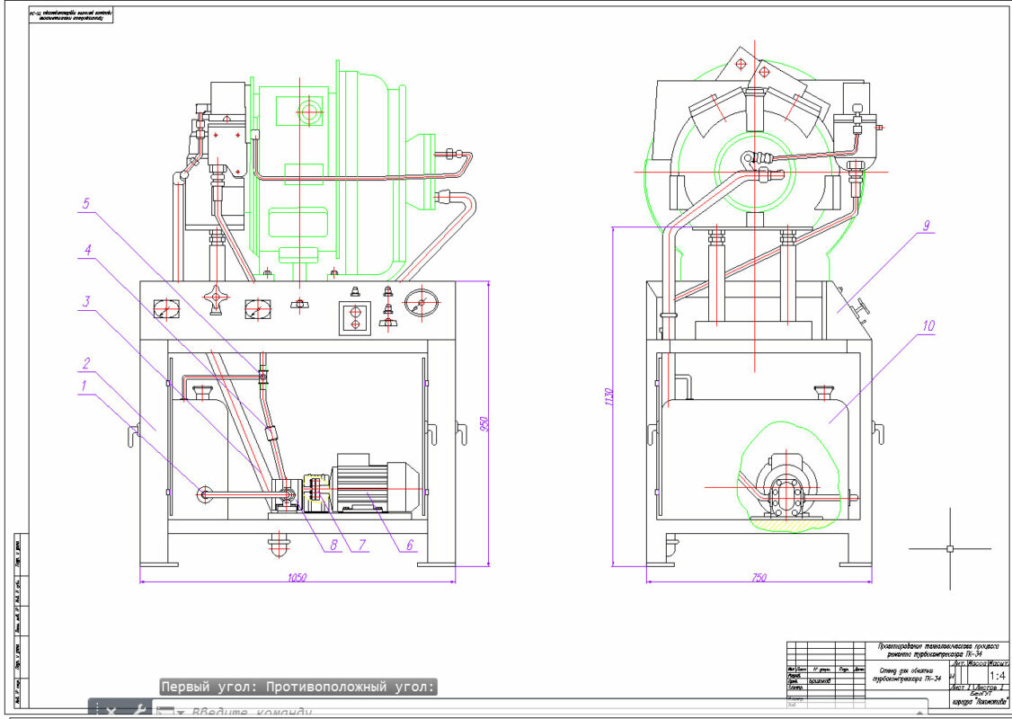
В данной работе расстраивается турбокомпрессорный агрегат типа ТК-34.
Содержание
Введение
1 Назначение, конструкция и условия работы турбокомпрессора ТК-34 на тепловозе
2 Неисправности турбокомпрессора ТК-34, их причины и способы предупреждения
3 Объем работ при ремонте турбокомпрессора ТК-34
3.1 Общие требования к объему работ по турбокомпрессору ТК-34 согласно правилам ремонта тепловоза
3.2 Ведомость объема работ по ремонту деталей
турбокомпрессора ТК-34
4 Разработка технологий ремонта турбокомпрессора ТК-34
4.1 Составление структурной схемы технологического процесса ремонта
4.2 Разработка технологических документов по ремонту
(маршрутной карты, технологической инструкции, карты эскизов)
4.3 Организация рабочего места и техника безопасности при
ремонте турбокомпрессора ТК-34
5 Конструкция, работа и расчет специального технологического оборудования
Заключение
Список использованных источников
Приложение А. Технологическая документация


Сообщить о проблеме
Автор
user-avatar Maxim997
Дата
25.12.2018
Язык
Русский
Состав
турбокомпрессор, спецификация, ТИ, МК, КЭ
Софт
AutoCAD 2013 Как открыть?
Отзывов пока нет
Задать вопрос
Содержимое архива
    • icon-doc 1-4.1 Пункты.doc
    • icon-doc 4.2 Разаработка документации.docx
    • icon-doc 4.3 Охрана труда.docx
    • icon-doc 5 Оборудование.docx
    • icon-doc 6 Заключение.docx
    • icon-doc 7 Список источников.docx
    • icon-doc MK.docx
    • icon-tmp ~WRL0001.tmp
    • icon-tmp ~WRL3247.tmp
    • icon-doc КЭ 1.docx
    • icon-doc КЭ 2.docx
    • icon-dwg Оборудование.dwg
    • icon-doc Содержание.docx
    • icon-doc Спецификация А1130.doc
    • icon-dwg Схема.dwg
    • icon-doc ТИ 1.docx
    • icon-doc ТИ 2.docx
    • icon-doc Титульник.docx
    • icon-doc Титульник приложения.docx
Чтобы скачать чертеж, 3D модель или проект, Вы должны зарегистрироваться и принять участие в жизни сайта. Посмотрите, как тут скачивать файлы
Отзывов пока нет
Чтобы оставить отзыв, необходимо войти
Войти с помощью:

Используя функцию входа через сторонние сервисы, Вы соглашаетесь на обработку персональных данных в соответствии с Политикой конфиденциальности