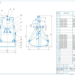
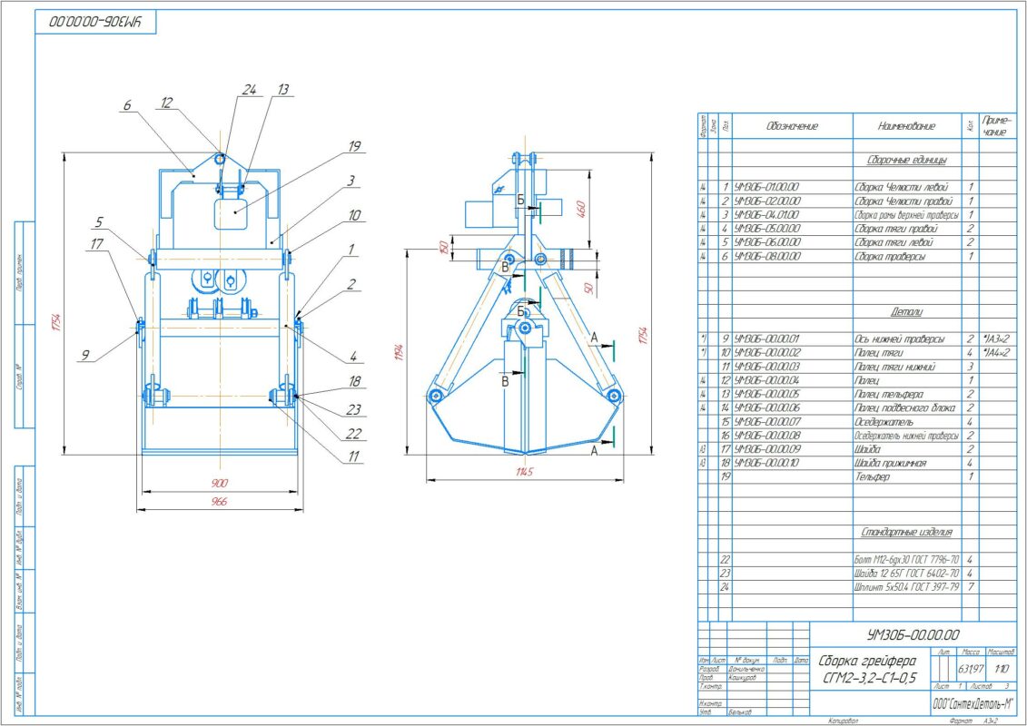
Грейфер для перегрузки угля объемом 0,5 куб. моторный с электрической талью УМ300.00.00 СБ.
- Главная -
- Чертежи -
- Транспорт -
- Строительные, специальные и дорожные машины -
- Грейфер моторный для перегрузки угля V=0,5 м3.
Грейфер моторный для перегрузки угля V=0,5 м3.
1
5
288
2
1
300
Сообщить о проблеме
Автор
Дата
19.12.2020
Язык
Русский
Состав
3D Сборка
Софт
STEP / IGES 19
Отзывов пока нет
Содержимое архива
-
Сборка грейфера.stp
Чтобы скачать чертеж, 3D модель или проект, Вы должны зарегистрироваться
и принять участие в жизни сайта. Посмотрите, как тут скачивать
файлы
Задания с фриланса
На разработку 3D-модели лопасти рабочего колеса насоса для последующего изготовления на заводе
договорная
6 дней назад
28.01.2026
Отзывов пока нет
Чтобы оставить отзыв, необходимо войти
Войти с помощью:
Используя функцию входа через сторонние сервисы, Вы соглашаетесь на обработку персональных данных в соответствии с Политикой конфиденциальности
Здравствуйте. Верно понимаю что в архиве нет деталировок? Подскажите, в каком программе сделана изначально сборка?
Компас 16 v версия. Грейфер изготавливали , все в рабочем состоянии.
Можете пожалуйста подсказать какой тельфер применяется? И как трос запасовать? Спасибо.
Виталий день добрый Если есть какие то дополнительные вопросы по грейферу напиши отвечу.
Чертеж бы сборочный не помешал, а так вроде и всё. Спасибо
Это 3д сборка, компас разложил ее на 95 файлов
Используя функцию входа через сторонние сервисы, Вы соглашаетесь на обработку персональных данных в соответствии с Политикой конфиденциальности