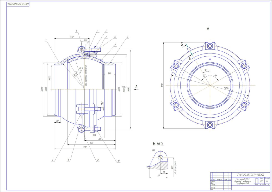
Шаровое соединение трубопроводов земснаряда 350Л . Деталировка и сборочный чертеж. Список файлов:
Болт откидной
Кольцо нажимное
Корпус
Палец
Пробка
Уплотнение
Шайба
Шайба
Шар
- Главная -
- Чертежи -
- Транспорт -
- Водный транспорт и судостроение -
- Шаровое соединение трубопроводов земснаряда 350Л
Шаровое соединение трубопроводов земснаряда 350Л
0
1
186
0
0
40
Сообщить о проблеме
Автор
Дата
15.11.2024
Язык
Русский
Состав
Сборочный чертеж, деталировка, спецификация
Софт
КОМПАС-3D 16
Как открыть?
Отзывов пока нет
Содержимое архива
-
Болт откидной М42 ГОК229-02.01.20.004.cdw
-
Земснаряд 350Л Шаровое соединение трубопроводов .cdw
-
Кольцо нажимное ГОК229-02.01.20.003.cdw
-
Корпус ГОК229-02.01.20.001.cdw
-
Палец ГОК229-02.01.20.007.cdw
-
Пробка _ ГОК-229-02.01.20.009.cdw
-
Спецификация ГОК229-02.01.20.000СП.spw
-
Уплотнение _ ГОК229-02.01.20.006.cdw
-
Шайба ГОК229-02.01.20.005.cdw
-
Шайба ГОК229-02.01.20.008.cdw
-
Шар ГОК229-02.01.20.002.cdw
Чтобы скачать чертеж, 3D модель или проект, Вы должны зарегистрироваться
и принять участие в жизни сайта. Посмотрите, как тут скачивать
файлы
Отзывов пока нет
Чтобы оставить отзыв, необходимо войти
Войти с помощью:
Используя функцию входа через сторонние сервисы, Вы соглашаетесь на обработку персональных данных в соответствии с Политикой конфиденциальности
Используя функцию входа через сторонние сервисы, Вы соглашаетесь на обработку персональных данных в соответствии с Политикой конфиденциальности