Перейти к содержимому
Войти

Автоматизированный электропривод следящей системы

0
2
53
2
0
100

В ходе работы необходимо разработать электропривод следящей системы, обеспечивающей заданную точность слежения механизма при максимальной скорости задающего сигнала и максимальном моменте сопротивления. Задание

По исходным данным необходимо:
1. Выбрать тип и рассчитать требуемую мощность электродвигателя с учётом переходных процессов при пуске, торможении и изменении режимов работы двигателя;
2. В соответствии с исходными данными (мощностью, диапазоном регулирования скорости и другими параметрами), выбрать тип преобразователя;
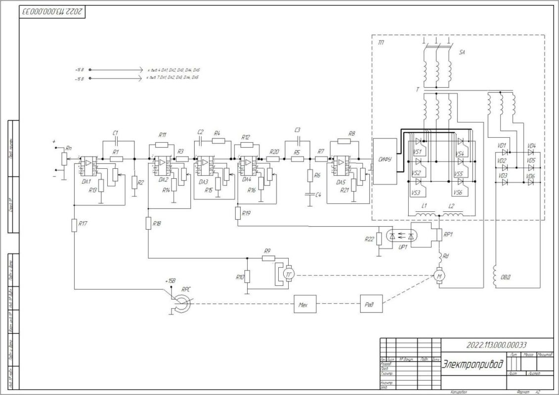
3. Разработать принципиальную схему силовой части электропривода;
4. По паспортным данным, принципиальной схеме и характеристикам, приведённым в приложении к данной методике, рассчитать передаточные функции всех элементов электропривода (электродвигателя, преобразователя и т.д.) и составить его структурную схему;
5. Исследовать устойчивость и качество переходных процессов.

Исходные данные:
- Максимальный момент сопротивления механизма 500 Нм.
- Момент инерции механизма 30 кгм2.
- Максимальное число позиционирования механизма 100.
- Максимальный коэффициент относительной продолжительности цикла 0,7.
- Максимальная погрешность позиционирования 2 град.
- Максимальная скорость перемещения механизма 4 рад/с.
- Вид движения вращ.

Содержание:
Задание
Введение
1 Функциональная схема САР положения
2 Выбор мощности электродвигателя
3 Выбор и проверка электропривода
3.1 Подбор электродвигателя
3.2 Подбор силового трансформатора ЭП
3.3 Подбор тиристорного преобразователя
4 Определение передаточной функции электродвигателя
5 Определение передаточной функции тахогенератора
6 Определение передаточной функции датчика положения
7 Определение передаточной функции датчика тока
8 Определение передаточной функции преобразователя
9 Определение передаточной функции усилителя
10 Настройка контура тока
11 Настройка контура скорости
12 Структурная схема САР позиционирования
13 Настройка контура положения
14 Исследование и анализ переходных процессов
Заключение
Список литературы


Сообщить о проблеме
Автор
user-avatar Андрей
Дата
28.01.2026
Язык
Русский
Состав
Пояснительная записка, Чертеж, Спецификация
Софт
КОМПАС-3D 22 Как открыть?
Отзывов пока нет
Задать вопрос
Содержимое архива
  • icon-doc Пояснительная записка.doc
  • icon-spw Спецификация.SPW
  • icon-cdw Чертеж.cdw
Чтобы скачать чертеж, 3D модель или проект, Вы должны зарегистрироваться и принять участие в жизни сайта. Посмотрите, как тут скачивать файлы
Отзывов пока нет
Чтобы оставить отзыв, необходимо войти
Войти с помощью:

Используя функцию входа через сторонние сервисы, Вы соглашаетесь на обработку персональных данных в соответствии с Политикой конфиденциальности