Перейти к содержимому
Войти

Курсовой проект на тему: «АСУТП линии рукавной пленки»

0
2
915
14
0
30

Украинский государственный химико-технологический университет
Кафедра технологии топлива, полимерный и полиграфических материалов
Курсовая работа по дисциплине "АСУТП"
На тему: "АСУТП линии рукавной пленки"
Днепр, 2016

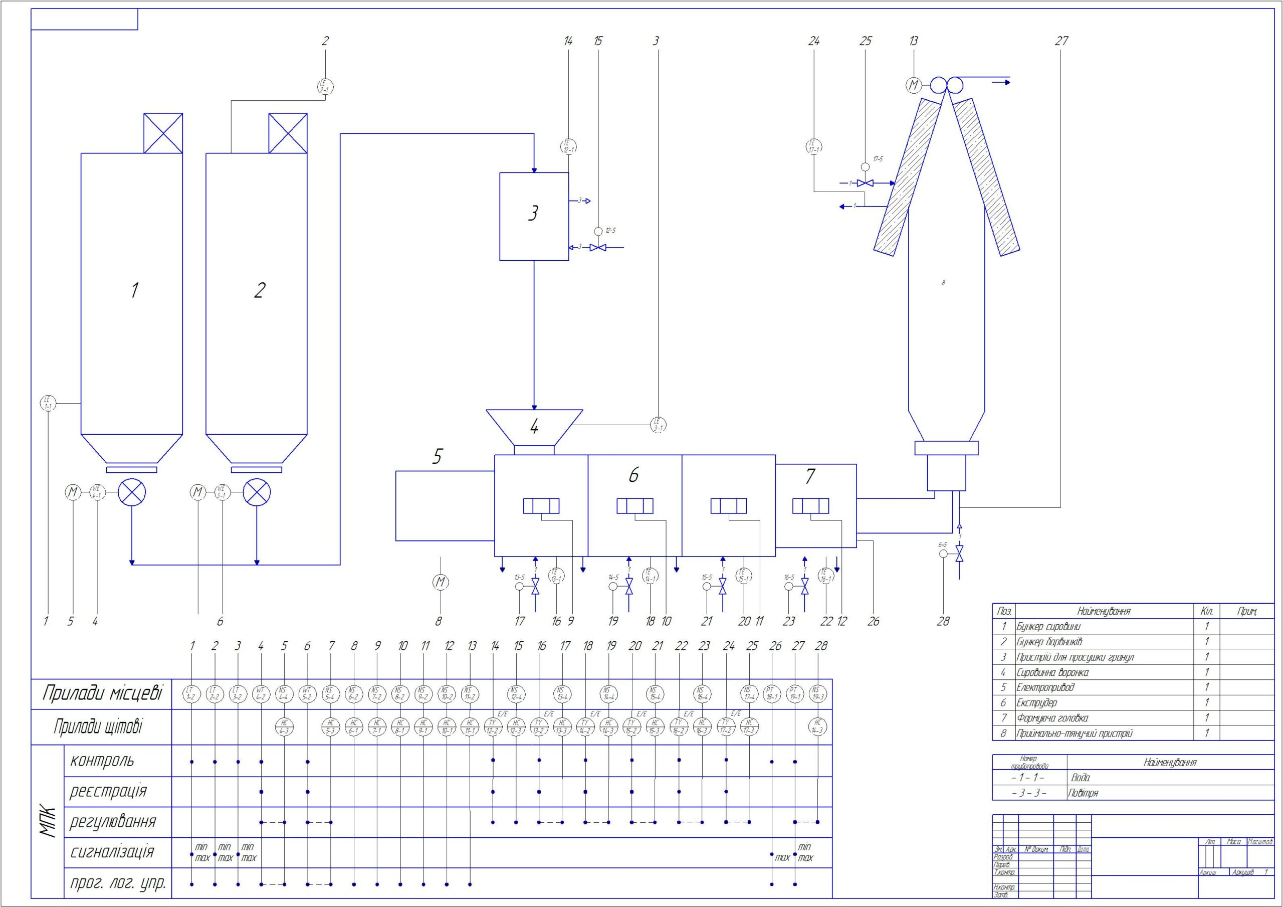
Цель работы: разработка автоматизированной системы управления процессом получения рукавной пленки.
В процессе проектирования системы были выбраны соответствующие приборы и составлена функциональная схема автоматизации процесса.
Содержание
Введение
1. Анализ объекта управления
2. Разработка системы управления технологическими процессами
Литература
Заказные спецификация


Сообщить о проблеме
Дата
23.05.2020
Язык
Украинский
Состав
Анализ объекта управления, разработка системы управления, схема АСУТП производства рукавной пленки.
Софт
КОМПАС-3D 16 Как открыть?
Отзывов пока нет
Задать вопрос
Содержимое архива
  • icon-doc avtomatizatsia.docx
  • icon-cdw Plenka_ASUTP.cdw
  • icon-doc referat.docx
  • icon-doc vstup.docx
  • icon-doc zmist.docx
  • icon-doc Документ Microsoft Word.docx
Чтобы скачать чертеж, 3D модель или проект, Вы должны зарегистрироваться и принять участие в жизни сайта. Посмотрите, как тут скачивать файлы
Отзывов пока нет
Чтобы оставить отзыв, необходимо войти
Войти с помощью:

Используя функцию входа через сторонние сервисы, Вы соглашаетесь на обработку персональных данных в соответствии с Политикой конфиденциальности