Волгоградский государственный технический университет
Кафедра “Процессы и аппараты химических и пищевых производств”
Контрольная работа по дисциплине “Управление техническими системами”
На тему: “Автоматизация линии по производству майонеза”
Волгоград 2017
Содержание
Введение
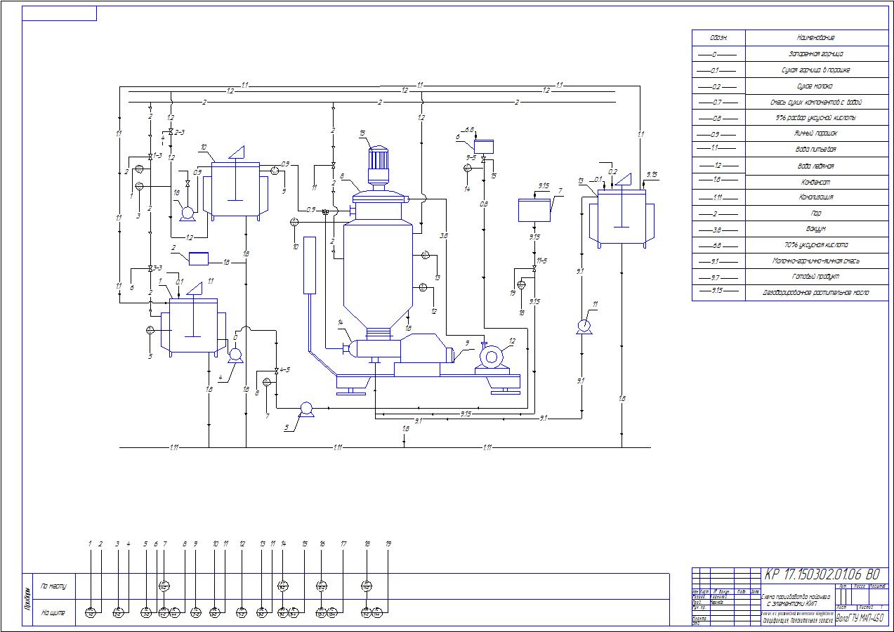
Описание и принцип работы технологической схемы
Заключение
Список использованных источников
ПРИЛОЖЕНИЯ
Графическая часть содержит схему автоматизации производства майонеза и спецификацию
 
           
                 
                 
                 
                 
                 
                 Серёга Ч
    Серёга Ч
   
           
           Alex K
    Alex K
   
           
           
           Дмитрий Кошевой
    Дмитрий Кошевой