Перейти к содержимому
Войти

Курсовая работа "Взаимозаменяемость, стандартизация и технические измерения"

0
192
968
1
0
20

КРИВОРОЖСКИЙ НАЦИОНАЛЬНЫЙ УНИВЕРСИТЕТ
Кафедра технологии машиностроения
Дисциплина "Взаимозаменяемость, стандартизация и технические измерения"
Тема:"Расчет и выбор посадок с зазором,натягом ,расчет посадок подшипников качения,расчет параметров метрической резьбы"
Кривой Рог 2015

Данная курсовая работа существует в разных вариациях во многих технических вузах.Для КРИВОРОЖСКОГО НАЦИОНАЛЬНОГО УНИВЕРСИТЕТА в 2015 году в эту работу входит:
Расчет посадок с зазором
Расчет посадок с натягом
Расчет посадок подшипников качения
Расчет параметров метрической резьбы
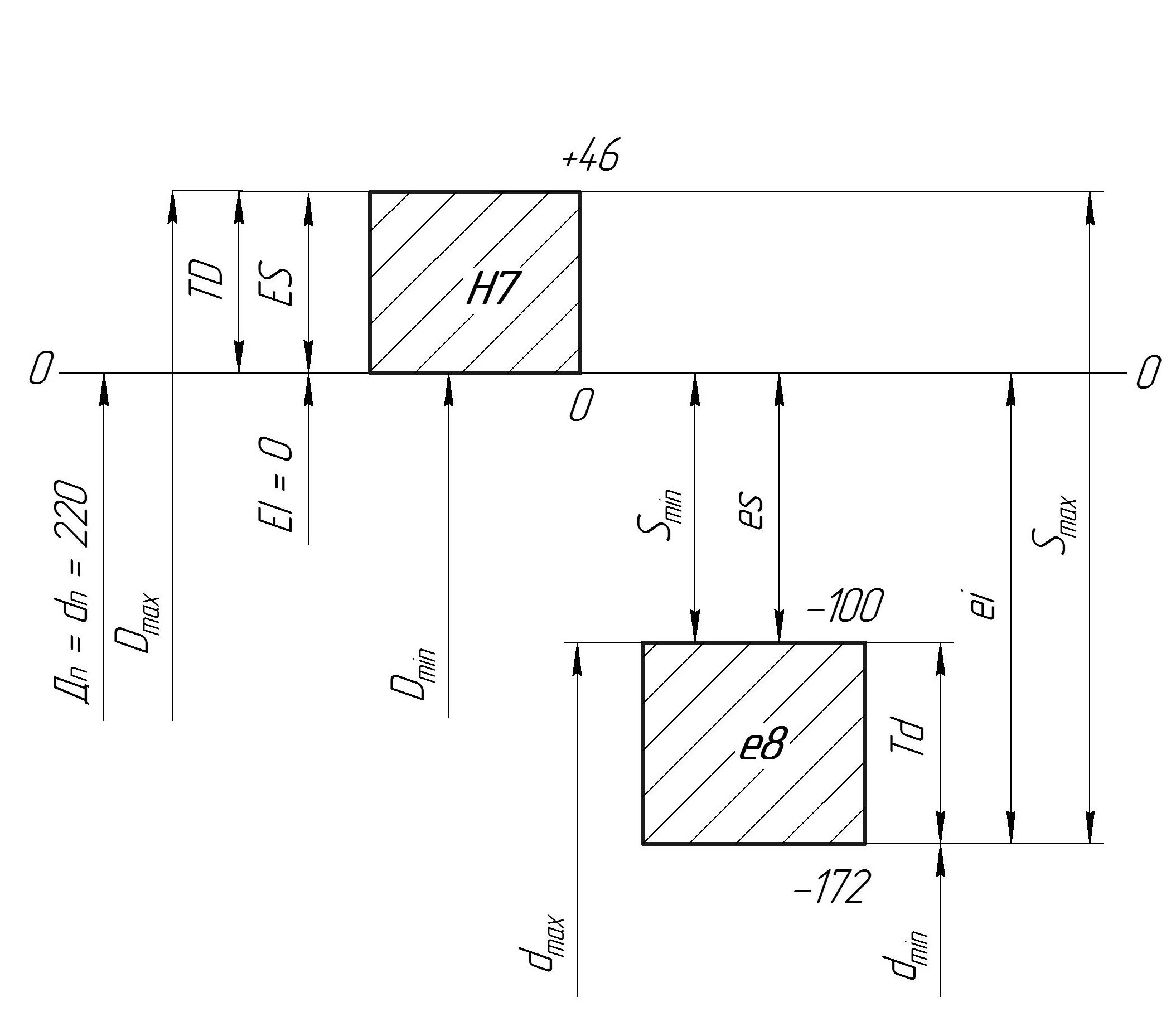
Из чертежей присутствуют эскизы посадок и их поля допусков
Исходные данные для выполнения работы:
Вариант 15
Для посадки с зазором
d=220мм
l=200мм
n=120 об/хв
R=73.5кН
t1=68C
t2=50С
Вид под
шипника-половинчатый
Для посадки с натягом:
d=495мм
L=38мм
Мкр=18кНм
Винец зубчатого колеса:
Конический
Материал Сталь 50
Количество зубьев:66
Модуль зуба:8
Ступица зубчатого колеса:
Сталь 25
Подшипник для расчета:
0-36205
Метрическая резьба:
М6×0,75
5 H6G
6f6h


Сообщить о проблеме
Автор
user-avatar Cfirf
Дата
11.02.2016
Язык
Украинский
Состав
В состав работы входит: Поля допусков и эскизы соединений с зазором,натягом,переходные.
Софт
КОМПАС-3D 16 Как открыть?
Отзывов пока нет
Задать вопрос
Содержимое архива
  • icon-cdw 1 Зазор Эскиз.cdw
  • icon-cdw 1 Зазор допуск.cdw
  • icon-cdw 1min t.cdw
  • icon-cdw 2 max t.cdw
  • icon-cdw 2 Натяг допуск.cdw
  • icon-cdw 2 Эскиз натяга.cdw
  • icon-cdw 3 max f.cdw
  • icon-cdw 5 Метрическая резьба.cdw
  • icon-cdw Допуски подшипник.cdw
  • icon-doc Расчет параметров метрической резьбы.docx
  • icon-doc Расчет посадки подшипника.docx
  • icon-doc Расчет посадки с зазором.docx
  • icon-doc Расчет посадки с натягом.docx
  • icon-cdw Чертеж подшипника.cdw
Чтобы скачать чертеж, 3D модель или проект, Вы должны зарегистрироваться и принять участие в жизни сайта. Посмотрите, как тут скачивать файлы
Отзывов пока нет
Чтобы оставить отзыв, необходимо войти
Войти с помощью:

Используя функцию входа через сторонние сервисы, Вы соглашаетесь на обработку персональных данных в соответствии с Политикой конфиденциальности