Перейти к содержимому
Войти

Управляемый выпрямитель на тиристорах в электроприводе

0
1
12
0
0
100

Министерство образования и науки Российской Федерации
ГОУ ВПО
Ульяновский государственный технический университет
Кафедра «Электропривод и автоматизация промышленных установок»
Курсовая работа
по промышленной электронике.

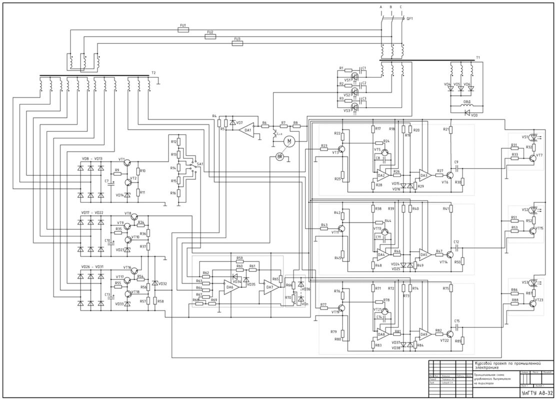
В процессе работы необходимо разработать и начертить полную принципиальную схему тиристорного устройства управления электроприводом.

Исходные данные:
- Номинальная мощность двигателя 6 кВт.
- Номинальное напряжение на якоре 220 В.
- Коэффициент допустимой нагрузки двигателя по току 2.
- Индуктивность якорной цепи ДПТ 11 мГн.
- Активное сопротивление якорной цепи двигателя 0,329 Ом.
- Частота вращения вала двигателя 750 об/мин.
- Коэффициент полезного действия 83,5 %.
- Тип силовой схемы 3-фазная нулевая.
- Тип тиристоров оптронные.
- Тип СИФУ линейная.

Содержание (стр.)
Введение…4
1. Краткое описание тиристорного устройства управления, а также
принцип действия основных узлов…5
1.1. Управляемый выпрямитель…6
1.2. Система импульсно-фазового управления…7
1.3. Нелинейный регулятор…8
2. Расчет и выбор элементов силовой части…8
2.1. Расчет силового согласующего трансформатора…8
2.2. Выбор силовых тиристоров…10
2.3. Выбор сглаживающего реактора в якорной цепи двигателя…11
2.4. Выбор защитных “RC” цепочек…12
3. Расчет и построение регулировочной характеристики тиристорного выпрямителя…13
3.1. Выходная характеристика ВП…13
3.2. Выходная характеристика НР…14
3.3. Определение коэффициента усиления тиристорного выпрямителя…19
3.4. Расчет и построение внешних характеристик
управляемого выпрямителя…21
4. Анализ энергетических показателей ТВ…24
4.1. ВП без обратного вентиля…24
4.2. ВП с обратным вентилем…25
Заключение…27
Литература…28


Сообщить о проблеме
Автор
user-avatar teanse
Дата
28.01.2026
Язык
Русский
Состав
Пояснительная записка, Схема
Софт
КОМПАС-3D 7 Как открыть?
Отзывов пока нет
Задать вопрос
Содержимое архива
  • icon-doc Пояснительная записка.doc
  • icon-spl Схема.spl
Чтобы скачать чертеж, 3D модель или проект, Вы должны зарегистрироваться и принять участие в жизни сайта. Посмотрите, как тут скачивать файлы
Отзывов пока нет
Чтобы оставить отзыв, необходимо войти
Войти с помощью:

Используя функцию входа через сторонние сервисы, Вы соглашаетесь на обработку персональных данных в соответствии с Политикой конфиденциальности