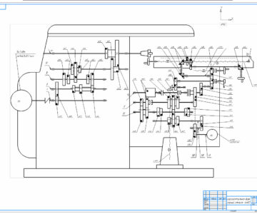
3D-модель и плакат горизонтально-фрезерного станка мод. 6Р82Ш для изучения основных узлов и органов управления станком
- Главная -
- Чертежи -
- Обучающий материал -
- Горизонтально-фрезерный станок 6Р82Ш
Горизонтально-фрезерный станок 6Р82Ш
      
      0
    
  
      
      301
    
  
    
    3405
  
  
    
    17
  
  
    
    1
  
                150
              
                                   
          
    Сообщить о проблеме
    
              
              
          
  
        Автор
      
      
                  
      Дата
    
    12.12.2014
  
      Язык
    
    
              Русский
          
  
      Состав
    
    
      3D сборка + чертёж (плакат)
    
  
      Софт
    
    
      КОМПАС-3D 15
              Как открыть?
          
  
              Отзывов пока нет
          
  
    Содержимое архива
  
      - 
    Регулятор подачи стола.m3d
- 
    патрон.m3d
- 
    Регулятор частоты вращения шпинделя.m3d
- 
    Ручка-2.m3d
- 
    Стол.m3d
- 
    Хобот.m3d
- 
    Ручка-3.m3d
- 
    Салазки.m3d
- 
    маховик..m3d
- 
    Ручка-5.m3d
- 
    6Р82Ш.cdw
- 
    Сопло подачи СОЖ.m3d
- 
    Станина.m3d
- 
    6Р82Ш-1.tif
- 
    Кнопка..m3d
- 
    Заготовка.m3d
- 
    Ручка-1.m3d
- 
    6Р82Ш-2.tif
- 
    Серьга.m3d
- 
    Вертикальная фрезерная головка.m3d
- 
    Машинные тиски.m3d
- 
    Ручка-4.m3d
- 
    Консоль.m3d
- 
    Местное освещение.m3d
- 
    6Р82Ш.a3d
- 
    Лимб.m3d
- 
    Сверлильная головка.m3d
  Чтобы скачать чертеж, 3D модель или проект, Вы должны зарегистрироваться
  и принять участие в жизни сайта. Посмотрите, как тут скачивать
  файлы
      
      
      
    
            Отзывов пока нет
          
                
  Чтобы задать вопрос, необходимо войти
  
    
  
      Войти с помощью:
    
    
                      
                    Ссылка на логин через google
        
                      
                    Ссылка на логин через vk
        
                      
                    Ссылка на логин через yandex
        
          
   
                 
                 
                 
                 
                 
                 Серёга Ч
    Серёга Ч
  