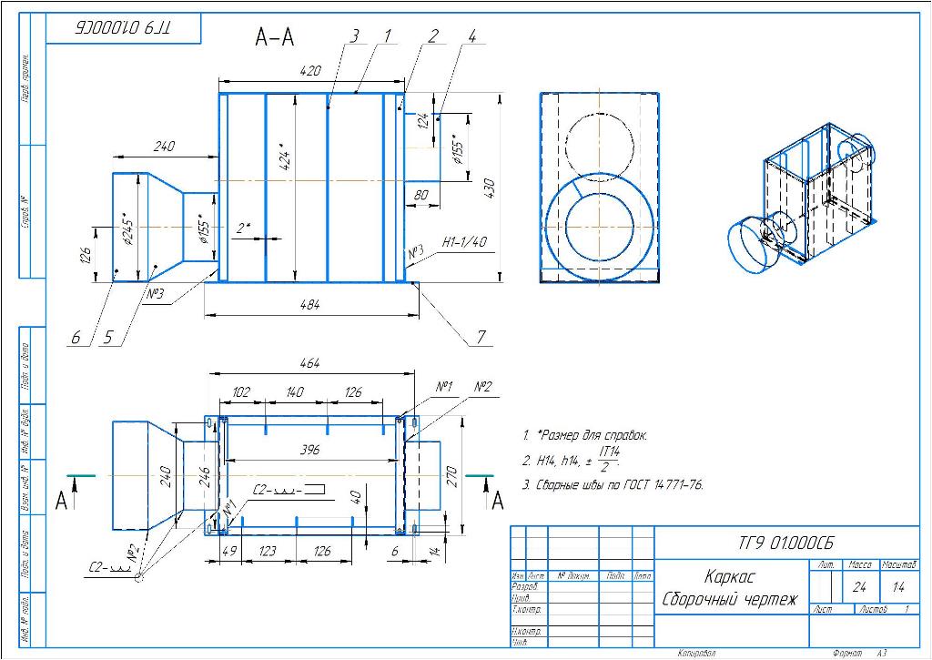
теплогенератор 13,5 кВт для сушильной установки специальный изолированный смешанного действия
- Главная -
- Чертежи -
- Теплотехника -
- Теплогенератор 13,5 кВт
Теплогенератор 13,5 кВт
0
0
15
0
0
100



Сообщить о проблеме
Автор
Дата
17.10.2025
Язык
Русский
Состав
3D Сборка, Чертежи, Спецификация
Софт
КОМПАС-3D V14
Как открыть?
Отзывов пока нет
Содержимое архива
Чтобы скачать чертеж, 3D модель или проект, Вы должны зарегистрироваться
и принять участие в жизни сайта. Посмотрите, как тут скачивать
файлы
Отзывов пока нет
Чтобы задать вопрос, необходимо войти
Войти с помощью:
Ссылка на логин через google
Ссылка на логин через vk
Ссылка на логин через yandex