Перейти к содержимому
Войти

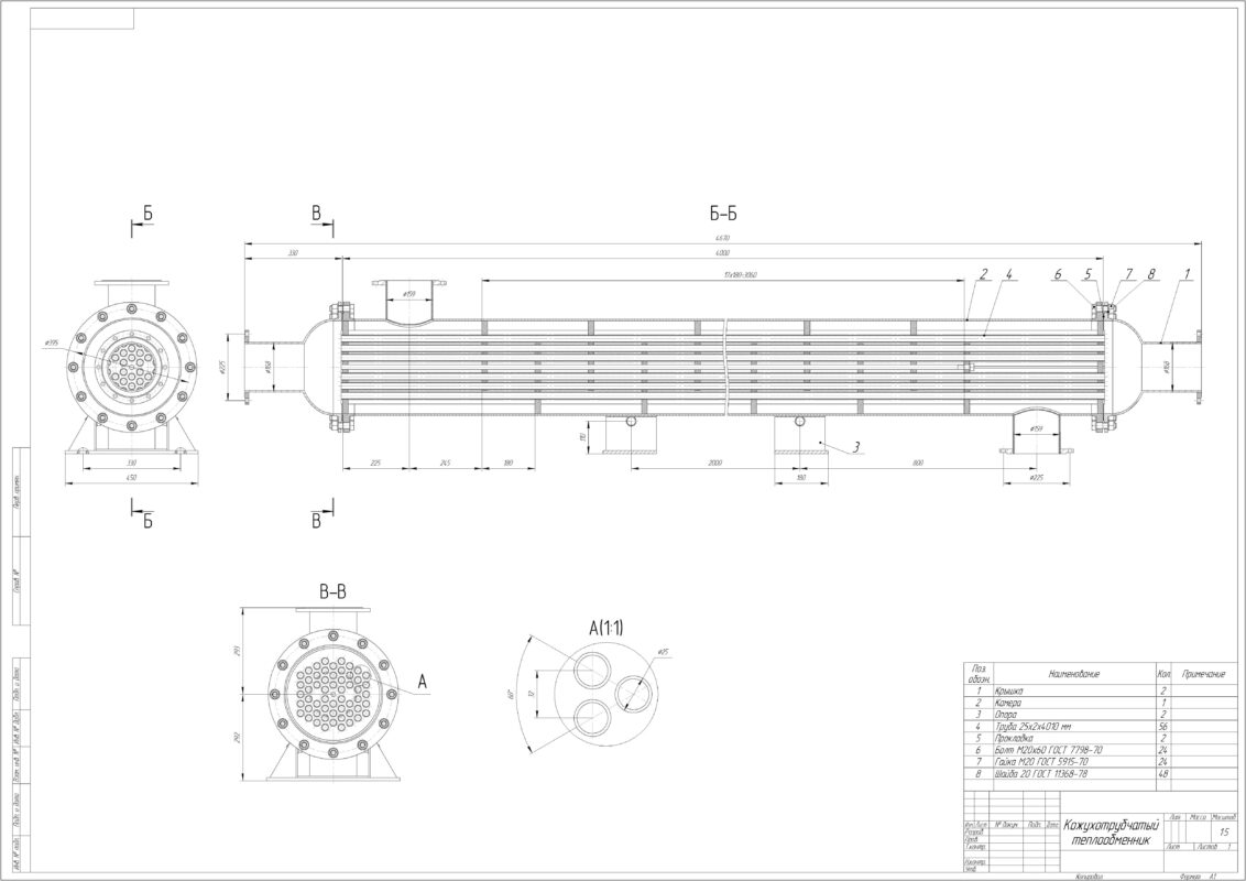
Кожухотрубчатый теплообменник ∅ 325 мм

0
0
88
1
0
60

Кожухотрубчатый теплообменник одноходовой.

Основные характеристики:
- диаметр кожуха;
- длина кожуха 4000 мм;
- диаметр патрубков для охлаждаемой жидкости 159 мм;
- диаметр патрубков для воды 168 мм;
- диаметр трубок 25 мм;
- количество трубок - 56 шт.


Сообщить о проблеме
Дата
07.11.2025
Язык
Русский
Состав
3D модели деталей и сборка, сборочный чертеж
Софт
КОМПАС-3D 22 Как открыть?
Отзывов пока нет
Задать вопрос
Содержимое архива
    • icon-a3d
      Кожух.a3d
    • icon-m3d
      Кожух.m3d
    • icon-a3d
      Кожухотрубчатый теплообменник.a3d
    • icon-cdw
      Кожухотрубчатый теплообменник.cdw
    • icon-jpg
      Кожухотрубчатый теплообменник.jpg
    • icon-step
      Кожухотрубчатый теплообменник.stp
    • icon-a3d
      Крышка.a3d
    • icon-m3d
      Крышка.m3d
    • icon-m3d
      Лист опорный.m3d
    • icon-a3d
      Опора.a3d
    • icon-m3d
      Опора.m3d
    • icon-m3d
      Ось.m3d
    • icon-m3d
      Патрубок входной.m3d
    • icon-m3d
      Патрубок выходной.m3d
    • icon-m3d
      Перегородка.m3d
    • icon-m3d
      Плита опорная.m3d
    • icon-m3d
      Прокладка.m3d
    • icon-m3d
      Ребро жесткости.m3d
    • icon-m3d
      Решетка входная.m3d
    • icon-m3d
      Решетка выходная.m3d
    • icon-m3d
      Трубка.m3d
    • icon-m3d
      Фланец.m3d
    • icon-m3d
      Фланец крышки.m3d
    • icon-m3d
      Фланец крышки малый.m3d
    • icon-m3d
      Фланец патрубка.m3d
Чтобы скачать чертеж, 3D модель или проект, Вы должны зарегистрироваться и принять участие в жизни сайта. Посмотрите, как тут скачивать файлы
Отзывов пока нет
Чтобы оставить отзыв, необходимо войти
Войти с помощью:

Используя функцию входа через сторонние сервисы, Вы соглашаетесь на обработку персональных данных в соответствии с Политикой конфиденциальности