3D модели и чертежи всех деталей цилиндра пневматического 21 из альбома С.К. Боголюбова "Чтение и деталирование сборочных чертежей"
- Главная -
- Чертежи -
- Начертательная геометрия и Инженерная графика -
- Цилиндр пневматический МЧ.00.21.00.00 Компас 3D и 2D
Цилиндр пневматический МЧ.00.21.00.00 Компас 3D и 2D
0
0
354
4
0
40
Боголюбов
Боголюбов 1978
Боголюбов С. К
Компас
МЧ.00.21.00.00
С. К. Боголюбов
Цилиндр пневматический
Сообщить о проблеме
Автор
Дата
11.02.2026
Язык
Русский
Состав
3D сборка, 3D модели деталей, цилиндр пневматический(СБ), деталировка( Корпус, цилиндр, поршень, вилка, вилка, штуцер, пружина, гайка, винт), спецификация.
Софт
КОМПАС-3D 21
Как открыть?
Отзывов пока нет
Содержимое архива
-
Кольцо 035-040-30.m3d
-
Кольцо 090-095-30.m3d
-
МЧ.00.21.00.01 - Корпус.cdw
-
МЧ.00.21.00.01 - Корпус.m3d
-
МЧ.00.21.00.02 - Цилиндр.cdw
-
МЧ.00.21.00.02 - Цилиндр.m3d
-
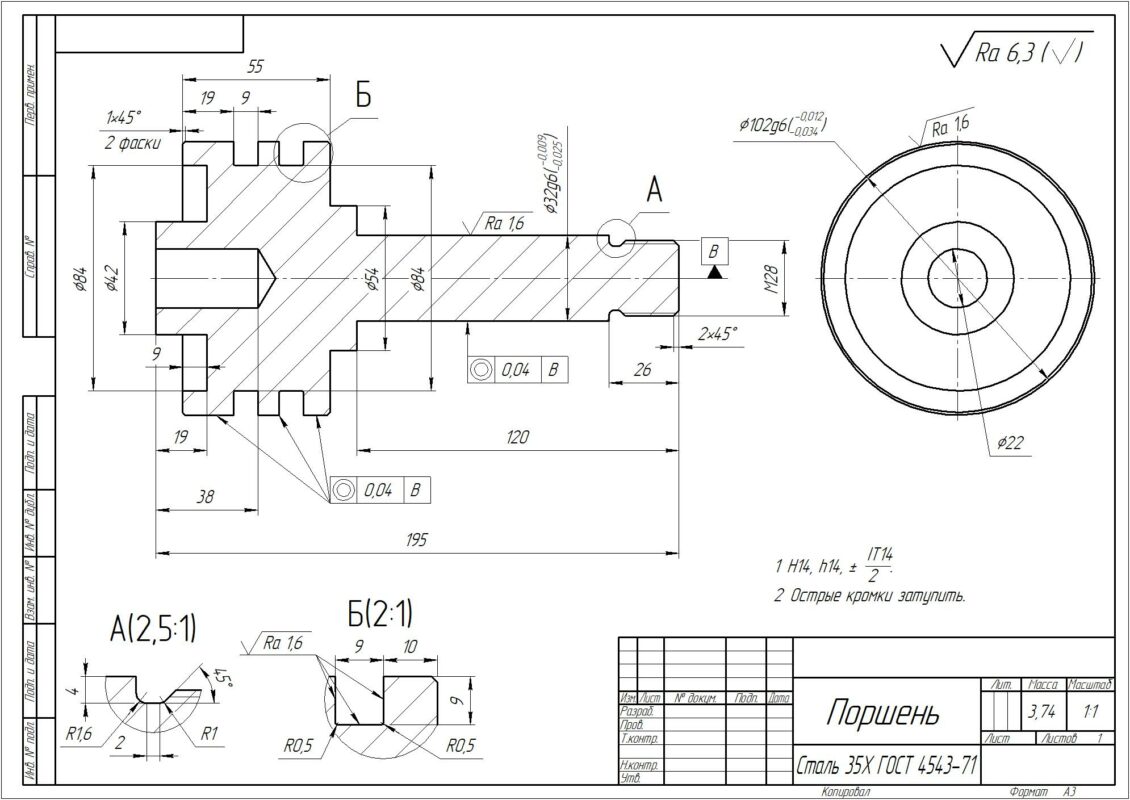
МЧ.00.21.00.03 - Поршень.cdw
-
МЧ.00.21.00.03 - Поршень.m3d
-
МЧ.00.21.00.04 - Вилка.cdw
-
МЧ.00.21.00.04 - Вилка.m3d
-
МЧ.00.21.00.05 - Вилка.cdw
-
МЧ.00.21.00.05 - Вилка.m3d
-
МЧ.00.21.00.06 - Штуцер.cdw
-
МЧ.00.21.00.06 - Штуцер.m3d
-
МЧ.00.21.00.07 - Пружина.cdw
-
МЧ.00.21.00.07 - Пружина.m3d
-
МЧ.00.21.00.08 - Гайка.cdw
-
МЧ.00.21.00.08 - Гайка.m3d
-
МЧ.00.21.00.09 - Винт.cdw
-
МЧ.00.21.00.09 - Винт.m3d
-
Цилиндр пневматический.a3d
-
Цилиндр пневматический.stp
-
Цилиндр пневматический _ МЧ.00.21.00.00.spw
-
Цилиндр пневматический СБ.cdw
Чтобы скачать чертеж, 3D модель или проект, Вы должны зарегистрироваться
и принять участие в жизни сайта. Посмотрите, как тут скачивать
файлы
Отзывов пока нет
Чтобы оставить отзыв, необходимо войти
Войти с помощью:
Используя функцию входа через сторонние сервисы, Вы соглашаетесь на обработку персональных данных в соответствии с Политикой конфиденциальности
Используя функцию входа через сторонние сервисы, Вы соглашаетесь на обработку персональных данных в соответствии с Политикой конфиденциальности