Перейти к содержимому
Войти

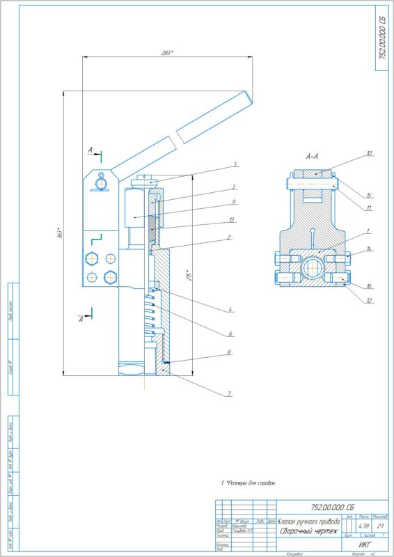
Клапан ручного привода 752.00.000 СБ

0
0
46
0
0
100

Клапан ручного привода предназначен для механического управления потоками (воздуха, газа, жидкостей, сыпучих материалов) в системах вентиляции, пневмолиниях или трубопроводах, позволяя открывать, закрывать, дросселировать (регулировать) или переключать направление потока вручную с помощью рычага, ручки или селектора, обеспечивая контроль над процессом в системах кондиционирования, отопления, защитных сооружениях или пневмопривода.
Клапан ручного привода состоит из корпуса с запрессованными в него втулкой и седлом; клапана, который прижимается к седлу пружиной, поджатой пробкой с прокладкой; гайки накидной, поджимающей через втулку сальниковую набивку; рычага на оси со шплинтом, закрепленного в проушинах кронштейна. Последний крепится штифтами и болтами к корпусу.


Сообщить о проблеме
Автор
user-avatar xks_21
Дата
30.12.2025
Язык
Русский
Состав
3D-cборка, Чертежи
Софт
КОМПАС-3D 18.1 Как открыть?
Отзывов пока нет
Задать вопрос
Содержимое архива
    • icon-a3d 752.00.000 СБ - Клапан ручного привода.a3d
    • icon-cdw 752.00.000 СБ - Клапан ручного привода.cdw
    • icon-pdf 752.00.000 СБ - Клапан ручного привода.pdf
    • icon-step 752.00.000 СБ - Клапан ручного привода.stp
    • icon-pdf 752.00.000 СП - Клапан ручного привода.pdf
    • icon-spw 752.00.000 СП - Клапан ручного привода.spw
    • icon-cdw 752.00.001 - Корпус.cdw
    • icon-m3d 752.00.001 - Корпус.m3d
    • icon-pdf 752.00.001 - Корпус.pdf
    • icon-cdw 752.00.002 - Втулка.cdw
    • icon-m3d 752.00.002 - Втулка.m3d
    • icon-pdf 752.00.002 - Втулка.pdf
    • icon-cdw 752.00.002-01 - Втулка.cdw
    • icon-m3d 752.00.002-01 - Втулка.m3d
    • icon-pdf 752.00.002-01 - Втулка.pdf
    • icon-cdw 752.00.003 - Седло.cdw
    • icon-m3d 752.00.003 - Седло.m3d
    • icon-pdf 752.00.003 - Седло.pdf
    • icon-cdw 752.00.004 - Клапан.cdw
    • icon-m3d 752.00.004 - Клапан.m3d
    • icon-pdf 752.00.004 - Клапан.pdf
    • icon-cdw 752.00.005 - Пружина.cdw
    • icon-m3d 752.00.005 - Пружина.m3d
    • icon-pdf 752.00.005 - Пружина.pdf
    • icon-cdw 752.00.006 - Пробка.cdw
    • icon-m3d 752.00.006 - Пробка.m3d
    • icon-pdf 752.00.006 - Пробка.pdf
    • icon-cdw 752.00.007 - Прокладка.cdw
    • icon-m3d 752.00.007 - Прокладка.m3d
    • icon-pdf 752.00.007 - Прокладка.pdf
    • icon-cdw 752.00.010 - Гайка.cdw
    • icon-m3d 752.00.010 - Гайка.m3d
    • icon-pdf 752.00.010 - Гайка.pdf
    • icon-cdw 752.00.011 - Рычаг.cdw
    • icon-m3d 752.00.011 - Рычаг.m3d
    • icon-pdf 752.00.011 - Рычаг.pdf
    • icon-cdw 752.00.012 - Ось.cdw
    • icon-m3d 752.00.012 - Ось.m3d
    • icon-pdf 752.00.012 - Ось.pdf
    • icon-cdw 752.00.014 - Кронштейн.cdw
    • icon-m3d 752.00.014 - Кронштейн.m3d
    • icon-pdf 752.00.014 - Кронштейн.pdf
    • icon-m3d 752.00.015 - Набивка сальниковая.m3d
Чтобы скачать чертеж, 3D модель или проект, Вы должны зарегистрироваться и принять участие в жизни сайта. Посмотрите, как тут скачивать файлы
Отзывов пока нет
Чтобы оставить отзыв, необходимо войти
Войти с помощью:

Используя функцию входа через сторонние сервисы, Вы соглашаетесь на обработку персональных данных в соответствии с Политикой конфиденциальности