Перейти к содержимому
Войти

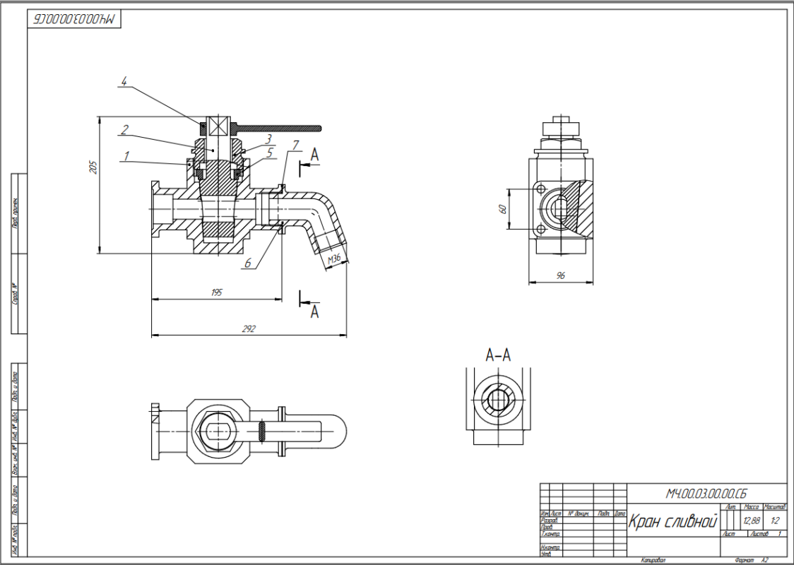
Кран сливной МЧ.00.03.00.00.СБ с ходом работы

1
0
244
5
0
50

ФГБОУ ВО «ИжГТУ имени М.Т. Калашникова»

С.К. Боголюбов "Чтение и деталирование сборочных чертежей"
Пояснительная записка с ходом работы

Содержание
Индивидуальное задание 3
Введение 4
Основная часть 5
Заключение 23
Список использованных источников 24


Сообщить о проблеме
Дата
26.01.2026
Язык
Русский
Состав
3D модели: Корпус, Пробка, Крышка, Рукоятка, Втулка, Колено 3D Сборка: Кран сливной МЧ.00.03.00.00 Чертежи: Сборочный чертеж, чертежи всех деталей, Спецификация Пояснительная записка с ходом работы и скриншотами
Софт
КОМПАС-3D 23 Как открыть?
Отзывов пока нет
Задать вопрос
Содержимое архива
      • icon-pdf Корпус _ МЧ.00.03.00.01.pdf
      • icon-pdf Кран сливной _ МЧ.00.03.00.00.СБ.pdf
      • icon-pdf Кран сливной _ МЧ.00.03.00.00.СП.pdf
      • icon-pdf МЧ.00.03.00.02 _ Пробка.pdf
      • icon-pdf МЧ.00.03.00.03 _ Крышка.pdf
      • icon-pdf МЧ.00.03.00.04 _ Рукоятка.pdf
      • icon-pdf МЧ.00.03.00.05 _ Втулка.pdf
      • icon-pdf МЧ.00.03.00.06 _ Колено.pdf
    • icon-pdf Вариант 9.pdf
    • icon-m3d Втулка _ МЧ.00.03.00.05.m3d
    • icon-m3d Картон А1.m3d
    • icon-m3d Колено _ МЧ.00.03.00.06.m3d
    • icon-cdw Корпус _ МЧ.00.03.00.01.cdw
    • icon-m3d Корпус _ МЧ.00.03.00.01.m3d
    • icon-a3d Кран сливной _ МЧ.00.03.00.00.СБ.a3d
    • icon-cdw Кран сливной _ МЧ.00.03.00.00.СБ.cdw
    • icon-spw Кран сливной _ МЧ.00.03.00.00.СБ.spw
    • icon-step Кран сливной _ МЧ.00.03.00.00.СБ.stp
    • icon-m3d Крышка _ МЧ.00.03.00.03.m3d
    • icon-cdw МЧ.00.03.00.02 _ Пробка.cdw
    • icon-cdw МЧ.00.03.00.03 _ Крышка.cdw
    • icon-cdw МЧ.00.03.00.04 _ Рукоятка.cdw
    • icon-cdw МЧ.00.03.00.05 _ Втулка.cdw
    • icon-cdw МЧ.00.03.00.06 _ Колено.cdw
    • icon-doc Пояснительная записка.doc
    • icon-m3d Пробка _ МЧ.00.03.00.02.m3d
    • icon-m3d Рукоятка _ МЧ.00.03.00.04.m3d
Чтобы скачать чертеж, 3D модель или проект, Вы должны зарегистрироваться и принять участие в жизни сайта. Посмотрите, как тут скачивать файлы
Отзывов пока нет
Чтобы оставить отзыв, необходимо войти
Войти с помощью:

Используя функцию входа через сторонние сервисы, Вы соглашаетесь на обработку персональных данных в соответствии с Политикой конфиденциальности