Перейти к содержимому
Войти

Подшипник МЧ00.15.00.00 СБ с ходом работы

0
0
82
1
0
60

ФГБОУ ВО «ИжГТУ имени М.Т. Калашникова»

С.К. Боголюбов "Чтение и деталирование сборочных чертежей"
Пояснительная записка с ходом работы

Введение ……………………………………………………………………… 5
Описание изделия ……………………………….………………………….. 7
Описание создания моделей оригинальных деталей, входящих в сборочную единицу ………………………………………………………… 8
Описание создания модели сборки изделия ……………………………… 9
Описание разработки рабочих чертежей деталей ………………………… 20
Описание создания сборочного чертеж изделия по созданной модели сборки и спецификации в полуавтоматическом режиме ………………… 23
Заключение ………………………………………………………………….. 25
Список использованных источников ………………………………………. 26

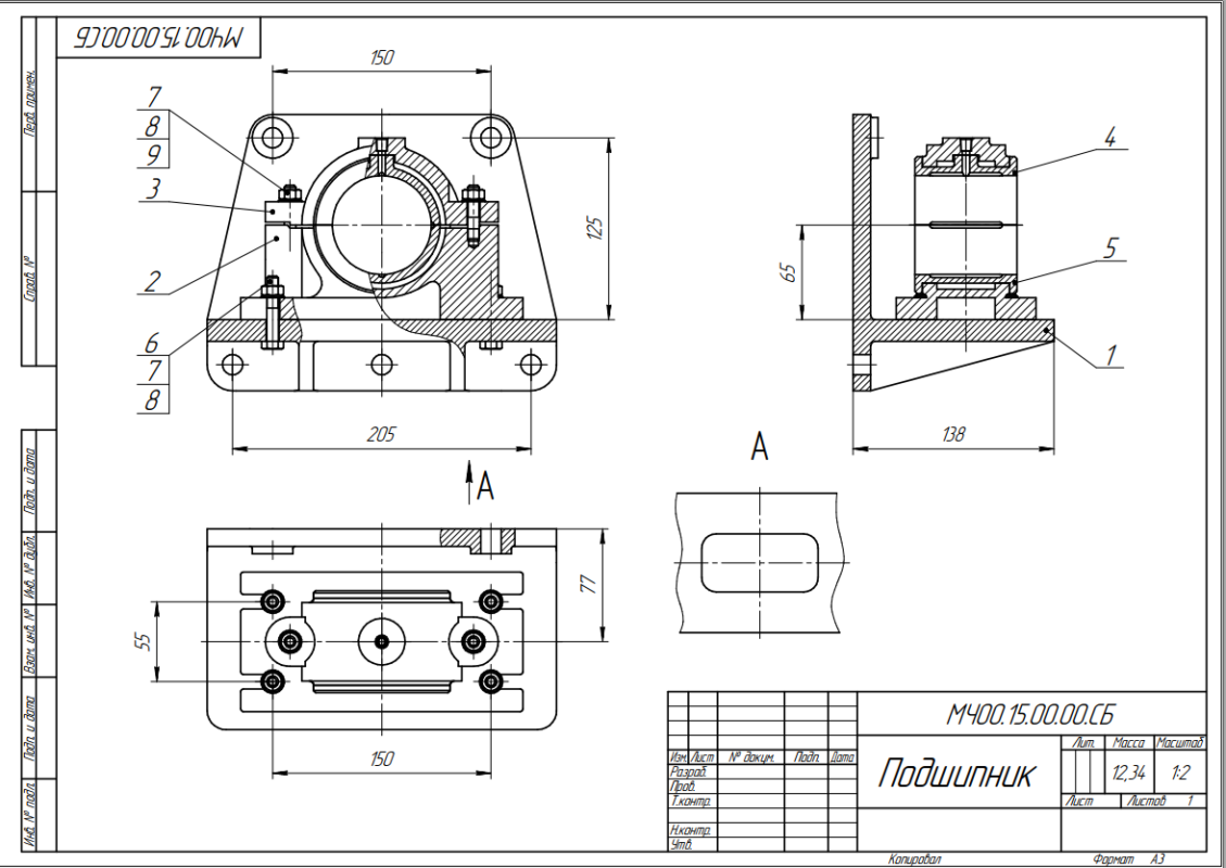
Подшипник служит опорой для вращающегося вала и устанавливается на консоли в том случае, когда вал близко подходит к стене производственного помещения.
Консольная подшипниковая опора состоит из корпуса и подшипника скольжения со сменными бронзовыми вкладышами (поз. 4, 5). Верхний вкладыш (поз. 4) фиксируется цилиндрическим трубчатым выступом. Смазка к трущимся поверхностям вала и вкладыша подводится из масленки (на чертеже не показана), ввинчиваемой в резьбовое отверстие, расположенное в приливе верхнего вкладыша (поз. 4).
Крышку (поз. 3) крепят к корпусу (поз. 2) двумя шпильками (поз. 7), а корпус крепят к кронштейну (поз. 1) четырьмя болтами (поз. 6). Кронштейн прикрепляется к стене пятью болтами (на чертеже не показаны).


Сообщить о проблеме
Дата
15.01.2026
Язык
Русский
Состав
3D модели: Кронштейн, Корпус, Крышка, Вкладыш верхний, Вкладыш нижний 3D Сборка: Подшипник МЧ00.15.00.00 Чертежи: Сборочный чертеж подшипника, чертеж кронштейна Спецификация Пояснительная записка с ходом работы и скриншотами
Софт
КОМПАС-3D 23 Как открыть?
Отзывов пока нет
Задать вопрос
Содержимое архива
    • icon-m3d Вкладыш верхний _ МЧ00.15.00.04.m3d
    • icon-m3d Вкладыш нижний _ МЧ00.15.00.05.m3d
    • icon-png Задание.png
    • icon-m3d Корпус _ МЧ00.15.00.02.m3d
    • icon-cdw Кронштейн _ МЧ00.15.00.01.cdw
    • icon-m3d Кронштейн _ МЧ00.15.00.01.m3d
    • icon-pdf Кронштейн _ МЧ00.15.00.01.pdf
    • icon-m3d Крышка _ МЧ00.15.00.03.m3d
    • icon-cdw Подшипник _ МЧ00.15.00.00.СБ.cdw
    • icon-pdf Подшипник _ МЧ00.15.00.00.СБ.pdf
    • icon-doc Пояснительная записка.doc
    • icon-a3d Сборка.a3d
    • icon-step Сборка.stp
    • icon-jpg Спецификация.jpg
    • icon-pdf Спецификация.pdf
    • icon-spw Спецификация.spw
Чтобы скачать чертеж, 3D модель или проект, Вы должны зарегистрироваться и принять участие в жизни сайта. Посмотрите, как тут скачивать файлы
Отзывов пока нет
Чтобы оставить отзыв, необходимо войти
Войти с помощью:

Используя функцию входа через сторонние сервисы, Вы соглашаетесь на обработку персональных данных в соответствии с Политикой конфиденциальности