Перейти к содержимому
Войти

Электрификация цеха по выращиванию птицы ООО «АПК «Дамате» с разработкой системы автоматического регулирования освещения

0
0
42
1
0
50

Спасский колледж профессиональных технологий и бизнеса/ 35.02.08 Электрификация и
автоматизация сельского хозяйства/ Дипломный проект/ На тему: Электрификация цеха по выращиванию птицы ООО «АПК «Дамате» Нижнеломовского района Пензенской области»разработкой системы автоматического регулирования освещения

ООО «АПК «Дамате» основано в 2012 году в Нижнеломовском районе, специализируется на животноводстве и растениеводство. В настоящее время основным активом «Дамате» является проект по производству мяса индейки. Компания «Дамате» является крупнейшим предприятием по переработке мяса индейки в Пензенской области и в стране.
ООО «АПК «Дамате» имеет основанные производственные фонды общей стоимостью 61 млн. руб. Это помещения для содержания птицы с технологическим оборудованием, складские и подсобные помещения, транспортные средства, а также 2538 га пахотной земли.

СОДЕРЖАНИЕ
ВВЕДЕНИЕ …………………………………………………………………. 4
1. ОСНОВНАЯ ЧАСТЬ …………………………………………………… 5
1.1 Характеристика хозяйства ……………………………………………... 5
1.2 Характеристика объекта проектирования ……………………………. 9
1.3 Описание технического процесса ……………………………………… 9
1.4 Электрическое освещение птичника ………………………………….. 10
1.4.1Выбор системы и видов освещения ……………………………….. 10
1.4.2 Выбор источников света и светильников …………………………. 11
1.4.3 Расчёт установленной мощности ламп ……………………………. 11
1. 4.4 Выбор марки, способа прокладки и определения сечения
проводов и кабелей осветительной сети ………………………………..
16
1.4.5 Выбор типа осветительного щитка и расчёт аппаратов защиты .. 20
1.5 Силовое электрооборудование птичника………………………………. 21
1.5.1 Определение мощности и выбор типа электродвигателей для
привода машин и механизмов …………………………………………..
21
1. 5.2 Выбор системы питания электроприёмников ……………………. 24
1.5.3 Определение расчётной мощности на вводе индюшатника …….. 24
1. 5.4 Выбор аппаратов управления и защиты ………………………… 27
1. 5.5 Выбор марки, способа прокладки и определения сечения
проводов и кабелей силовой сети ……………………………………….
29
1.6 Электроснабжение ПТФ ……………………………………………….. 32
1.6.1 Подсчёт электрических нагрузок …………………………………. 32
1.6.2 Выбор мощности трансформатора и типа ТП …………………… 33
1.7 Автоматизация управления освещением цеха ………………………. 35
1.7.1 Автоматические устройства для управления режимом освещения.. 35
1.7.2 Программное устройство ПРУС -1…………………………………. 36
2. БЕЗОПАСНОСТЬ ЖИЗНЕДЕЯТЕЛЬНОСТИ И ОХРАНА ТРУДА ….. 38
2.1 Электробезопасность работ на объекте ……………………………. 38
2.2 Расчёт заземления …………………………………………………….. 38
2.3 Противопожарные мероприятия …………………………………….. 40
2.4 Мероприятия по охране окружающей среды ……………………… 41
3. ЭКОНОМИЧЕСКАЯ ЧАСТЬ ……………………………………………. 43
ЗАКЛЮЧЕНИЕ ……………………………………………………………… 46
СПИСОК ИСПОЛЬЗУЕМЫХ ИСТОЧНИКОВ ……………………………. 47

 


Сообщить о проблеме
Автор
user-avatar user-0083608
Дата
21.02.2026
Язык
Русский
Состав
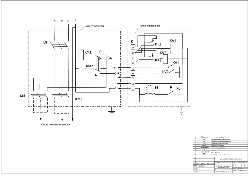
Лист 1. План цеха с нанесением осветительной сети Лист 2. План цеха с нанесением силовой сети Лист 3. Принципиальная электрическая схема программного устройства ПРУС - 1
Софт
КОМПАС-3D 22 Как открыть?
Отзывов пока нет
Задать вопрос
Содержимое архива
  • icon-doc ДП.docx
  • icon-spl Схема 1 Архишин.spl7
  • icon-spl Схема 2 Архишин.spl7
  • icon-spl Схема 3 Архишин.spl7
Чтобы скачать чертеж, 3D модель или проект, Вы должны зарегистрироваться и принять участие в жизни сайта. Посмотрите, как тут скачивать файлы
Отзывов пока нет
Чтобы оставить отзыв, необходимо войти
Войти с помощью:

Используя функцию входа через сторонние сервисы, Вы соглашаетесь на обработку персональных данных в соответствии с Политикой конфиденциальности