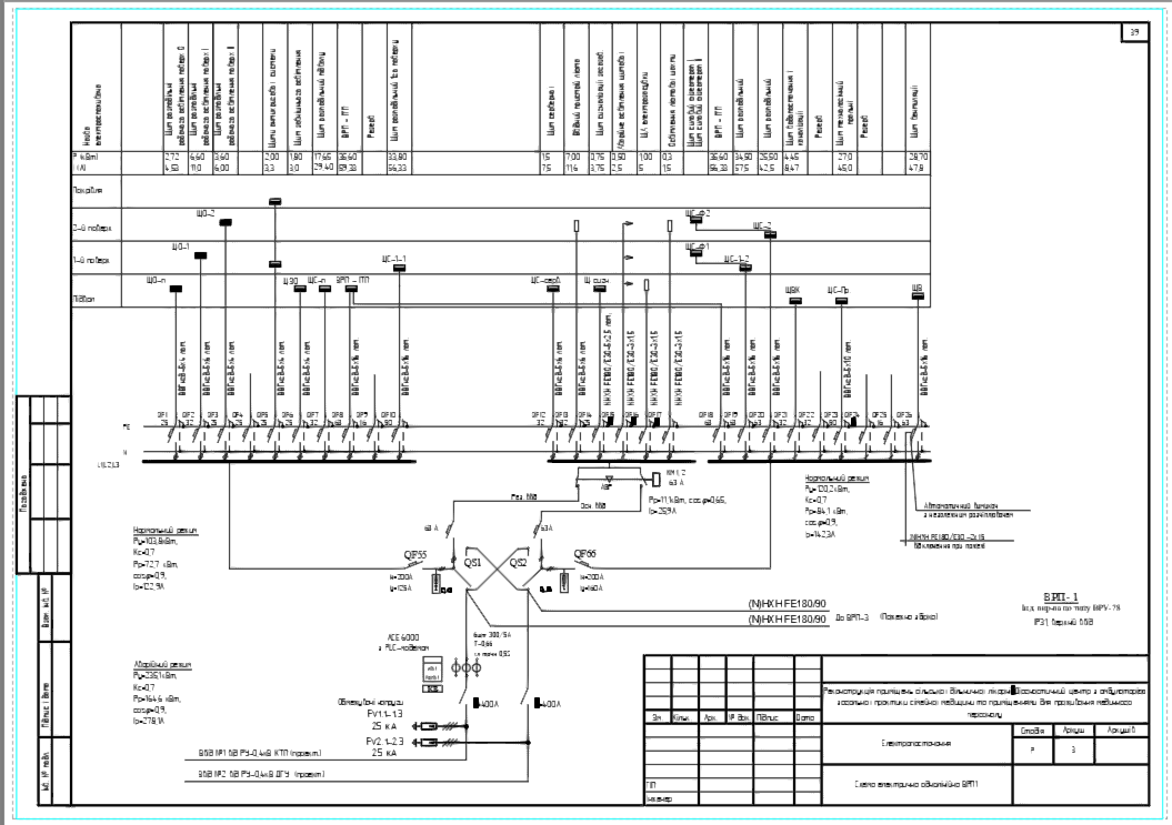
Реконструкция помещений в сельской участковой больнице. Диагностический центр с амбулаторией общей практики семейной медицины и помещениями проживания медицинского персонала.
- Главная -
- Чертежи -
- Инженерные системы -
- Электроснабжение и освещение -
- Электроснабжение. Реконструкция помещений в сельской участковой больнице.
Электроснабжение. Реконструкция помещений в сельской участковой больнице.
1
1
63
1
0
20
Сообщить о проблеме
Автор
Дата
21.02.2026
Язык
Украинский
Состав
1 лист Титул 2 листа Содержание 11 листов ПЗ 3 листа ОВНС 2 листа ПОБ 3 листа ОЕЕ 1 лист ЗД 6 листов чертежи 1 лист ВР 1 лист Спецификации
Софт
AutoCAD 19
Как открыть?
Отзывов пока нет
Содержимое архива
-
Лікарня [стадия Р].dwg
Чтобы скачать чертеж, 3D модель или проект, Вы должны зарегистрироваться
и принять участие в жизни сайта. Посмотрите, как тут скачивать
файлы
Отзывов пока нет
Чтобы оставить отзыв, необходимо войти
Войти с помощью:
Используя функцию входа через сторонние сервисы, Вы соглашаетесь на обработку персональных данных в соответствии с Политикой конфиденциальности
Используя функцию входа через сторонние сервисы, Вы соглашаетесь на обработку персональных данных в соответствии с Политикой конфиденциальности