Проект разработан на напряжение ~380/220В в сети с глухо-заземленной нейтралью и системой заземления TN-C-S. Напряжение электрической сети - 0,4кВ.
По степени надежности электроснабжения электроприемники здания относится к потребителям III категории.
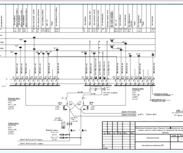
Для электроснабжения электрооборудования цеха предусмотрена установка силового щита ЩС.
Питающие линии от силовых щитов к соответствующим электроприемникам выполнить кабелем ВВГнг(A)-LS.
В соответствии с ПУЭ, все металлические части электрооборудования, нормально не находящиеся под напряжением заземлить.
Для обеспечения безопасности обслуживающего персонала и нормальной работы оборудования проектом предусматривается проектируемое заземляющее устройство с сопротивлением не более 4 Ом.
Проектируемые кабельные линии заземлить в соответствии с требованиями, приведенными в ПУЭ гл. 1.7.
Проектом предусмотрено устройство молниезащиты здания.
- Главная -
- Чертежи -
- Инженерные системы -
- Электроснабжение и освещение -
- Электроснабжение помещения
Электроснабжение помещения
1
1
81
1
0
80

Сообщить о проблеме
Автор

Дата
12.10.2023
Язык
Русский
Состав
Пояснительная записка, чертежи (часть в виде картинок), спецификация
Софт
AutoCAD 2013
Как открыть?
Отзывов пока нет
Содержимое архива
Чтобы скачать чертеж, 3D модель или проект, Вы должны зарегистрироваться
и принять участие в жизни сайта. Посмотрите, как тут скачивать
файлы
Отзывов пока нет
Чтобы задать вопрос, необходимо войти
Войти с помощью:
Ссылка на логин через google
Ссылка на логин через vk
Ссылка на логин через yandex