Электроснабжение городской онкологической больницы в г.Алматы, климатический район по ветровой нагрузке - II, район по гололеду - II, категория надежности электроснабжения - I.
- Главная -
- Чертежи -
- Инженерные системы -
- Электроснабжение и освещение -
- Электроснабжение городской онкологической больницы в г.Алматы, РК
Электроснабжение городской онкологической больницы в г.Алматы, РК
0
0
28
0
0
150
Сообщить о проблеме
Автор
Дата
02.01.2026
Язык
Русский
Состав
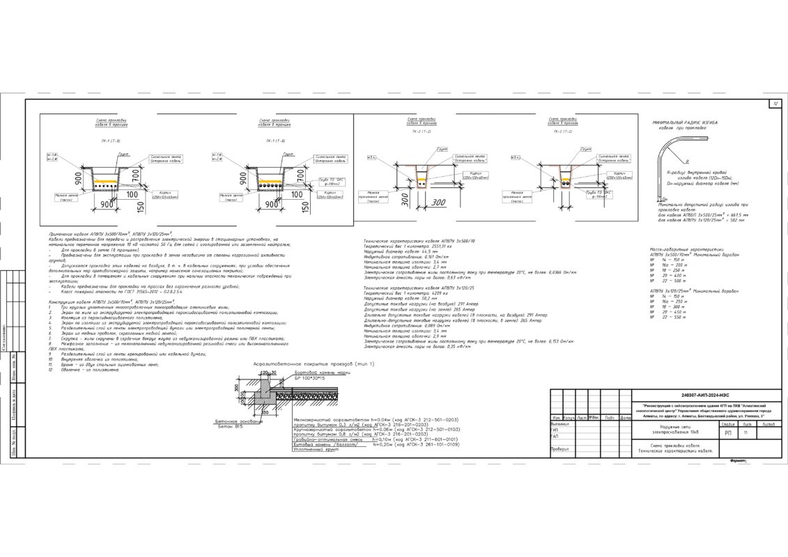
Общие данные, План инженерных сетей ЛЭП-10 кВ. Ситуационная схема, План внешнего электроснабжения 10кВ, Однолинейная схема электроснабжения 10кВ, Кабельный журнал. Сводная спецификация на кабель, Объем земляных работ, Ведомость объемов строительных и монтажных работ, Схема прокладки кабеля. Технические характеристики кабеля, Пересечение двух кабельных линий между собой (пример). Пересечение кабельной линий с автодорогой. (пример), Спецификация
Софт
AutoCAD 20
Как открыть?
Отзывов пока нет
Содержимое архива
-
Утепова_ОНКО_НЭС.dwg
Чтобы скачать чертеж, 3D модель или проект, Вы должны зарегистрироваться
и принять участие в жизни сайта. Посмотрите, как тут скачивать
файлы
Задания с фриланса
Отзывов пока нет
Чтобы оставить отзыв, необходимо войти
Войти с помощью:
Используя функцию входа через сторонние сервисы, Вы соглашаетесь на обработку персональных данных в соответствии с Политикой конфиденциальности
Используя функцию входа через сторонние сервисы, Вы соглашаетесь на обработку персональных данных в соответствии с Политикой конфиденциальности