Перейти к содержимому
Войти

Конструктивные чертежи электрооборудования мини-ТЭЦ с генераторами 6 и 4 МВт

0
0
26
0
0
200

Монтажные чертежи камер выводов генераторов, аккумуляторной, камер реакторов и пр. Проект реализован в 2005 году


Сообщить о проблеме
Дата
31.10.2025
Язык
Русский
Состав
Раздел Электрооборудование
Софт
Отзывов пока нет
Задать вопрос
Содержимое архива
    • icon-dwg 001-Общие данные.dwg
    • icon-dwg 002-Расстановка и внутренний контур.dwg
    • icon-dwg 002-Расстановка и внутренний контур 1.dwg
    • icon-dwg 002-Расстановка и внутренний контур 2.dwg
    • icon-dwg 002-Расстановка и внутренний контур 3.dwg
    • icon-dwg 003-Наружный контур заземления.dwg
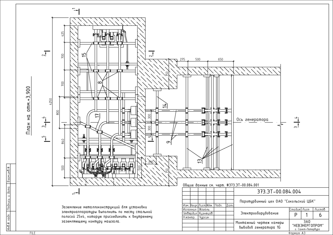
    • icon-pdf 004-Монтажный камеры генератора 1G _1-Model.pdf
    • icon-png 004-Монтажный камеры генератора 1G _1-Model.png
    • icon-dwg 004-Монтажный камеры генератора 1G _1.dwg
    • icon-tmp 004-Монтажный камеры генератора 1G _1.dwl
    • icon-tmp 004-Монтажный камеры генератора 1G _1.dwl2
    • icon-dwg 004-Монтажный камеры генератора 1G _2.dwg
    • icon-dwg 004-Монтажный камеры генератора 1G _3.dwg
    • icon-dwg 004-Монтажный камеры генератора 1G _4.dwg
    • icon-dwg 004-Монтажный камеры генератора 1G _5.dwg
    • icon-dwg 004-Монтажный камеры генератора 1G _6.dwg
    • icon-dwg 005-Металлоконструкции камеры генератора 1G_1.dwg
    • icon-dwg 005-Металлоконструкции камеры генератора 1G_2.dwg
    • icon-dwg 005-Металлоконструкции камеры генератора 1G_3.dwg
    • icon-dwg 005-Металлоконструкции камеры генератора 1G_4.dwg
    • icon-dwg 006-Монтажный камеры генератора 2G _1.dwg
    • icon-dwg 006-Монтажный камеры генератора 2G _2.dwg
    • icon-dwg 006-Монтажный камеры генератора 2G _3.dwg
    • icon-dwg 006-Монтажный камеры генератора 2G _4.dwg
    • icon-dwg 006-Монтажный камеры генератора 2G _5.dwg
    • icon-dwg 006-Монтажный камеры генератора 2G _6.dwg
    • icon-dwg 007-Металлоконструкции камеры генератора 2G_1.dwg
    • icon-dwg 007-Металлоконструкции камеры генератора 2G_2.dwg
    • icon-dwg 007-Металлоконструкции камеры генератора 2G_3.dwg
    • icon-dwg 007-Металлоконструкции камеры генератора 2G_4.dwg
    • icon-dwg 008-Монтажный аккумуляторной 1.dwg
    • icon-dwg 008-Монтажный аккумуляторной 2.dwg
    • icon-dwg 008-Монтажный аккумуляторной 3.dwg
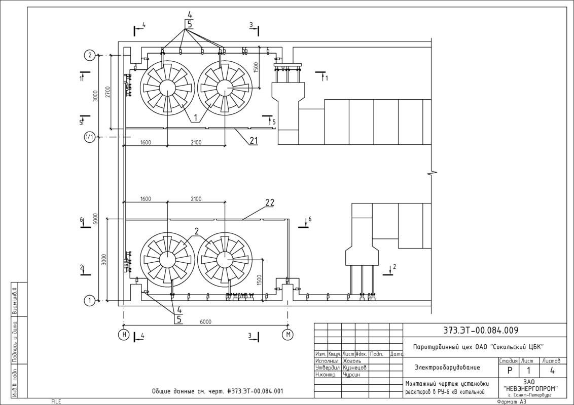
    • icon-pdf 009-Монтажный реакторов 1-Model.pdf
    • icon-png 009-Монтажный реакторов 1-Model.png
    • icon-dwg 009-Монтажный реакторов 1.dwg
    • icon-tmp 009-Монтажный реакторов 1.dwl
    • icon-tmp 009-Монтажный реакторов 1.dwl2
    • icon-dwg 009-Монтажный реакторов 2.dwg
    • icon-dwg 009-Монтажный реакторов 3.dwg
    • icon-dwg 009-Монтажный реакторов 4.dwg
    • icon-dwg 010-Металлоконструкции реакторов 1.dwg
    • icon-dwg 010-Металлоконструкции реакторов 2.dwg
    • icon-dwg 010-Металлоконструкции реакторов 3.dwg
    • icon-dwg 010-Металлоконструкции реакторов 4.dwg
    • icon-dwg 011-Троллеи-план.dwg
    • icon-dwg 012-Подвод питания к троллеям.dwg
    • icon-dwg 013-Стыковка троллейных секций.dwg
    • icon-dwg 014-Троллейный кронштейн.dwg
    • icon-dwg 015-Троллейный указатель.dwg
    • icon-txt plot.log
    • icon-doc Raschet_shinoprovoda.doc
    • icon-doc Спецификация на троллеи.doc
Чтобы скачать чертеж, 3D модель или проект, Вы должны зарегистрироваться и принять участие в жизни сайта. Посмотрите, как тут скачивать файлы
Отзывов пока нет
Чтобы оставить отзыв, необходимо войти
Войти с помощью:

Используя функцию входа через сторонние сервисы, Вы соглашаетесь на обработку персональных данных в соответствии с Политикой конфиденциальности