Перейти к содержимому
Войти

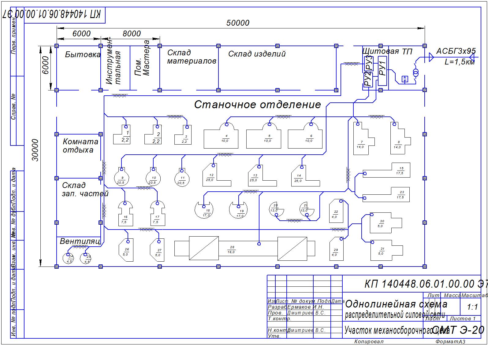
Схема расположения силовых сетей участока механосборочного цеха

0
272
14207
98
1
20

ГБОУ СПО «Сухоложский многопрофильный техникум»
Дисциплина: «Электроснабжение отрасли»
Курсовой проект Тема: «Электроснабжение и электрооборудование механосборочного цеха»
Сухой Лог 2013

В данном курсовом проекте был произведён полный расчёт электрических нагрузок для каждого электро-приёмника РМЦ. По результатам этого расчёта были выбраны кабели, автоматические выключатели, выбраны трансформаторы и устройства компенсации реактивной мощности. Данный курсовой проект соответствует всем нормам и правилам и обеспечивает надёжную работу всех электро-приёмников, перечисленных в работе.
I. Общая часть.
1.1 Характеристика объекта ЭСН и потребителей электроэнергии.
1.2 Классификация помещений по взрыво-, пожаро-, электробезопасности
1.3 Категория надежности ЭСН и выбор схемы ЭСН. Выбор рода тока и напряжения.
II. Расчетно-проектная часть.
2.1 Расчет электрических нагрузок цеха, участка
2.2 Расчет и выбор компенсирующего устройства, выбор трансформаторов
2.3 Расчет и выбор элементов ЭСН
2.4 Выбор аппаратов защиты и распределительных устройств
2.5 Расчет и выбор эл. оборудования ТП
2.6 Выбор характерной линии ЭСН
2.7 Расчет токов КЗ и проверки элементов в характерной линии ЭСН
2.8 Проверка элементов ЭСН по токам КЗ
2.9 Определение потери напряжения
2.10 Составление ведомостей монтируемого ЭО и электромонтажных работ


Сообщить о проблеме
Дата
20.05.2015
Язык
Русский
Состав
Участок механосборочного цеха: схема расположения сетей, принципиальная однолиейная схема, ПЗ
Софт
КОМПАС-3D 14 Как открыть?
Отзывов пока нет
Задать вопрос
Содержимое архива
  • icon-cdw 13! Принципиальная схнма(А1).cdw
  • icon-cdw 13! Схема расположения силовых сетей.cdw
  • icon-cdw Ермаков И.Н.(Расчет КЗ ЭС).cdw
  • icon-xls Ермаков И.Н.(Таблица №3).xlsx
  • icon-doc Министерство среднего профессионального образования.docx
  • icon-cdw Принципиальная схнма(А1).cdw
  • icon-cdw Принципиальная схнма(А4).cdw
  • icon-cdw Схема расположения силовых сетей.cdw
  • icon-doc Таблица №3.docx
Чтобы скачать чертеж, 3D модель или проект, Вы должны зарегистрироваться и принять участие в жизни сайта. Посмотрите, как тут скачивать файлы
Отзывов пока нет
Чтобы оставить отзыв, необходимо войти
Войти с помощью:

Используя функцию входа через сторонние сервисы, Вы соглашаетесь на обработку персональных данных в соответствии с Политикой конфиденциальности